|
Делаем УНЧ на лампах
|
|
| | Вс, 24.02.2013, 13:37 | Сообщение # 361
|
MAESTRO ^ Активность: 5564
| Спасибо. Гравировал на фрезерном станке.
|
|
| | Ср, 27.02.2013, 23:09 | Сообщение # 362
|
kabachok1994 Пользователи Активность: 193
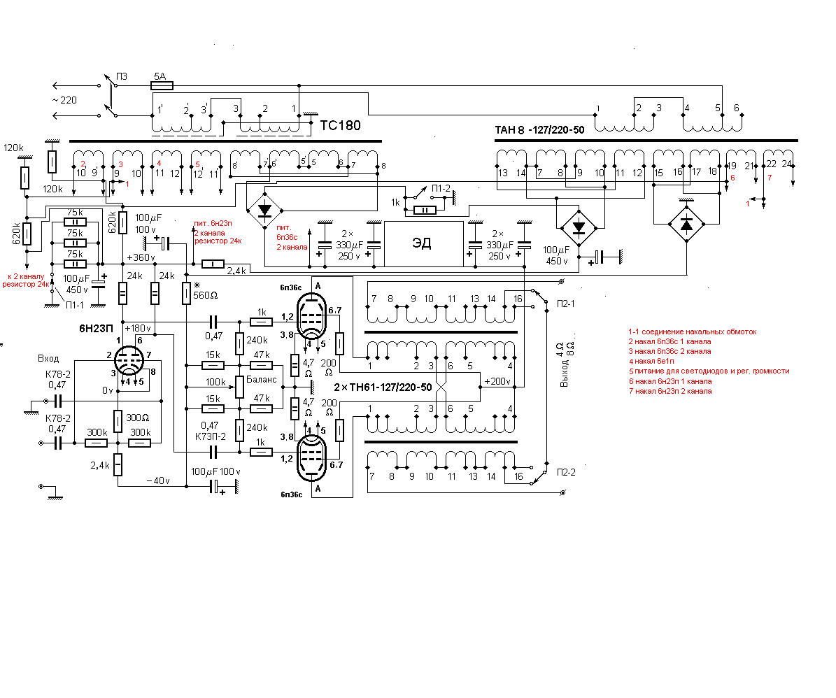
| Здравствуйте! Ну никак не удаётся победить фон. Включаю П3 фона нет через 30 секунд П2 через 1,5 минуты фон плавно начинает проявляться в течение этого времени, если выключить П2 фон резко прекращается , подумал что слабая фильтрация добавил ёмкости перед электронным дросселем на 1 канале, на схеме (ЭД), в 1-ом канале без изменений, а во 2-ом тишина т.е. нет фона только еле заметное "пошуршивание", отключал накал на 6н23п на короткий промежуток времени фон не прекращался, может я намудрил что с разводкой земли? Вот ссылка на схему там конечно накручено ну может увидите где "косяк"? Спасибо. С Уважением.
|
|
| | Ср, 27.02.2013, 23:20 | Сообщение # 363
|
MAESTRO ^ Активность: 5564
| Попробуй отключить кратковременно сетевую анодную обмотку от моста. Если тишина - значит нехватка ёмкостей фильтра.
|
|
| | Чт, 28.02.2013, 08:36 | Сообщение # 364
|
феска Друзья Активность: 3627
| kabachok1994, а напряжение в пределах, и какая реакция на регулятор баланс
|
|
| | Чт, 28.02.2013, 10:11 | Сообщение # 365
|
kabachok1994 Пользователи Активность: 193
| Цитата (MAESTRO) Попробуй отключить кратковременно сетевую анодную обмотку от моста. Если тишина - значит нехватка ёмкостей фильтра. Попробую но я думаю будет тишина, я вот писал Цитата (kabachok1994) если выключить П2 фон резко прекращается , подумал что слабая фильтрация добавил ёмкости перед электронным дросселем на 1 канале, на схеме (ЭД),во 2-ом не добавлял, в 1-ом канале без изменений т.е. фон остался, а во 2-ом тишина т.е. нет фона только еле заметное "пошуршивание", когда добавляю ёмкости во 2-ой фон появляется и в этом канале Цитата (феска) kabachok1994, а напряжение в пределах, и какая реакция на регулятор баланс Напряжение в заданных пределах, специально добивался +;- 2-5 V, реакция на регулятор громкости правильная ну в смысле фон не меняется, когда громкость на всю даже на 1/4 его и неслышно а вот когда хочется интима ну блин прям аж душит, извините крик уже души.
поправил kabachok1994 - Чт, 28.02.2013, 10:15 |
|
| | Чт, 28.02.2013, 10:44 | Сообщение # 366
|
феска Друзья Активность: 3627
| kabachok1994, лампы местами выходные менял причина не вних??
|
|
| | Чт, 28.02.2013, 11:07 | Сообщение # 367
|
Gosha1968 Друзья Активность: 580
| Фон в двухтактниках бывает от различных по характеристиках выходных ламп. А вообще можешь фото монтажа показать. Честно у меня никогда небыло проблем с фоном, я всегда все земли соединял в одной точке, а от неё на корпус. А гудит в динамиках? Может транс гудит, если железо У то надо равномерно нагружать катушки.
|
|
| | Чт, 28.02.2013, 12:08 | Сообщение # 368
|
sileron Пользователи Активность: 265
| kabachok1994 эта схема Комарова что ли? у меня с похожей схемой проблемы были с фоном. Добавлено (28.02.2013, 12:08) --------------------------------------------- вопрос созрел), на ламповые усилители, допустим усь 4ом, на него можно акустику вешать 8ом 16ом? т.е. большего сопротивления, меньшего понятно что нет. понятно что меньше мощность будит выходная, на лампы это не как не повлияет?
Gosha1968 я сейчас поеду куплю 4а32!!)) посмотрю что там за супер звук. хозяин говорит в отличном состояние.
|
|
| | Чт, 28.02.2013, 14:37 | Сообщение # 369
|
kabachok1994 Пользователи Активность: 193
| Цитата (феска) kabachok1994, лампы местами выходные менял причина не вних?? пробовал не в них. Цитата (Gosha1968) А вообще можешь фото монтажа показать. ОК. Цитата (Gosha1968) А гудит в динамиках? в динамиках. Цитата (Gosha1968) Может транс гудит, гудит как ТС-180 Цитата (Gosha1968) надо равномерно нагружать катушки вроде равномерно. Цитата (sileron) kabachok1994 эта схема Комарова что ли? Ага.
|
|
| | Чт, 28.02.2013, 15:25 | Сообщение # 370
|
Gosha1968 Друзья Активность: 580
| Цитата (sileron) Gosha1968 я сейчас поеду куплю 4а32!!)) посмотрю что там за супер звук. хозяин говорит в отличном состояние. Счастливчик  Добавлено (28.02.2013, 15:25) ---------------------------------------------
Цитата (sileron) допустим усь 4ом, на него можно акустику вешать 8ом 16ом? В принципе качество звучания должно улучшится, но теоретически. Если вторичных обмоток в выходнике две, соедини последовательно и будет на 16 ом. А на 8 нужно увеличить на 41%.
|
|