ФОРУМ ПО ЭЛЕКТРОНИКЕ



Архив - только для чтения
Делаем УНЧ на лампах
 Чт, 28.02.2013, 16:49 | Сообщение # 371        

sileron

Пользователи

 Активность: 265   

Gosha1968 это понятно, что можно обмотки увеличить, просто у меня усь на 6ф3п 4ом, тв3ш на выходе, а в нагрузке 4а32 15ом или 16ом
 Чт, 28.02.2013, 17:45 | Сообщение # 372        

Gosha1968

Друзья

 Активность: 580   

sileron, ну так домотай, там места валом, я разбирал. 4а32-15ом, на это и рассчитывай, у меня 10гд36, прилично по громкости на 3х ваттах звучали.Так у 10гд 36 -90 дб, а у 4а32-95дб, это если не ошибаюсь громче раза в 2-2.5! А за сколько покупаешь 4а32? Если не секрет smile
 Чт, 28.02.2013, 19:18 | Сообщение # 373        

panin56

Пользователи

 Активность: 3   

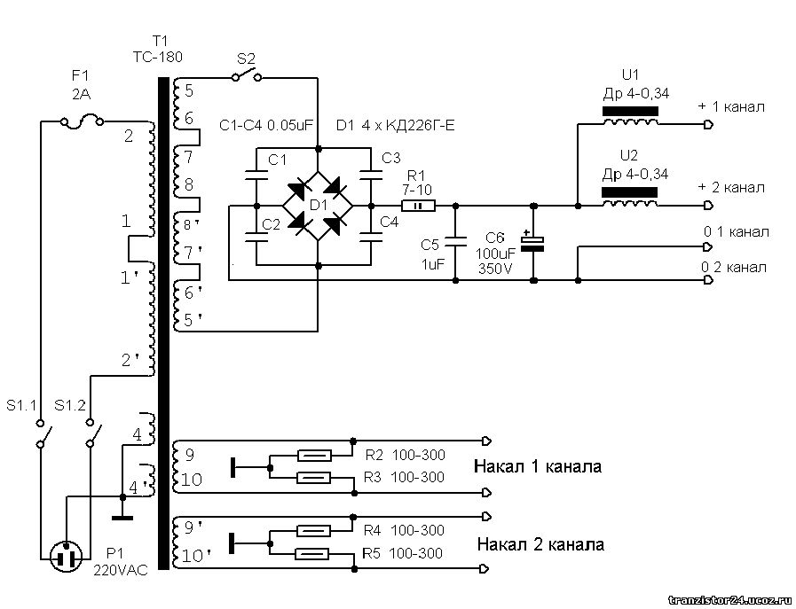
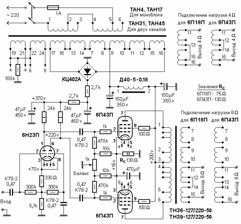
http://elwo.ru/shems/un.jpg как поставить вместо тан 45 или31 тс180-2 ??? и не не надо ли будет что то менять в схеме?

Добавлено (28.02.2013, 19:17)
---------------------------------------------
или тс 250

Добавлено (28.02.2013, 19:18)
---------------------------------------------
и схему подключения напишите если не сложно

Прикрепления: 8161473.jpg (117.2 Kb)
 Чт, 28.02.2013, 19:22 | Сообщение # 374        

MAESTRO

^

 Активность: 5564   

Точную схему подключения обмоток расписывать не стану, об этом можно почитать в справочнике, скажу только что для той схемы надо получить анодное напряжение (общее для обеих каскадов) 300-350В.
 Чт, 28.02.2013, 19:38 | Сообщение # 375        

panin56

Пользователи

 Активность: 3   

мне именно схема подключения нужна,это я все читал,написавшему 100 к карме и 100р на баланс

Добавлено (28.02.2013, 19:29)
---------------------------------------------
как именно подключать к усилителю, т.к. там питание раздельное.

Добавлено (28.02.2013, 19:38)
---------------------------------------------
не согласен, что общее! т.к там есть отвод на 200вольт!

 Чт, 28.02.2013, 19:44 | Сообщение # 376        

MAESTRO

^

 Активность: 5564   

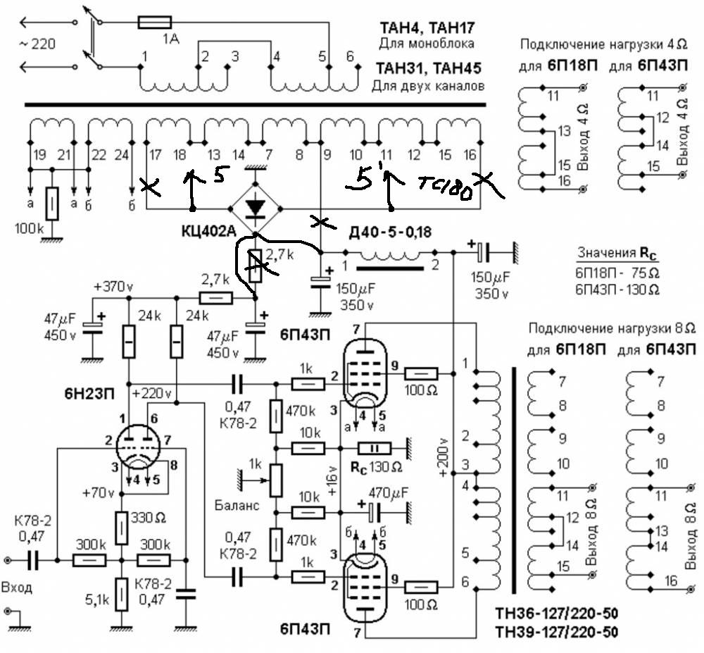
Вот схема изменений, а ниже цоколёвка спайки обмоток.





П.С. 100р переведи в фонд помощи голодающих детей Поволжья biggrin
Прикрепления: 6018891.jpg (127.7 Kb) · 2272160.jpg (69.9 Kb)
 Чт, 28.02.2013, 19:46 | Сообщение # 377        

panin56

Пользователи

 Активность: 3   

отдууши)))
 Пт, 01.03.2013, 00:55 | Сообщение # 378        

Gamzan

Друзья

 Активность: 1327   

kabachok1994, а в каком положении П2 нет фона? Это П2, не П1? Какая схема ЭД?
 Пт, 01.03.2013, 11:20 | Сообщение # 379        

kabachok1994

Пользователи

 Активность: 193   

Цитата (Gamzan)
kabachok1994, а в каком положении П2 нет фона? Это П2, не П1? Какая схема ЭД?
Да там опечатка после П3 включаю П1 и заданные 200В достигаются через 1,5 минуты и в течение этого времени появляется фон, если выключить П1 фон резко прекращается. Вот схемка эл.дросселя
Прикрепления: 8055581.gif (3.6 Kb)
 Сб, 02.03.2013, 02:04 | Сообщение # 380        

Gamzan

Друзья

 Активность: 1327   

kabachok1994, непонятный способ питания анодов. По-моему, лучше было бы фазоинвертор запитать через ЭД, он больше чувствителен к наводкам и другой гадости. Попробуй поочередно во включенном состоянии отключить анодное первого и второго каскадов, посмотри, что будет.

поправил Gamzan - Сб, 02.03.2013, 02:05
Поиск:

Внимание! Форум переехал на Tehnodium.ru




© Форум по электронике Мобильная версия