ФОРУМ ПО ЭЛЕКТРОНИКЕ



Архив - только для чтения
Изготовление лампового усилителя
 Пн, 21.05.2012, 16:58 | Сообщение # 201        

ViT41

Пользователи

 Активность: 21   

Перемычку между 3и5 убери. теперь прозвони просто между 4 и 6 smile Звонится? Да; 131ом А схема мне нравится эта.
Прикрепления: 0188175.jpg (117.2 Kb)
 Пн, 21.05.2012, 22:51 | Сообщение # 202        

Gosha1968

Друзья

 Активность: 580   

А на 3 и 6 клеммы из транса по одному или по два провода выходит? Вообще надо прозвонить весь транс и нарисовать как обмотки между собой подключены.
---------------------------------------------
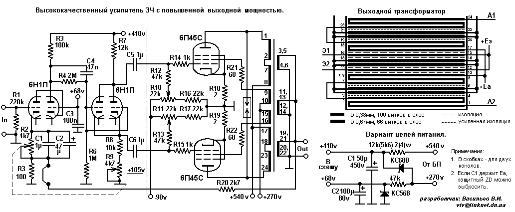
Под эту схему надо перемотать, и не морочить голову. Я бы советовал ТС 190 или тот 250ватт. А какие напряжения у ТС190?
---------------------------------------------
А у тебя ТПП190. Для питания подойдет, немного перемотать. Там четыре по 61.5в 0.3А. Немного домотать (к твоей схеме) и накальную намотать( там есь чем)



Под твою схему нужно домотать на каждой катушке 57вольт( 193витка около о.3мм) и накальную на каждой половине по 21витку ( проводом 1мм- у тебя будет от смотаных 5-13. 6-14. 7-15. и на другой катушке теже со штрихом. Вообще получится мощней чем надо, можно и на 6п41с, 6п36с, 6п44с, 6п3с усь сделать.

Прикрепления: 5593558.jpg (93.0 Kb) · 6810739.gif (15.2 Kb)
 Вт, 22.05.2012, 16:52 | Сообщение # 203        

ViT41

Пользователи

 Активность: 21   

Всем привет!Я смотрю всех распугал своими дурацкими вопросами? Спасибо Gosha1968 делится знаниями.Отвечаю по порядку:на 3 многожила на 6 2*0.2 (как обмотки между собой подключены) это для меня загадка.Но перематывать его не буду на нем же 5 лампочек работали и намотки безкаркасные.А схема для меня чем проще тем лучше тем более нужен транс помощнее.Остаются для перемотки ТСШ 170;ТБС 3 и ТП 190-1(хочется попробовать своими руками) А ТАНы я думаю у нас не проблема купить всё дело в цене (на рынок некогда,Дача)
Прикрепления: 9057358.shs (229.5 Kb)
 Вт, 22.05.2012, 20:43 | Сообщение # 204        

Gosha1968

Друзья

 Активность: 580   

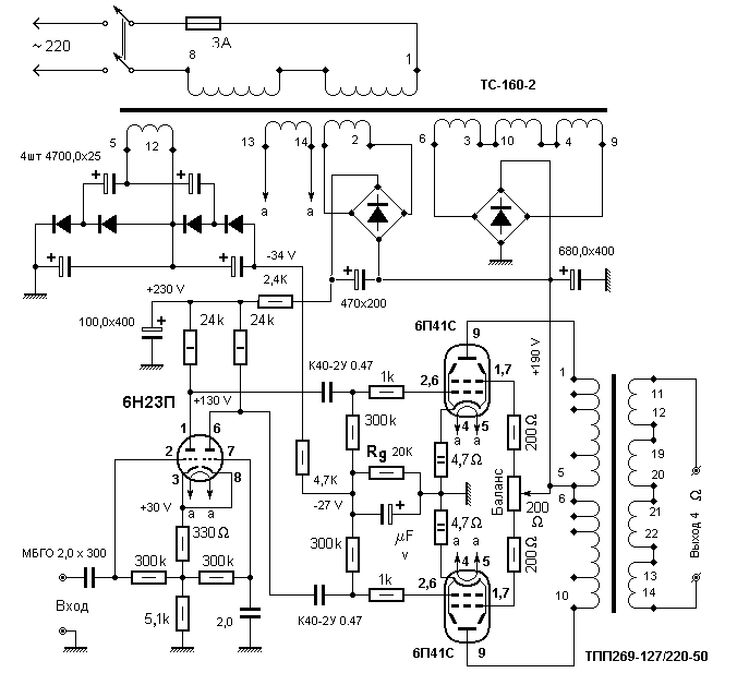
ViT41, вопросов дурацких не бывает. Из своего опыта скажу, проще перемотать ТП 190-1. Ш образные сложней. Собирать разбирать проще U образные. Я бы стаким трансом( ТП 190 ) делал на 6п45с, 6п42с. ТП 190-1- анодный, а накальный на ТС-40 или 80 (непойму какай у тебя на фото)-тоже несложно перемотать, сматываеш вторички и наматываеш накальную, правда надо провод потолще. Или можно двумя сразу мотать. Или отдельно две-три по 6.3 в намотать, а потом запаралелить. но важно что бы витков было точно одинаково. Я скажу мотать трансы не так уж и сложно. Терпения нужно немного. smile И конечно самое простое намоточное устройство. Даже самому можно сделать. И выходные конечно лучше самому намотать, но это посложней. Тренироваться советую на трансах по питанию. Разбирать и собирать трансы, есть свои ньюансы. Чтоб не гудел и т. д.
 Вт, 22.05.2012, 23:04 | Сообщение # 205        

MAESTRO

^

 Активность: 5564   

Да, перепутал. Вот правильная для ТП 190-1.

Прикрепления: 5916490.jpg (105.9 Kb)
 Ср, 23.05.2012, 11:06 | Сообщение # 206        

ViT41

Пользователи

 Активность: 21   

Спасибо господа! Для начала я всё же спрошу а можно мне хоть какую нибудь схему хоть на 1 ват собрать на этом(зелёном) для потренироватся а? Ну а паралельно сним потихонечку собирать вот такой(с виду конечно)



Прикрепления: 5540103.jpg (64.5 Kb) · 6835915.jpg (81.5 Kb)
 Ср, 23.05.2012, 11:40 | Сообщение # 207        

ViT41

Пользователи

 Активность: 21   

А трансы я мотал (у меня и станочик есть) и проводов разных хватает,вот только подскажите какое выходное напряжение должно быть у транса для этих схем на каждой обмотке и надо ли перематывать первичку?





Прикрепления: 3250453.jpg (117.2 Kb) · 4840412.gif (15.2 Kb) · 8268563.gif (17.9 Kb)
 Ср, 23.05.2012, 12:04 | Сообщение # 208        

феска

Друзья

 Активность: 3627   

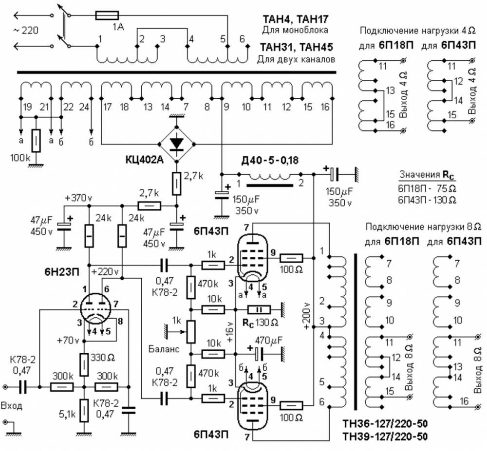
ViT41, у тяж все написано какое)) ты меня удевляеш написано анодное 200 вольт после выпрямления то еть на выходе транса 150-170 вольт переменки анодное
накал стандартное 6,3вольта переменкой
 Ср, 23.05.2012, 19:31 | Сообщение # 209        

ViT41

Пользователи

 Активность: 21   

Спасибо дорогой а как же ты вычислил если написано 200 то надо 150-170 наверное у тебя есть какието тайные знания? Если я правильно понял на питающем трансе (на два канала) должно быть кроме первички ещё 3 обмотки 1; 150-170 2; 6,3 3; 6,3 а может ты и диаметр провода подскажеш? Спасибо.
 Ср, 23.05.2012, 23:04 | Сообщение # 210        

феска

Друзья

 Активность: 3627   

ViT41, нет смысла накал разделять только если пробода нужного диаметра на анодное бери 0,3-0,7 больше нет смысла
накальное 2мм-и более если меломан то с запасом 4мм))
Поиск:

Внимание! Форум переехал на Tehnodium.ru




© Форум по электронике Мобильная версия