ФОРУМ ПО ЭЛЕКТРОНИКЕ



Архив - только для чтения
Black angel - ламповый усилитель
 Сб, 09.06.2012, 21:58 | Сообщение # 61        

Gosha1968

Друзья

 Активность: 580   

Важен не сайт. А схемное решение. На мой взгляд простое, оригинальное и эффективное.
---------------------------------------------
MAESTRO, всетаки, вот эти регулировки тембров были когдато в моде))). И причем я думаю успешно. Просто я на компе недавно . Эту схему нигде больше не видел.
 Пн, 11.06.2012, 17:01 | Сообщение # 62        

торсион

Пользователи

 Активность: 68   

MAESTRO, здорово ТАН1 точная копия ТАНа41 скинь схему подключения транса выходного Black angel
 Пн, 11.06.2012, 17:14 | Сообщение # 63        

MAESTRO

^

 Активность: 5564   

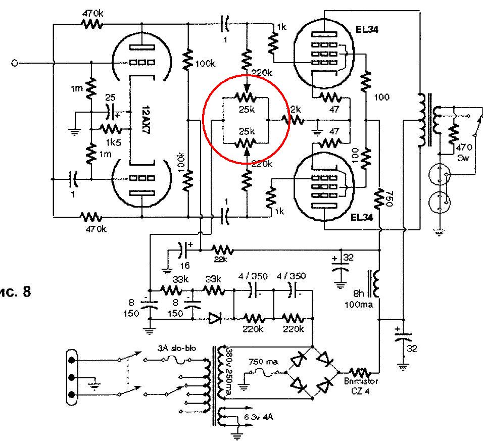
Каждый трансформатор подключается немного по своему, но общее у них одно: На динамик идёт накальная обмотка (6,3+6,3В), а все остальные обмотки соединяются цепочкой, с крайними выводами на аноды ламп, а в центр - подаётся питание. Это относится почти к любым моделям трансформаторов. Только следить чтоб был минимум двухкратный запас по мощности и на вторичках можно было набрать по 100В и выше (дополнительно к сетевой на каждое плечо).
Gosha1968, сколько я не пробовал делать пассивных темброблоков (уже не говорю про активные) в ламповых усилителях - всегда только лишние шумы вводились. Поэтому отказался от них наотрез. Да и современные лунч делают без всяких тембров. Посмотри по интернет магазинам модели и описание.
 Ср, 13.06.2012, 09:35 | Сообщение # 64        

Gosha1968

Друзья

 Активность: 580   

Конечно если источник звука комп или двд, то тембров не надо. А если сиди проигрыватель? Я делал темброблоки, вроде шумов не наблюдалось, теоретически конечно шумов добавляется. Это от переменных резисторов, но можно ведь применить переключатели на несколько положений. Даже на 3-5 положений хватит. Не понимаю как можно слушать "линейку". Особенно на широкополосниках. Середина ведь "выпирает". Человеческий слух не "линейка".Низкие и высокие мы слышим тише, а около 1-5кгц-громче всего. А почему народ слушает без регуляторов тембра, могу предположить , что современные АС, имеют завал на средних, в особенности двухполосных-самых распространенных. А вообще каждый сам решает этот вопрос для себя. Лично я себе делаю тембры в цепи ООС, с возможностью отключения.
 Ср, 13.06.2012, 16:11 | Сообщение # 65        

MAESTRO

^

 Активность: 5564   

Сейчас почти любой источник звука (мп-3, DVD, ПК, мобильник...) имеют темброрегулировку. Но если её нет - тогда конечно надо. Середина всегда нуждается в провале.
 Вс, 17.06.2012, 14:49 | Сообщение # 66        

Shum

Пользователи

 Активность: 3   

Добрый день Маэстро! рад что "наткнулся" на вас и ваш форум, ибо загорелся мечтою собрать "БА"! Живу в РнД, так, что купить лампы, и трансформатор не составит труда(даже хоть здесь :http://www.goodluckbuy.com/shuguang-electron-vacuum-tube-12au7.html ))
В электронике разбираюсь достаточно, паяю микроконтроллеры) но вот в аналоговой не слишком силен)

первый вопрос: можно ли купить небходимые элементы и просто спаять(без домотки ибо непонятно).
2: можно ли полную схему на 2канала БА, без додумывания совмещения онной)
3: никак не могу понять из двух схем - линейных вход слева ИЛИ СПРАВА на транс как показан на изначальной схеме.
имеется возможность заказать лампы - может лучше какие то импортные аналоги сразу? они даже продаются ПАРНО.. зачем? подобраны по параметрам?
где то прочитал - срок службы лампы 500часов.. есть смысл доставать из теелвизров? как узнать что эти ДВЕ лампочки Близнецы?
4. на схеме рукой написаны ножки 2 и 7..куда их цеплять?
5. если купить транс ТС180 то как правильно его подключить(распиновка).
Заранее спасибо..ну правда перечитал пару раз, сложно понять..
и в итоге по несложным подсчетам должно на два канала получится
10 ламп!!! почему 7????

подойдут ли эти лампы: http://www.goodluckbuy.com/shuguan....cs.html
30$ за 4штуки норм наверное?

Добавлено (17.06.2012, 14:49)
---------------------------------------------
разобрался почему 7 ламп)

поправил Shum - Вс, 17.06.2012, 14:00
 Вс, 17.06.2012, 15:10 | Сообщение # 67        

феска

Друзья

 Активность: 3627   

Shum, не хочу тебя растроить это цена 1 штуки((
 Вс, 17.06.2012, 15:38 | Сообщение # 68        

Shum

Пользователи

 Активность: 3   

сп за ответ Феска, но нет, это за 4штуки!) я часто заказываю с этого сайта)
 Ср, 20.06.2012, 08:34 | Сообщение # 69        

Звездавшоке

Пользователи

 Активность: 28   

Караул, людиииии.... помогите biggrin !!!! Суть проблемы - самопроизвольно ,время от времени раскаляется анод одной какой-нибудь из ламп 6п3.(в любом канале и в любое время это может произойти, одна лампа уже угарела- оставил усь без присмотра на пять минут, и этого хватило...) Регулировку токов покоя сделал по такой схеме . В начале грешил на переменные резисторы, но нет , сменил на другие. неисправность осталась.
Прикрепления: 3612522.jpg (119.7 Kb)
 Ср, 20.06.2012, 09:37 | Сообщение # 70        

MAESTRO

^

 Активность: 5564   

А что с током покоя? Может это идёт возбуд. Или нестабильность напряжения смещения - проконтролировать во времени.
Поиск:

Внимание! Форум переехал на Tehnodium.ru




© Форум по электронике Мобильная версия