ФОРУМ ПО ЭЛЕКТРОНИКЕ



Архив - только для чтения
Black angel - ламповый усилитель
 Вс, 14.04.2013, 09:21 | Сообщение # 141        

stamerSM

Пользователи

 Активность: 2   

MAESTRO, С предусилителем.

поправил stamerSM - Вс, 14.04.2013, 09:26
 Ср, 15.05.2013, 09:45 | Сообщение # 142        

sileron

Пользователи

 Активность: 265   

MAESTRO, я верно понял ТАН 1-127/220-50 как выходной сойдет в этот усилитель???
и вот этот скорее всего пойдет?



Двухтактный выходной трансформатор Hammond 1650H Мощность 40 Вт
Двухтактный (Push-Pull)
Ток первичной обмотки - 200 мА
Приведенное сопротивление первичной обмотки - 6,6 кОм
Отводы для 4/8/16-омной нагрузки
Рассчитан на использование с лампами 6П3С, EL34, Г-807
Отвод для ульралинейного включения
Масса 2,76 кг
Производитель: Hammond Manufacturing (Канада)

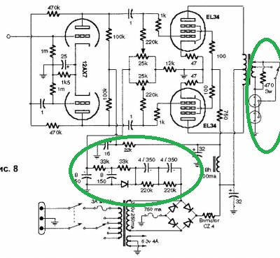
я думаю сперва на тан1 попробовать, если понравиться продать и собрать уже для себя на выходном хаммонд. я смотрю в статье 2 схемы по какой лучше собирать? на каких лампах, есть и ел34 4шт подоброные и 6п3с не подобраны. вход на каких лучше собирать, и еще не понятны вот эти две вещи на фото зеленым

Прикрепления: 2717210.jpg (53.3 Kb) · 8012618.jpg (44.1 Kb)
 Ср, 15.05.2013, 10:00 | Сообщение # 143        

MAESTRO

^

 Активность: 5564   

Пойдёт, конечно, только цена кучерявая - 5400 руб!

Вход на любых (подбирай по звучанию 6н2п, 6н23п...), а на выход EL34 предпочтительнее.

Зелёное снизу - выпрямитель -50В на питание сеток выходных ламп, а справа - гнёзда на динамики.
 Ср, 15.05.2013, 12:35 | Сообщение # 144        

sileron

Пользователи

 Активность: 265   

MAESTRO, все понятно вроде, еще пару вопросов:
1) лучше по этой схеме собирать или по 2ой?
2) при применение тан1 на выход, усть работает в каком режиме? или можно в нескольких?
3) на вторичной обмотки выходного просто резистор надо поставить параллельно обмотки?
4) входная лампа 12ах7, при замени ее на 6н23п, что в схеме меняется? при замене 6п3с на ел34, что менять в схеме надо?
5) тан 107 хватит на питание? 320в переменки 0.3а (хотя бы на 1н канал). постоянки я думаю как раз около 400 будит.
6) дроссель 100ма не слабый? если поставлю Дроссель Д50 Индуктивность: 10 Гн Номинальный ток: 0,2 А на 2 канала хватит его? или лучше сделать на каждый канал свой дроссель? есть также 2шт д39.
пока все biggrin простите меня пожалуйста за много вопросов, знаний то нема, как китаец собираю усилители biggrin
 Ср, 15.05.2013, 12:48 | Сообщение # 145        

MAESTRO

^

 Активность: 5564   

Обе схемы в умелых руках будут отлично звучать.
При любом трансформаторе выход работает в пентодном режиме.
Ничего менять не надо - 100% взаимозаменяемость.
Тан-107 пойдёт
Ставил даже дроссель на 0,08А - грелся, но работал. biggrin Д50 Индуктивность: 10 Гн Номинальный ток: 0,2 А на 2 канала - в самый раз.
 Ср, 15.05.2013, 13:43 | Сообщение # 146        

sileron

Пользователи

 Активность: 265   

MAESTRO, спасибо, на днях нарисую схему с цоколевкой, с лампами которые буду ставить, и с моими трансами.
 Вс, 19.05.2013, 18:36 | Сообщение # 147        

Gosha1968

Друзья

 Активность: 580   

http://elwo.ru/publ/lampovyj_unch_black_angel/1-1-0-52 Вот так можно. И ненадо доматывать.
 Пт, 13.12.2013, 12:54 | Сообщение # 148        

wowdima

Пользователи

 Активность: 20   

MAESTRO,собираю товарищу ВА,как рационально подключить ТС-180 в качестве силового,с удвоением напряжения,как на нижней схеме???Второй вопрос,есть транс и дросель,фото ниже,что за они???в дросселе провод 0.2мм примерно.
Прикрепления: 4505418.jpg (53.2 Kb)
 Пт, 13.12.2013, 19:36 | Сообщение # 149        

MAESTRO

^

 Активность: 5564   

Да, как по нижней схеме у меня и реализовано. Получается 420-440В. Про те трансы не знаю - подключи и померяй. 0,2мм маловато, но хватит для фильтрации анодного.
 Пт, 13.12.2013, 19:58 | Сообщение # 150        

wowdima

Пользователи

 Активность: 20   

т.е.в ТС-180 все обмотки последовательно,и одну 43,5В оставить на смещение???Спасибо..
Поиск:

Внимание! Форум переехал на Tehnodium.ru




© Форум по электронике Мобильная версия