ФОРУМ ПО ЭЛЕКТРОНИКЕ



Архив - только для чтения
Усилители микросхемные
 Вт, 01.11.2011, 15:02 | Сообщение # 201        

феска

Друзья

 Активность: 3627   

Kulibin76, 12 ватт написано же, динамик сразу скажу ужасный я не пойму у тя есть эта микра что ли или ты хочеш что нить простое собрать чтоб минимум деталей и эту микру еще предстоит купить
 Ср, 02.11.2011, 03:58 | Сообщение # 202        

Kulibin76

Пользователи

 Активность: 12   

феска,Во1-Я слабоват в электронике но имею небольшое представление.Во2-Да я хочу собрать усилок простой,по минимуму с двумя выходами,(блок питания от компа 250w-есть) но чтобы потянул эту колонку и c регулятором громкости-тоже есть.В 3-Цены на Усилки Заоблачные и они ещё и китайские,уверенности в том что они будут работать долго и надёжно НЕТ.В 4-Ставил усилок от "РОМАНТИКИ"дал больше середины громкости всё было хорошо,на следующий день включаю звука нет,кавырял,кавырял нифига angry вот и решил собрать но собирал на TDA2030-слабовато и что то не так-1мин звук есть потом пропадает,беру пальцами за радиатор и 1контакт ТДА звук появляется,ну не буду же я вечно держать sad вот так как то biggrin
Украина.Одесская обл.Б-Днестровский


поправил Kulibin76 - Ср, 02.11.2011, 04:29
 Ср, 02.11.2011, 09:55 | Сообщение # 203        

феска

Друзья

 Активность: 3627   

Kulibin76, собирай по этой микросхеме как и за думал там 2 левых и 2 правых канала по 1 с каждой стороны оставь на будущие и собирай регулировка громкости звука осуществляется по уровню входящего сигнала, можно задействовать доп регулировку еще током питания но придется модифицировать твой БП
радиатор микры сразу боьшой лучше всего подходит от компового проца с обязательным использованием термопасты)) ножки перед пайкой пролуди хорощенько, и не гни их особо ломаются
 Чт, 03.11.2011, 02:49 | Сообщение # 204        

Kulibin76

Пользователи

 Активность: 12   

феска,Спасибо за совет!!!Буду собирать,вот только приобрету все детали!Если что отпишусь! smile
---------------------------------------------
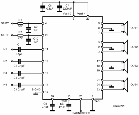
феска,ты мог бы нарисовать что куда по руски и мне нужно только 2 канала,то есть на остальные детали тодпаевать не нужно?и не понятно подсоединение динамиков (7,8,9-7лев,9прав, 8 ихний минус) что ли? и если на входе ставить регулятор громкости то как? пожалуйста прорисуй wink и Это схема сборки ТДА7560 или 7386?какую лучше преобристи?

Прикрепления: 4865843.gif (16.3 Kb)


поправил Kulibin76 - Чт, 03.11.2011, 02:55
 Чт, 03.11.2011, 13:20 | Сообщение # 205        

феска

Друзья

 Активность: 3627   

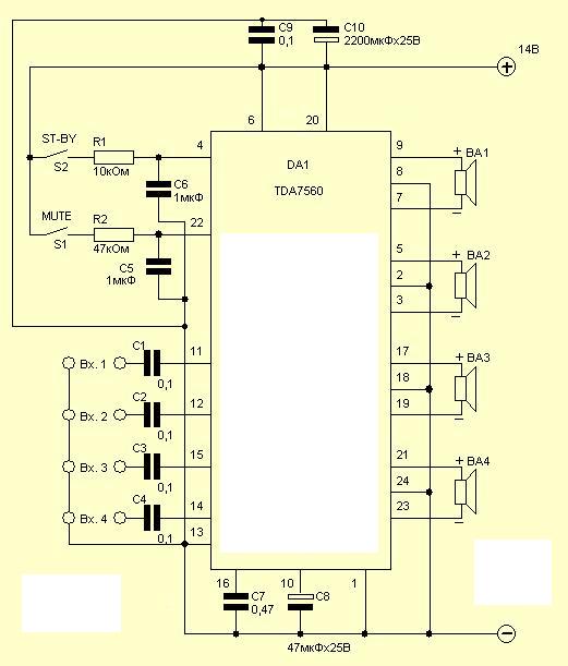
а звук регулируется источником звука (что у тя там плеер телефон??)

Прикрепления: 2114167.jpg (37.2 Kb)
 Сб, 05.11.2011, 01:31 | Сообщение # 206        

Kulibin76

Пользователи

 Активность: 12   

феска,Огромное Спасибо.Небольшое уточнение 16контакт 0,47мкф или 0,1 ? ST-BY и MUTE это два тумблера с общим плюсом или один тумблер с парой контактов и что обозначает ST-BY и MUTE ?
И такой интересный вопрос - ты думаеш потянет 15омный динамик на ВА1 или как то можно спаровать выход например ВА1 с ВА2 или ВА1 с ВА3 ?
Нашёл радиатор от старенького проца с кулиром 5х5см,пойдёт?


поправил Kulibin76 - Сб, 05.11.2011, 01:52
 Вс, 06.11.2011, 20:53 | Сообщение # 207        

феска

Друзья

 Активность: 3627   

Kulibin76, спаровать нельзя если только трансом потянет однозначно радиатор пойдет при условии 12 вольтового питания и мощности 45ватт без кулера и 100 с кулером
на 16 контакте можно любой лучше пленку кнопки это 2 разных тумблера
 Ср, 09.11.2011, 03:18 | Сообщение # 208        

Kulibin76

Пользователи

 Активность: 12   

феска,привет!Всё приобрёл,посидел попаял короче собрал,звука нет-гудит,подсоеденил динамичек по меньше а он аш греется и звука как не было так и нет.
Подскажи что не так,вроде собрал по твоей схеме правильно,перепроверил раза 4 вроде правильно!
 Ср, 09.11.2011, 08:26 | Сообщение # 209        

феска

Друзья

 Активность: 3627   

Kulibin76, при касании входа изменение фона в динамиках наблюдается??
питание схемы какое??
звук с чего подаешь??
попробуй без входных кондеров??
попробуй выход через кондер электролит(последовательно не должен греться)


поправил феска - Ср, 09.11.2011, 09:08
 Пт, 11.11.2011, 01:49 | Сообщение # 210        

Kulibin76

Пользователи

 Активность: 12   

феска,При касании входа никаких изменений!
питание 11в!
звук подаю с компа!
проста понимаеш что обмотка динамика дымит!

Добавлено (11.11.2011, 01:49)
---------------------------------------------
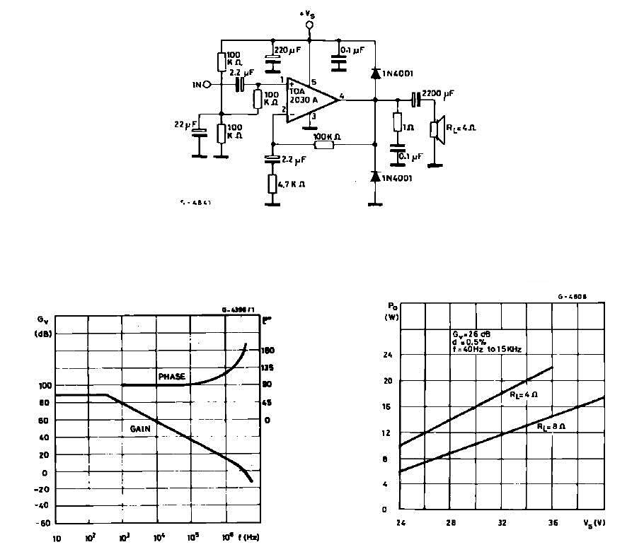
феска,Сидел паял нифига нет звука,начал тыкать на угад, angry угадал ,микра стельнула angry пипец кароче. dry
Взял ту ТДА2030А что я собирал раньше,пересмотрел поколдовал,заработала! smile
Но даю громкость на компе (в плэире) выше 35%начинает хрипеть как будто перегрузка!
Подскажи может какие детали помощнее поставить?!
Прикрепления: 0713035.jpg (66.1 Kb)


поправил Kulibin76 - Вс, 13.11.2011, 05:50
Поиск:

Внимание! Форум переехал на Tehnodium.ru




© Форум по электронике Мобильная версия