|
Усилители звука на радиолампах
|
|
| | Чт, 25.12.2014, 12:17 | Сообщение # 81
|
MAESTRO ^ Активность: 5564
| Круглый - это кто, дроссель?
|
|
| | Чт, 25.12.2014, 12:19 | Сообщение # 82
|
Яр Пользователи Активность: 202
| Цитата Gamzan (  ) Нормальная схема, собирал, то MAESTRO, Как твое мнение, ТВЗ на торе. Щас можно заказать намотку ТВЗ тора габаритной мощностью до 100 Вт в пределах 1300 рубДобавлено (25.12.2014, 12:19) ---------------------------------------------
Цитата Яр (  ) Круглый - это кто, дроссель?
Да это дроссель
|
|
| | Чт, 25.12.2014, 13:09 | Сообщение # 83
|
MAESTRO ^ Активность: 5564
| Дороговато... Не привычно тратить на сборку больших денег.
|
|
| | Чт, 25.12.2014, 18:51 | Сообщение # 84
|
Paveel Пользователи Активность: 5
| Gamzan а вместо EF22 что можно поставить я имею в виду схему из поста 71
|
|
| | Чт, 25.12.2014, 19:48 | Сообщение # 85
|
Gamzan Друзья Активность: 1327
| Цитата Paveel (  ) вместо EF22 что можно поставить Paveel, 6Ж8, смотри пост 65. Если нет опыта построения ламповых усилителей, делать эту схему не советую. Здесь нет развязок по постоянному напряжению, все режимы ламп завязаны между собой вкруговую. Сложноват в настройке. У меня до ума еще не доведен.
|
|
| | Пн, 29.12.2014, 00:01 | Сообщение # 86
|
Ma$ter Пользователи Активность: 51
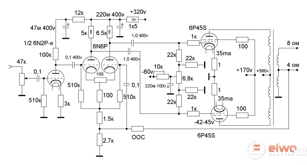
| Доброго вечера всем! Опубликую версию своего ЛУНЧ моно. Схема:
Хронология постройки: 1. Слесарные и столярные работы ориентировочно 1 год назад. (Scooter) 2. Установка трансформаторов, дросселя и имеющихся элементов, и разводка их. (Scooter, Ma$ter) 3. Перерыв. (Права на владение данной стадии ЛУНЧа переходят к Ma$ter). 4. 29 июня 2014г. начались работы по выделению нужной карты напряжений, которые необходимы были для данной схемы. Ну а дальше настройка, разводка всего остального. (Gamzan, Ma$ter). 5. Отладка, настройка. (Gamzan, Ma$ter). 6. Последние штрихи (Ma$ter). 7. Никак нет времени сделать подсветку ручки громкости.
Назначение: расчитывалось использование для канала subwoofer.
Фото: На фото видно анодный транс ТА262, дроссель, и ТВЗ ТАН (данных нет :)). Накальный транс и он же напряжение смещения в отдельном отсеке. П.С. В общем вес лунча можете попробовать представить, но у вас не получиться.
Огромное спасибо за техническую и моральную поддержку настройки схемы БП, и совмещения её с схемой самого УНЧ, так же отладки всего, включая испытания. Gamzan. В июле 2014 года.
поправил Ma$ter - Пн, 29.12.2014, 00:44 |
|
| | Пн, 29.12.2014, 10:28 | Сообщение # 87
|
MAESTRO ^ Активность: 5564
| Простой и строгий дизайн - неплохо. Напряжение как и по схеме - 560В? От того чёрного ТОРа? И как 6п45с с выходной мощностью?
|
|
| | Пн, 29.12.2014, 17:59 | Сообщение # 88
|
Ma$ter Пользователи Активность: 51
| Да все напряжения в соответствии с схемой. Кроме вых. транса он левый. (по схеме там другой какой-то используется) При 25ти ваттах качество еще вменяемое, при 35ти ватах уже слышны значительные искажения. АС с динамиком типа 25ГД-26Б.
|
|
| | Пн, 29.12.2014, 18:58 | Сообщение # 89
|
Gamzan Друзья Активность: 1327
| Костя, ну наконец-то! Я думал, не дождусь . От себя скажу, что возня с напряжением +560В - то еще удовольствие. Учитывая мою привычку частенько пукать( ) плюс с минусом, до сих пор удивляюсь, как оно нигде не стрельнуло и не бахнуло... На данный момент это мой рекорд, с более высоким напряжением я еще не сталкивался.
|
|
| | Пн, 29.12.2014, 20:11 | Сообщение # 90
|
Ma$ter Пользователи Активность: 51
| Могу приехать с ГУ50 на праздники. С 1200вольт поколдуем, в двоём веселее. (шутка) Всех с наступающим Новым Годом.
поправил Ma$ter - Пн, 29.12.2014, 20:13 |
|