|
Усилители звука на радиолампах
|
|
| | Вс, 01.02.2015, 13:29 | Сообщение # 111
|
antonioneo Пользователи Активность: 5
| Gamzan, на вид он неочень без корпуса, как соберу в корпус, так сразу и выложу
|
|
| | Вс, 01.02.2015, 13:33 | Сообщение # 112
|
antonioneo Пользователи Активность: 5
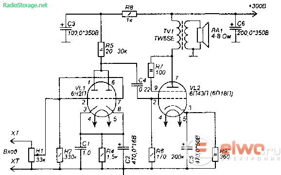
| вот схема
|
|
| | Вс, 01.02.2015, 14:45 | Сообщение # 113
|
Gamzan Друзья Активность: 1327
| antonioneo, выходники какие использовал?
|
|
| | Вс, 01.02.2015, 15:21 | Сообщение # 114
|
antonioneo Пользователи Активность: 5
| Предварительний каскад на 6н1п, окончений на 6п43п-е, трансформатор выходной твк, вполне справляеться то своей задачей
|
|
| | Вс, 01.02.2015, 15:26 | Сообщение # 115
|
Gamzan Друзья Активность: 1327
| Из готовых если попадутся ТВЗ-Ш, попробуй обязательно.
|
|
| | Вс, 01.02.2015, 17:37 | Сообщение # 116
|
antonioneo Пользователи Активность: 5
| Обязательно поставлю!
|
|
| | Вт, 03.02.2015, 16:21 | Сообщение # 117
|
grant Пользователи Активность: 304
| По примеру Gamzana решил показать блок питания который на днях закончил. Это для двухтакта на 6П14П по схеме Лабутина.
Дроссели на 3 Гн заказывал в компании "Транслед" в Новгороде. Схему задержки включения анодного выбрал на таймере IC555 и очень этим доволен. Работает великолепно. Установить нужное время легко, срабатывает чётко, ни малейшего намёка на дребезг контактов реле. Мне понравилось. В задающей цепи я поставил конденсатор 100 mF и резистор 470 k и получил задержку ровно 60 секунд. Может быть слишком всё уплотнил, но корпус планирую всего 270 на 230 мм, приходится ужиматься. Да, ещё. Стоит ли соединять минус блока питания с корпусом или лучше вывести его на общую шину рядом с регулятором громкости?
поправил grant - Вт, 03.02.2015, 16:25 |
|
| | Вт, 03.02.2015, 19:55 | Сообщение # 118
|
Gamzan Друзья Активность: 1327
| grant, твои конструкции вызывают у меня просто благоговение какое-то... Даже маркировка на стороне деталей, как шелкография... Ни дать, ни взять, с завода спер ! У меня софтстарт сделан двухступенчатым. Сначала 30с греются катоды, потом включается плавная подача анодного в течение примерно 45с. По завершении включается индикатор уровня сигнала на передней панели, сигнализируя о готовности. Причем после всех этих манипуляций оба реле остаются в отпущенном состоянии. Цитата grant (  ) Стоит ли соединять минус блока питания с корпусом или лучше вывести его на общую шину рядом с регулятором громкости? Общий провод с шасси соединять нужно, но только в одной точке. Это место обычно или около входных разъемов, или около РГ, или в БП возле конденсатора фильтра. Надо смотреть, чтобы фона не было. Я обычно соединяю около РГ.
|
|
| | Вт, 03.02.2015, 20:42 | Сообщение # 119
|
grant Пользователи Активность: 304
| Gamzan, Спасибо за высокую оценку моих скромных достижений. А если серьёзно, до вашего уровня мне ещё очень далеко. Вот только недавно узнал, что пару нормально замкнутых контактов реле нужно было использовать для разряда конденсаторов фильтра после отключения питания. Но плата была уже сделана и решил оставить как есть. Что до надписей на платах - это обычный ЛУТ. Просто на изготовление платы уходит чуть больше времени. Главное точно определить где должна быть каждая конкретная надпись. А сам процесс пустяковый. Я делаю ламинатором и на подобранной бумаге. Хорошо ещё сверху покрыть плату тонким слоем лака, я, правда так делаю редко, но с лаком надписи держатся намного прочнее.
|
|
| | Вт, 03.02.2015, 20:55 | Сообщение # 120
|
Gamzan Друзья Активность: 1327
| Мне тоже до уровня еще далеко... Особенно, когда приходится почти все делать из того, что валяется вокруг. На нормальные материалы финансов катастрофисиськи не хватает...
|
|