ФОРУМ ПО ЭЛЕКТРОНИКЕ



  • Страница 1 из 6
  • 1
  • 2
  • 3
  • 4
  • 5
  • 6
  • »
Архив - только для чтения
Детекторные устройства
 Сб, 24.04.2010, 09:52 | Сообщение # 1        

MAESTRO

^

 Активность: 5564   

Схемы, конструкции и описание детекторов.

УНИВЕРСАЛЬНЫЙ ПРОБНИК
УНИВЕРСАЛЬНЫЙ ДЕТЕКТОР
ИНДИКАТОР НАПРЯЖЕНИЯ
ИСКАТЕЛЬ ПРОВОДКИ

 Вт, 27.04.2010, 10:31 | Сообщение # 2        

Гром

Гости

 Активность:    

Делал детектор с катушкой и индикатором, только ставил ещё транзистор с 3В батарейкой. Чутьё намного выше.
 Ср, 02.06.2010, 10:35 | Сообщение # 3        

Влад

Гости

 Активность:    

Напишите пожалуста схему с усилителем на транзисторе и питанием, мне надо для поиска источника радиосигнала.
 Пт, 04.06.2010, 12:31 | Сообщение # 4        

-igRoman-

Друзья

 Активность: 1198   

Влад, схема не проблема :) хоть в каком примерно диапазоне волн должен работать детектор.???
 Пт, 04.06.2010, 13:51 | Сообщение # 5        

Влад

Гости

 Активность:    

Не знаю точно. Чем шире тем лучше. Так чтобы от 30 мегагерц и до децимитровых волн гдето. И от одной пальчиковой батарейки на 1,5 вольта.
 Сб, 05.06.2010, 19:51 | Сообщение # 6        

-igRoman-

Друзья

 Активность: 1198   

При всей своей простоте загвоздка будет в питании 1.5в, сложно будет выбирать режимы работы транзисторов, конечно если применять германиевые - какбы проблем нет. И самые чувствительные детекторы строится по типу моста, сравнение делается на микрухе - так, что там опять проблема с питанием.
Вот недавно делал, хорошо слышит цифру.
Прикрепления: 5276263.gif (15.1 Kb)
 Пн, 07.06.2010, 00:29 | Сообщение # 7        

Влад

Гости

 Активность:    

Сложноватая для меня схема, можно чтонибудь на одном транзисторе и батарейке? Чтоб в маленьком корпусе было.
 Пн, 07.06.2010, 12:44 | Сообщение # 8        

-igRoman-

Друзья

 Активность: 1198   

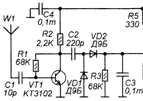
Один транзистор как бы не серьёзно, чувствительность при широкой полосе будет низкая. Мало сгодиться для поиска источника излучения, мощностя есть и единицы милливатт.
Если тебе просто смотреть работает жук или нет, можно и вообще без транзисторов
http://elwo.ru/publ/universalnyj_detektor/1-1-0-30
вместо резистора 3к можно поставить настраиваемый контур...., короче это уже получается резонансный волномер.
Вот проще не бывает!!!! От типа используемого транзистора и диодов будет меняться и диапазон, параллельно Р3,С3 ставишь микроамперметр от индикатора уровня записи, плюсом к диодам.
Прикрепления: 8864151.gif (5.4 Kb)
 Пн, 07.06.2010, 12:49 | Сообщение # 9        

MAESTRO

^

 Активность: 5564   

Точно Влад, данный однокаскадный УВЧ для этих целей вполне пойдёт. И простой и много тока не тянет, можно питать от 3-9В. Например старый аккумулятор от мобильника 3,7В.
 Сб, 03.07.2010, 18:58 | Сообщение # 10        

Гость

Гости

 Активность:    

дайте схему волномера для настройки металлоискателя, а то осцилографа нету(
  • Страница 1 из 6
  • 1
  • 2
  • 3
  • 4
  • 5
  • 6
  • »
Поиск:

Внимание! Форум переехал на Tehnodium.ru




© Форум по электронике Мобильная версия