ФОРУМ ПО ЭЛЕКТРОНИКЕ



  • Страница 5 из 6
  • «
  • 1
  • 2
  • 3
  • 4
  • 5
  • 6
  • »
Архив - только для чтения
Детекторные устройства
 Вс, 12.02.2012, 21:00 | Сообщение # 41        

MAESTRO

^

 Активность: 5564   

Там где другая сторона стрелки - исток. Так подключаешь его к резисторам?
 Вс, 12.02.2012, 21:03 | Сообщение # 42        

VincentED

Пользователи

 Активность: 20   

Исток к резисторам, сток минус, затвор антена
 Вс, 12.02.2012, 21:04 | Сообщение # 43        

MAESTRO

^

 Активность: 5564   

Правильно. Значит грешим на убитый транзистор.
 Вс, 12.02.2012, 21:08 | Сообщение # 44        

VincentED

Пользователи

 Активность: 20   

Хм, два и оба убиты
 Вс, 12.02.2012, 21:14 | Сообщение # 45        

MAESTRO

^

 Активность: 5564   

Проверь так: подай на полевик питание несколько вольт с милиамперметром в истоковой цепи, а к затвору коснись пальцем. Должно быть изменение тока.
 Вс, 12.02.2012, 21:36 | Сообщение # 46        

VincentED

Пользователи

 Активность: 20   

Изменяется от 0 до 2 мА
 Вс, 12.02.2012, 22:16 | Сообщение # 47        

MAESTRO

^

 Активность: 5564   

Значит рабочий.
 Пн, 13.02.2012, 00:16 | Сообщение # 48        

VincentED

Пользователи

 Активность: 20   

Попробую другую схему, будем считать, что в этот раз я спаял мультивибратор :)))
 Пн, 13.02.2012, 00:18 | Сообщение # 49        

MAESTRO

^

 Активность: 5564   

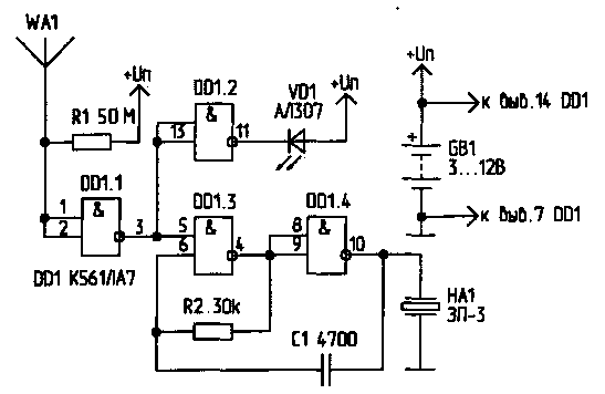
Почти все схемы детекторов имеют на входе полевики. Разве что можно на 561-й попробовать.



Прикрепления: 9271912.jpg (14.2 Kb) · 7953746.gif (5.5 Kb)
 Вт, 21.02.2012, 18:29 | Сообщение # 50        

serz

Пользователи

 Активность: 103   

вот детектор жуков нашел,но не знаю будет ли он работать посмотрите пожалуйста, описания нет вот фото
Прикрепления: 3961477.jpg (43.3 Kb)
  • Страница 5 из 6
  • «
  • 1
  • 2
  • 3
  • 4
  • 5
  • 6
  • »
Поиск:

Внимание! Форум переехал на Tehnodium.ru




© Форум по электронике Мобильная версия