|
Источники резервного и бесперебойного питания
|
|
| | Вс, 17.10.2010, 18:07 | Сообщение # 1
|
MAESTRO ^ Активность: 5564
| Источники резервного и бесперебойного питания - схемы, настройка, ремонт. АВАРИЙНОЕ ПИТАНИЕ
|
|
| | Пн, 18.10.2010, 15:45 | Сообщение # 2
|
Гость Нажига Гости Активность:
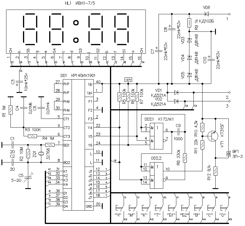
| Вопрос таков.Часы(кр145ик1901)от трехпрограммника "Электроника".Крайние символы индикатора(10-ки часов и минуты)светятся с достаточной яркостью,а средние(часы,точки и 10-ки минут)еле дышат.Ход нормальный.В чем причина?
|
|
| | Пн, 18.10.2010, 16:28 | Сообщение # 3
|
MAESTRO ^ Активность: 5564
| Возможно снизилось напряжение анода индикатора. Проверь напряжения по схеме часов. 
|
|
| | Вт, 19.10.2010, 12:23 | Сообщение # 4
|
-igRoman- Друзья Активность: 1198
| Индикатор теряет эмиссию, все зависит как нанесли люминофор Бывает даже в обычных ИВ-3, некоторые сегменты отличаются по свечению только замена!!!
|
|
| | Вт, 19.10.2010, 18:25 | Сообщение # 5
|
MAESTRO ^ Активность: 5564
| Но всё-же вначале попробуй для эксперимента поднять напругу анода либо накала. Заменить его не так то легко!
|
|
| | Вт, 09.11.2010, 13:23 | Сообщение # 6
|
ГостьНажига Гости Активность:
| На схеме преобразователя транзистор Q1 изображён неверно.
|
|
| | Вт, 09.11.2010, 13:42 | Сообщение # 7
|
-igRoman- Друзья Активность: 1198
| Как понять изображен неверно???????? Низкочастотный n-p-n транзистор С9014 русский аналог КТ3102
|
|
| | Вт, 09.11.2010, 15:05 | Сообщение # 8
|
ГостьНажига Гости Активность:
| Коллектор к минусу питания?
|
|
| | Ср, 10.11.2010, 12:43 | Сообщение # 9
|
-igRoman- Друзья Активность: 1198
| ГостьНажига, все верно, на принципиальной Q1 коллектор - эмиттер, нужно поменять местами Эмиттер сидит на минусе Распиновка, на плате все верно (работает же, гадюка!!!!) СПС за внимательность MAESTRO, есть смысл исправлять? или пусть читают форум
|
|
| | Ср, 10.11.2010, 16:45 | Сообщение # 10
|
MAESTRO ^ Активность: 5564
| Пусть видят какие бывают чудеса!
|
|