|
Источники резервного и бесперебойного питания
|
|
| | Пт, 10.12.2010, 03:55 | Сообщение # 11
|
Deni Пользователи Активность: 9
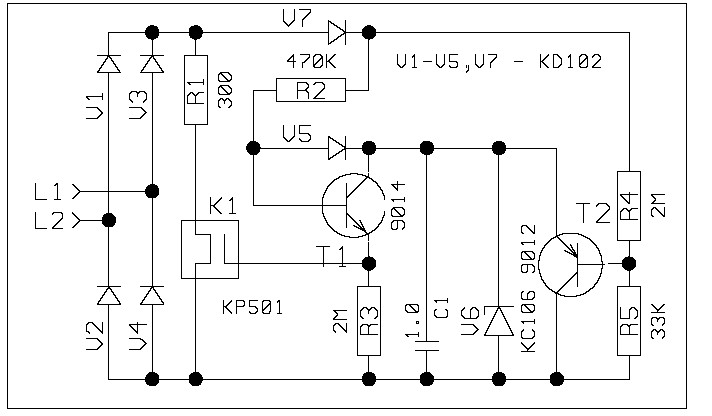
| Я тут недалеко от Китая живу. Хочу Вам сообщить, что лично мной за последние 2 года на разных устройствах встречены штук 6 тр-ров С9014 с нестандартной распиновкой, вот Вам и чудеса
|
|
| | Пт, 10.12.2010, 13:14 | Сообщение # 12
|
-igRoman- Друзья Активность: 1198
| Deni, ну это не как с географией местности не связано, просто штампуют ребята ушлые. С9014 хоть не страшный транзистор. Я вот с инверторами (импульсные БП) дела имею, тоже чего там только нет, - уже ничему не удивляюсь. Так здесь шаг влево, шаг в право срывает крышу транзисторам. А про экономки, отдельная тема, - Китай жжет!!!
|
|
| | Вт, 22.03.2011, 23:18 | Сообщение # 13
|
MAESTRO ^ Активность: 5564
| Ребята, помогите решить проблему с подключением кнопочного телефона к 5-ти вольтовой АТС Квант. Дисковые работают, а кнопочный ни один. Знаю что есть какие-то адаптеры...
|
|
| | Сб, 26.03.2011, 13:11 | Сообщение # 14
|
-igRoman- Друзья Активность: 1198
| Это подозреваю аналоговая АТС Если так. найти схему от аппарата, и подкинуть ему внешнее питание +15 вольт, на питание микросхемы номеронабирателя, и схемы разговорного узла. Кнопочные, с ключами КТ1014 переделаются без проблем, а дешевые Китай - незнаю. нужно будет пробовать
|
|
| | Пн, 28.03.2011, 08:26 | Сообщение # 15
|
MAESTRO ^ Активность: 5564
| Переделываются как? Видел вот такие схемы, что думаешь? 
|
|
| | Пн, 28.03.2011, 12:57 | Сообщение # 16
|
-igRoman- Друзья Активность: 1198
| Ну и что это за схемы?, как на адаптер чет не схожи. Это блокировка набора номера, чтоб никто не подсел на линю, собирается отдельно как адаптер. Полевики шунтирую линию ,что там - что там
|
|
| | Сб, 09.07.2011, 10:05 | Сообщение # 17
|
Conexant Пользователи Активность: 1
| Ув -igRoman- http://elwo.ru/publ/avarijnoe_pitanie/1-1-0-396 ошибочка с нумерацией выводов БИС VD1 включается между 1м и 48м выводом
|
|
| | Сб, 09.07.2011, 18:52 | Сообщение # 18
|
-igRoman- Друзья Активность: 1198
| Посмотри внимательней на марку БИС
Ты попутал с этой
У меня она накрылас,ь и я поставил вот такую
И на схеме указал ИК11, хотя это роли не какой не играет.
С.П.С
|
|
| | Сб, 25.02.2012, 20:55 | Сообщение # 19
|
lykas Пользователи Активность: 1575
| как работает ббп.я нашел от компа блок но в нем сел аккамулятор.без аккамулятора запустится?
|
|
| | Сб, 25.02.2012, 21:40 | Сообщение # 20
|
MAESTRO ^ Активность: 5564
| Нет, надо новый АКБ.
|
|