ФОРУМ ПО ЭЛЕКТРОНИКЕ



  • Страница 1 из 9
  • 1
  • 2
  • 3
  • 8
  • 9
  • »
Архив - только для чтения
RGB прожектор
 Пт, 23.03.2012, 18:49 | Сообщение # 1        

Romick_Калуга

Друзья

 Активность: 348   

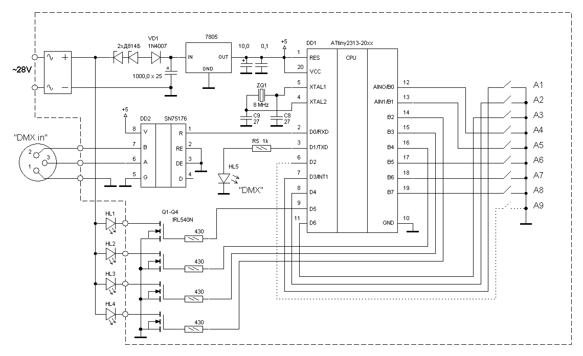
Представляю на обозрение схему RGB светодиодного прожектора. Есть схема, прошивка. Плату нарисовал, но это не составит труда никому. Пока только собираюсь спаять, задержка только из-за того, что не могу найти подходящего красивого корпуса, похожего на маленький прожектор.
Схема, конечно не моя. Ее выложили спецы по световым приборам на форуме, который прикрыли (может быть как раз из-за того, что слишком много секретных схем с прошивками выкладывали на всеобщее обозрение). Надеюсь, что авторы не обидятся, т.к. не было такого условия, чтобы хранить это в тайне. И им, этим авторам отдельное ОГРОМНОЕ спасибо за эту схему.
 Пт, 23.03.2012, 18:54 | Сообщение # 2        

Romick_Калуга

Друзья

 Активность: 348   

Вот схема:

Это классический вид:


Это прошивки и пояснения к ним:
Прикрепления: 3633961.gif (17.3 Kb) · 2878688.gif (47.9 Kb) · 8391849.gif (66.5 Kb) · LED_RGB_4.2.rar (8.7 Kb)
 Пт, 23.03.2012, 19:18 | Сообщение # 3        

MAESTRO

^

 Активность: 5564   

Сам собираешься её делать? Интересная штука. Сейчас все на светодиодный свет переходят. Вот фото из нашего нового кабака:



Прикрепления: 7092653.jpg (46.4 Kb) · 4574272.jpg (70.8 Kb)
 Пт, 23.03.2012, 19:22 | Сообщение # 4        

Evgeniy811

Друзья

 Активность: 1199   

класс!!! а нам когда-то лампочки красить приходилось... biggrin
 Пт, 23.03.2012, 19:38 | Сообщение # 5        

Romick_Калуга

Друзья

 Активность: 348   

Да я до сих пор крашу лампочки понемногу. Собрал лет несколько назад светомузыку на работу, поэтому раз в год или раз в два года подкрашиваю.

Добавлено (23.03.2012, 19:38)
---------------------------------------------

Quote (MAESTRO)
Вот фото из нашего нового кабака

Красиво смотрится. Так и хочется сейчас к вам в кабак... Для дома я соберу размером поменьше штуки 4, чтобы одну стенку подсвечивали от программы.
 Пт, 23.03.2012, 19:39 | Сообщение # 6        

Evgeniy811

Друзья

 Активность: 1199   

Quote (Romick_Калуга)
на работу
??? работа с цветомузыкой связана?
 Пт, 23.03.2012, 19:56 | Сообщение # 7        

Romick_Калуга

Друзья

 Активность: 348   

А как же? В день строителя или на 8 марта работа напрямую связана со светомузыкой. А в остальные дни у нас проектная фирма, а я - главный инженер (по образованию и профессии инженер-строитель).
 Сб, 24.03.2012, 16:50 | Сообщение # 8        

-igRoman-

Друзья

 Активность: 1198   

Quote (Romick_Калуга)
задержка только из-за того, что не могу найти подходящего красивого корпуса, похожего на маленький прожектор.

А так не устроит

RGB прожектор
http://www.kilev.com.ua/page.php?id=177

это переделанный Светильник наружного освещения
цена от 130 рублей
Прикрепления: 5839899.jpg (78.5 Kb) · 5081058.jpg (36.8 Kb)


поправил -igRoman- - Сб, 24.03.2012, 16:54
 Сб, 24.03.2012, 17:19 | Сообщение # 9        

Romick_Калуга

Друзья

 Активность: 348   

А какие габариты у этого светильника? Хочется не очень большой, чтобы на стену повесить 4 таких и не бросались в глаза
 Пн, 09.04.2012, 10:17 | Сообщение # 10        

Вовчик

Пользователи

 Активность: 73   

Здравствуйте! Мне очень понравилась ваша схема, а можно такую - же на 32 канала? Спасибо!
  • Страница 1 из 9
  • 1
  • 2
  • 3
  • 8
  • 9
  • »
Поиск:

Внимание! Форум переехал на Tehnodium.ru




© Форум по электронике Мобильная версия