ФОРУМ ПО ЭЛЕКТРОНИКЕ



  • Страница 2 из 9
  • «
  • 1
  • 2
  • 3
  • 4
  • 8
  • 9
  • »
Архив - только для чтения
RGB прожектор
 Пн, 09.04.2012, 11:11 | Сообщение # 11        

Romick_Калуга

Друзья

 Активность: 348   

Quote (Вовчик)
Мне очень понравилась ваша схема, а можно такую - же на 32 канала?


Я не совсем понял, зачем на 32 канала? Ты хочешь поставить светодиоды 32-х цветов? Или ты хочешь сделать свитчер? Так это уже другая схема, другая прошивка контроллера, и наверное сам контроллер другой, с соответствующим количеством выходов.
Посмотри на сайте musidora.ru, там был свитчер.
 Пн, 09.04.2012, 11:13 | Сообщение # 12        

Вовчик

Пользователи

 Активность: 73   

Спасибо, обизательно гляну!
 Сб, 23.06.2012, 00:42 | Сообщение # 13        

znk

Пользователи

 Активность: 6   

Может у кого есть схема Led rgb tube с пошивкой?
 Чт, 28.06.2012, 13:43 | Сообщение # 14        

Nocs

Пользователи

 Активность: 1   

Большое спасибо за схемку!
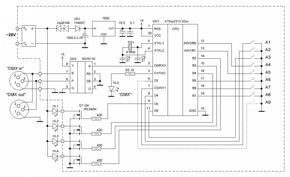
У меня вопросик один...вижу на схеме "DMX in" а куда же подевался "DMX out"?

Наверное, как-то так должно быть?
Прикрепления: 4290452.jpg (70.8 Kb)


поправил Nocs - Чт, 28.06.2012, 13:47
 Сб, 30.06.2012, 11:23 | Сообщение # 15        

Romick_Калуга

Друзья

 Активность: 348   

Если прожектор маленький, то для экономии места out можно не ставить. Наверное, это имелось ввиду в этой схеме. Я предполагаю делать для дома такие прожектора, светодиодов там будет немного, поэтому проблема найти лишнее место для выхода. Да и лишние провода на стене в зале красоты не добавят
 Вс, 02.09.2012, 20:15 | Сообщение # 16        

mont

Пользователи

 Активность: 14   

Буду пробовать делать. У меня вопрос. Диоды подключены последовательно для 28v? А как же ограниечение по току?. В своей работе буду подключать лед ленту.
 Вт, 18.09.2012, 18:47 | Сообщение # 17        

djrus

Пользователи

 Активность: 2   

помогите прошивкой на китайский пар64 только он на ат89.

Добавлено (18.09.2012, 18:47)
---------------------------------------------
схема почти такая же только кварц другой

 Пн, 01.10.2012, 22:00 | Сообщение # 18        

mont

Пользователи

 Активность: 14   

Собрал. не работает. Надо обязательно от внешнего кварца? (поставил от внутреннего на 8МГц, по всем каналам 18в, светодиод горит. что должно происходить?

Добавлено (01.10.2012, 22:00)
---------------------------------------------
Заработало!!! Только не пойму, правильно ли. Когда по нулям на выходе 0в., и свигаешь чуть ползунок, и напряжение скачком сразу15 вольт, и потом плавно до 25. Т.е. нет линейности от 0 до мах.
Это так наверно и должно быть?. прошивка dimled_4.2.2.3. Как удобно на практике такой алгоритм работы?

 Чт, 25.10.2012, 14:16 | Сообщение # 19        

YurkaM

Пользователи

 Активность: 30   

Да нормально всё. На выходах ведь ШИМ нефильтрованый, поэтому простым вольтметром ты намеряешь там погоду на Марсе. Меряй через простенкий RC фильтр - увидишь линейность. А лучше осциллографом. Ну, если нету, то цепляй свои ленты и смотри вживую.
Да, насчёт 28 вольт. Вот все тупят в эти цифры, нужно мне было стереть со схемы вообще этот кусок! Сколько вам надо, такое питание и делайте! Эта схема от конкретного изделия, там цепочки светодиодов были под это напряжение (с балластными резисторами, если кого-то это тревожит).

mont, в случае светодиодных лент ограничение по току обеспечивается резисторами, которые, как правило, уже есть на ленте. Если же юзаете серьезные светики, то вместо транзисторов Q1-Q4 ставьте драйверы светодиодов, имеющие вход регулирования, с соответствующей обвязкой (смотрите даташит).
Насчет внутреннего генератора 8 МГц - не советую, ибо очень не стабилен и c приёмом DMX будут проблемы.
 Чт, 25.10.2012, 22:39 | Сообщение # 20        

mont

Пользователи

 Активность: 14   

Спасибо за разъяснение. Разобрался. Схема и прошивка хорошие. Прикладываю свою платку*.LAY
Прикрепления: plata.lay (44.3 Kb)
  • Страница 2 из 9
  • «
  • 1
  • 2
  • 3
  • 4
  • 8
  • 9
  • »
Поиск:

Внимание! Форум переехал на Tehnodium.ru




© Форум по электронике Мобильная версия