ФОРУМ ПО ЭЛЕКТРОНИКЕ



Архив - только для чтения
Самодельные зарядные устройства
 Сб, 08.09.2012, 18:44 | Сообщение # 171        

MAESTRO

^

 Активность: 5564   

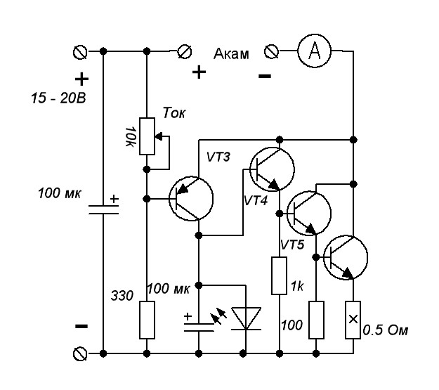
Не совсем. VT3 - кт814 (или кт361, кт816), VT4, VT5 - кт815 (или кт817), а самый правый - кт805 (или кт819).
 Вс, 09.09.2012, 13:01 | Сообщение # 172        

Рус

Пользователи

 Активность: 4   

И еще последний вопрос. Я могу использовать в качестве входного питания для схемы блок питания от принтера, который выдает 24 вольта и 1,4 Ампера на выходе?
 Вс, 09.09.2012, 14:07 | Сообщение # 173        

феска

Друзья

 Активность: 3627   

слабоват для авто аккума
 Вс, 09.09.2012, 14:19 | Сообщение # 174        

Рус

Пользователи

 Активность: 4   

А какой надо? Чтобы ампер больше было?
 Вс, 04.11.2012, 13:43 | Сообщение # 175        

vic1

Пользователи

 Активность: 31   

MAEST [b]MAESTRO, Добрый день,хочу собрать зарядное http://elwo.ru/publ/zarjadnoe_ustrojstvo/1-1-0-196 есть пару вопросов,у меня тр-р ОСМ1- 0.25 УЗ, диодный мост КД242 на выходе 27V вопрос как понизить вольтаж(какие диоды?) кондеры на сколько вольт,ставил на 50V бабах.Спасибо за ответ
Прикрепления: 7139687.jpg (44.1 Kb)
 Вс, 04.11.2012, 14:57 | Сообщение # 176        

феска

Друзья

 Активность: 3627   

vic1, используйте однопериодный выпрямитель а не диодный мост,
возможно также придется 5 вольтовую обмотку подсоединить синфазно 22, если они конечно рассчитаны на нужный нам ток, а если нет то только перемотка вторички
 Вс, 04.11.2012, 15:39 | Сообщение # 177        

vic1

Пользователи

 Активность: 31   

Спасибо за ответ ФЕСКА, тр-р без диодов выход 19V как бы вхожу в норму по- напруге,какой диод поставить?и опять на счет кондеров електоролиты на сколько вольт?
 Вс, 04.11.2012, 19:29 | Сообщение # 178        

феска

Друзья

 Активность: 3627   

электролит не ставь диоды любые на ток от
 Чт, 08.11.2012, 10:18 | Сообщение # 179        

vic1

Пользователи

 Активность: 31   

буду пробывать

Добавлено (08.11.2012, 10:18)
---------------------------------------------
мои пробы закончились не удачей,хотелось узнать ошибки нет в схеме,или я что-то не так сделал.Собрал подключил лампочку авто,горит постоянно яркость не регул.на выходе 18в может я накосячил буду искать

 Чт, 08.11.2012, 14:34 | Сообщение # 180        

феска

Друзья

 Активность: 3627   

vic1, фото biggrin biggrin выложи поглядим
Поиск:

Внимание! Форум переехал на Tehnodium.ru




© Форум по электронике Мобильная версия