ФОРУМ ПО ЭЛЕКТРОНИКЕ



Архив - только для чтения
Самодельные зарядные устройства
 Пт, 29.06.2012, 19:04 | Сообщение # 101        

Polly_Fontein

Пользователи

 Активность: 37   

О, я уже начал паять а никого нет, спасибо ФЕСКА что откликнулись! Ссылка вот http://elwo.ru/publ....1-0-246
 Пт, 29.06.2012, 19:25 | Сообщение # 102        

феска

Друзья

 Активность: 3627   

Polly_Fontein, понятно это класика с изменением скважистости
трансформатор нашли?? подбирать в принцепе надо чтоб вт1 запирался, не чего сгореть не должно проверять обычной лампой на 12 вольт при кручении ручки яркость должна изменятся))
 Пт, 29.06.2012, 19:38 | Сообщение # 103        

Polly_Fontein

Пользователи

 Активность: 37   

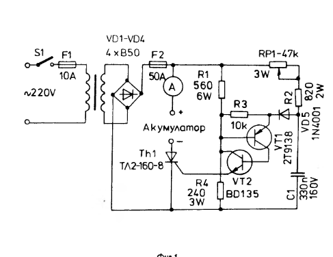
Транс есть, первичка 1 мм толщиной, а из вторичек от 1,5 мм соединил только на 16,7 В, остальные тонкие 0,5 мм, есть одна обмотка 0,75 мм на 34 В
Прикрепления: 3998733.jpg (74.0 Kb)
 Сб, 30.06.2012, 10:09 | Сообщение # 104        

asd81

Пользователи

 Активность: 32   

Приветствую уважаемые. Сижу читаю, заинтересовала схема ZU77, есть вопросы.) Как понял номинал сопротивления R6 и R7 оставляем, мощность увеличиваем. Конденсатор от 0,5 мкФ он же 500нФ, и до 2 мкФ. Исключаем R4 - с чем связано? Спасибо.
 Сб, 30.06.2012, 14:01 | Сообщение # 105        

bars59

Пользователи

 Активность: 313   

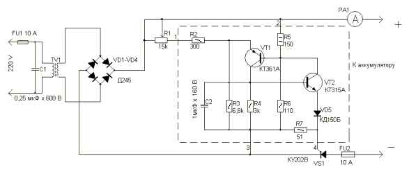
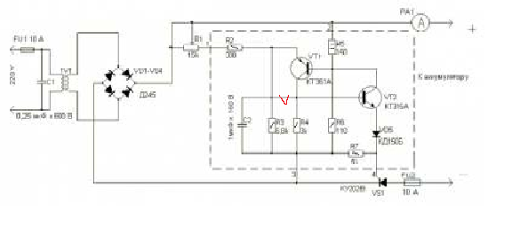
Вот вам для сравнения,может кто захочет по другой схеме.




Прикрепления: 6331285.gif (9.3 Kb) · 3558871.gif (22.6 Kb) · 9327171.gif (8.4 Kb) · 4672094.gif (7.5 Kb) · 3277740.gif (51.8 Kb)


поправил bars59 - Сб, 30.06.2012, 14:04
 Сб, 30.06.2012, 16:07 | Сообщение # 106        

Polly_Fontein

Пользователи

 Активность: 37   

bars59 на 3-ей схеме коллектор VT1 замкнут со своим эммитером
 Сб, 30.06.2012, 16:43 | Сообщение # 107        

asd81

Пользователи

 Активность: 32   

Polly_Fontein, это та же схема что предлагал ZU77. Номиналы немного отличаются только
 Сб, 30.06.2012, 19:09 | Сообщение # 108        

Polly_Fontein

Пользователи

 Активность: 37   

asd81 глянь внимательно, я говорю что в 3-ей схеме тех которые выложил bars59 есть ошибка, у VT1 закорочен коллектор с эммитером. Я вчера именно её спаял и сейчас заряжаю аккум, уже почти зарядил.
Прикрепления: 2924841.png (41.0 Kb) · 5127782.png (46.5 Kb)
 Сб, 30.06.2012, 20:26 | Сообщение # 109        

asd81

Пользователи

 Активность: 32   

где у тебя стоит галочка, там нет соединения. между R3 и R4 . не понятно откуда она взялась(у меня 3 таких собрано было), это можно посмотреть Радио №11 2001. можно было обнаружить сверяя со схемой от ZU77
Прикрепления: 5893814.jpg (44.1 Kb)


поправил asd81 - Сб, 30.06.2012, 20:38
 Сб, 30.06.2012, 21:24 | Сообщение # 110        

Polly_Fontein

Пользователи

 Активность: 37   

слушай а если у меня с транса насобиралось только 17В и мост из диодов КД242Б(они на 5А), я дал 4,5А аккумулятору, он уже 6 час заряжается, транс и диоды греются (около 40-45 градусов), я поставил вентилятор, жду. Напряжение сейчас 14,2В, ток 3,8А. Когда отключать, чтоб не погорело ничего?

Добавлено (30.06.2012, 21:24)
---------------------------------------------
кто-то подскажет когда снимать с зарядки?

Поиск:

Внимание! Форум переехал на Tehnodium.ru




© Форум по электронике Мобильная версия