ФОРУМ ПО ЭЛЕКТРОНИКЕ



  • Страница 1 из 3
  • 1
  • 2
  • 3
  • »
Архив - только для чтения
Слуховой апарат своими руками
 Чт, 29.09.2011, 19:58 | Сообщение # 1        

робот

Пользователи

 Активность: 179   

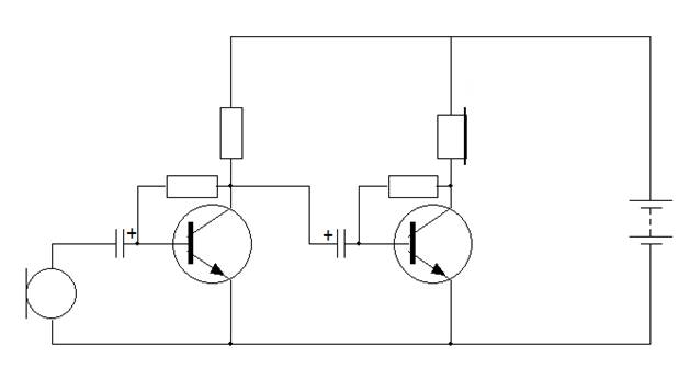
нашол схему слухового апарата посмотрите пожалуста будет работать или нет и какой транзистор нужен а.б.в.г.е зарание спасибо

Прикрепления: 8609401.jpg (20.3 Kb)


поправил робот - Чт, 29.09.2011, 20:00
 Чт, 29.09.2011, 21:14 | Сообщение # 2        

феска

Друзья

 Активность: 3627   

да будет))
 Чт, 29.09.2011, 21:59 | Сообщение # 3        

MAESTRO

^

 Активность: 5564   

С любой буквой. Но лучше поставить малошумящий КТ3102.
 Пт, 30.09.2011, 12:02 | Сообщение # 4        

-igRoman-

Друзья

 Активность: 1198   

Quote (феска)
будет работать или нет

НЕТ, туфта полная
 Пт, 30.09.2011, 13:04 | Сообщение # 5        

робот

Пользователи

 Активность: 179   

сделаю и проверю будет или нет
 Пт, 30.09.2011, 14:27 | Сообщение # 6        

MAESTRO

^

 Активность: 5564   

А чё туфта - обычный однокаскадный усилитель. Правда мощность выхода будет слабовата.
 Пт, 30.09.2011, 17:32 | Сообщение # 7        

-igRoman-

Друзья

 Активность: 1198   

Quote (MAESTRO)
обычный однокаскадный усилитель

Из соображений - Да!!! Где видеть, как чел рассчитал режим работы транзистора???
Какое напряжение питания?
Почему в цепи микрофона 10кОм?
Смещение на базе 150кОм??? и как смещено?
Постоянка в нагрузке!!! 10ком в коллекторе, это ж какой ток работы транзистора при нагрузке 25-40 Ом.
Продолжать!!!!
И если это так - причем СЛУХОВОЙ АППАРАТ - так для выпендрежа? называй вещи своими именами, может человеку для дела.
 Пт, 30.09.2011, 17:56 | Сообщение # 8        

MAESTRO

^

 Активность: 5564   

Узнаю категоричную манеру выражения мыслей от Игромана biggrin
Режимы работа транзистора не критичны
Питающий пуговичный микрофон резистор 10к подходит для напряжений в пределах 3-9В
Смещение лучше кинуть с плюса на коллектор. Сопротивление подобрать 100-800кОм.
Динамик перекинуть с массы на плюс - параллельно резистору.
Для начинающих пойдёт, иначе человек не брался бы за эту схему (будь он опытным).



Прикрепления: 3394849.jpg (25.8 Kb) · 9662291.jpg (13.1 Kb) · 3801799.jpg (25.8 Kb)
 Пт, 30.09.2011, 19:04 | Сообщение # 9        

робот

Пользователи

 Активность: 179   

а можно сопротивление резистора поставить меньше потомушта у меня не нашлось 10-150 ком?
 Пт, 30.09.2011, 19:07 | Сообщение # 10        

MAESTRO

^

 Активность: 5564   

Если питаешь аппарат от 3В, то на микрофон и транзистор можно 1-5кОма, а тот, что 150к надо всё-таки 100-800к.
  • Страница 1 из 3
  • 1
  • 2
  • 3
  • »
Поиск:

Внимание! Форум переехал на Tehnodium.ru




© Форум по электронике Мобильная версия