ФОРУМ ПО ЭЛЕКТРОНИКЕ



  • Страница 2 из 3
  • «
  • 1
  • 2
  • 3
  • »
Архив - только для чтения
Слуховой апарат своими руками
 Пт, 30.09.2011, 19:56 | Сообщение # 11        

робот

Пользователи

 Активность: 179   

ок спасибо

Добавлено (30.09.2011, 19:56)
---------------------------------------------
а можно заменить кт817 на кт819?

 Сб, 01.10.2011, 10:42 | Сообщение # 12        

-igRoman-

Друзья

 Активность: 1198   

Quote (робот)
Для начинающих пойдёт, иначе человек не брался бы за эту схему (будь он опытным).


Только и того biggrin
Забыли еще указать, что наушник должен быть высокоомным.
 Вс, 16.10.2011, 09:32 | Сообщение # 13        

робот

Пользователи

 Активность: 179   

сделал но на выходе наушника мощность слабоватоя ели слышно ,как устранить ету ошыбку?
 Вс, 16.10.2011, 19:53 | Сообщение # 14        

MAESTRO

^

 Активность: 5564   

А по какой схеме делал - самой верхней? Добавь ещё каскад как на нижней или поставь другой тип наушника.
 Пн, 17.10.2011, 14:12 | Сообщение # 15        

робот

Пользователи

 Активность: 179   

на верхней но как соеденить можеш нарисовать схему ,пожалуста
 Пн, 17.10.2011, 15:27 | Сообщение # 16        

MAESTRO

^

 Активность: 5564   

Сделай так:

 Пн, 17.10.2011, 19:54 | Сообщение # 17        

робот

Пользователи

 Активность: 179   

а какой резистор транзистор конденсатор брать надо
 Пн, 17.10.2011, 22:50 | Сообщение # 18        

MAESTRO

^

 Активность: 5564   

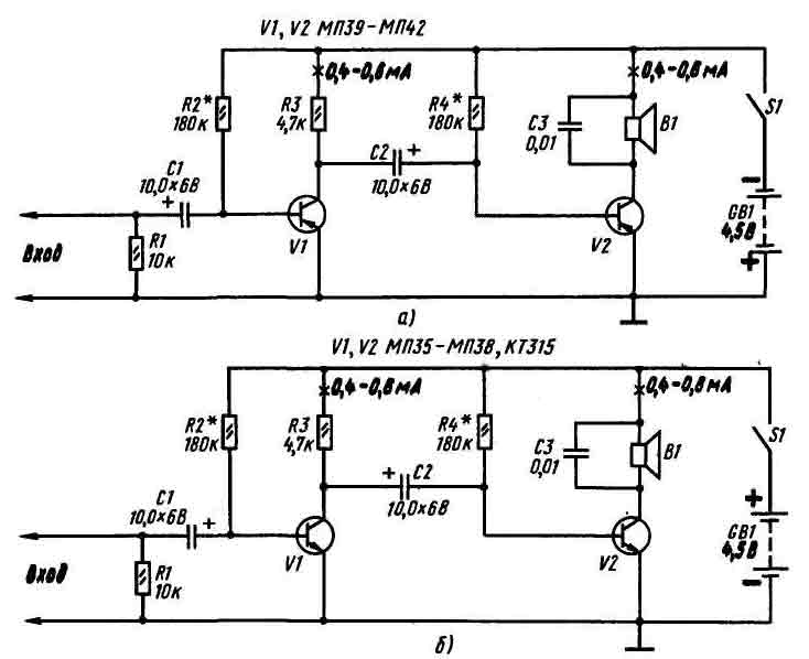
Возьми номиналы отсюда,



или попробуй вот по такому варианту:

Прикрепления: 3710198.jpg (26.4 Kb) · 9185943.jpg (9.0 Kb)
 Вт, 18.10.2011, 16:18 | Сообщение # 19        

робот

Пользователи

 Активность: 179   

ок
 Вт, 18.10.2011, 16:29 | Сообщение # 20        

робот

Пользователи

 Активность: 179   

ето тоже слуховые апараты ? и што значит ети значки ? и што ето за конденсатор?
Прикрепления: 4110336.jpg (37.2 Kb)
  • Страница 2 из 3
  • «
  • 1
  • 2
  • 3
  • »
Поиск:

Внимание! Форум переехал на Tehnodium.ru




© Форум по электронике Мобильная версия