ФОРУМ ПО ЭЛЕКТРОНИКЕ



Архив - только для чтения
Делаем УНЧ на лампах
 Ср, 06.02.2013, 22:08 | Сообщение # 301        

MAESTRO

^

 Активность: 5564   

Почему бы и нет?
 Чт, 07.02.2013, 12:59 | Сообщение # 302        

sileron

Пользователи

 Активность: 265   

Gamzan да у меня на питание тан107 пойдет, его на ел34 немного не хватает, кстати в своем ты какие лампы используешь?
 Чт, 07.02.2013, 19:14 | Сообщение # 303        

Gamzan

Друзья

 Активность: 1327   

У меня 6П3С... и зеленые выходники ТН33. Инфрабюджетный вариант smile

поправил Gamzan - Чт, 07.02.2013, 22:05
 Сб, 09.02.2013, 00:09 | Сообщение # 304        

edik58

Пользователи

 Активность: 13   

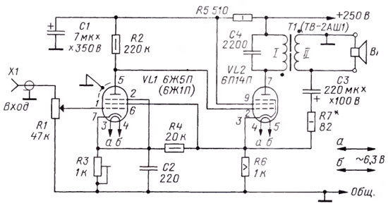
Хватит ли такого номинала у С1 и каких типов лучше применить С2, С3, С4.?Опыта в лампах практически 0,потому и спрашиваю.
Прикрепления: 9538262.jpg (32.0 Kb)


поправил edik58 - Сб, 09.02.2013, 00:11
 Сб, 09.02.2013, 01:02 | Сообщение # 305        

Gamzan

Друзья

 Активность: 1327   

7 мкФ - довольно странное значение, я бы поставил 10. С2 и С4 - пленка, из отечественных - К73, К78, С3 - 105-градусный Jamicon.
 Сб, 09.02.2013, 15:37 | Сообщение # 306        

edik58

Пользователи

 Активность: 13   

Чем отличаются 6П14П,6П14П-К,6П14П-ЕВ и какие лучше?
 Сб, 09.02.2013, 23:05 | Сообщение # 307        

sendersider

Пользователи

 Активность: 12   

В- Лампа повышенной механической прочности и надёжности .
Е- Лампа повышенной долговечности (5000 часов и более) .
Д- Лампа особо высокой долговечности (10000 часов и более) .
И- Лампа, предназначенная для работы в импульсном режиме .
К- Лампа повышенной механической прочности и надёжности с повышенной вибростойкостью .
Р- Лампа повышенной механической прочности и надёжности (лучше, чем В; однако, для замены лампы группы В, в обозначении должны присутствовать и Р, и В).
Радиолампы производства СССР/России


поправил sendersider - Сб, 09.02.2013, 23:12
 Вс, 17.02.2013, 22:12 | Сообщение # 308        

vadim-life

Пользователи

 Активность: 63   

Вот собрал для папы на 23 февраля.

Сегодня начал BLACK ANGEL.
Прикрепления: 1175129.jpg (54.3 Kb) · 9934193.jpg (66.9 Kb)


поправил vadim-life - Вс, 17.02.2013, 22:13
 Вс, 17.02.2013, 22:20 | Сообщение # 309        

Gamzan

Друзья

 Активность: 1327   

vadim-life, классно! Корпуса сам делал, или готовые?
 Вс, 17.02.2013, 22:27 | Сообщение # 310        

MAESTRO

^

 Активность: 5564   

Неплохо получилось. Белый корпус вижу готовый приспособил smile
Поиск:

Внимание! Форум переехал на Tehnodium.ru




© Форум по электронике Мобильная версия