ФОРУМ ПО ЭЛЕКТРОНИКЕ



Архив - только для чтения
Изготовление лампового усилителя
 Сб, 21.07.2012, 18:59 | Сообщение # 291        

tichenko7709

Пользователи

 Активность: 4   

6н23п-Поставил катодные резисторы по 600 ом,напряжение с 5в.,упало до 2,2в,но и на аноде,c 150в.,упало до 80в.
6п14п-на катоде 11в с резистором 390 ом.
Подключил акустику,подал сигнал на высоких и средних частотах-заслушаться можно,на басах немного хрипит-может попробовать лампы поменять?
 Ср, 25.07.2012, 13:27 | Сообщение # 292        

kabachok1994

Пользователи

 Активность: 193   

Здравствуйте! Что скажите на счет 6П20С, схемки, звук, как в наладке и т.д. и т.п.
 Чт, 26.07.2012, 13:42 | Сообщение # 293        

LordVader

Пользователи

 Активность: 7   

Всем доброго времени суток, спаял ЛУНЧ по вот такой схеме: http://elwo.ru/publ/lampovyj_usilitel_moshhnosti/1-1-0-371 и при Включении анодного одни хрипы и т.д. при этом Ток потребления всего ЛУНЧ ~10-15мА, как мне сказали, лампа закрыта и все такое, гулялся я с номиналами катодного резистора но в итоге ничего не вышло. Показатели на данный момент вот такие: 6н23П 1н-247В 6н-146В 8н-4.31В 6П15П: 3н-17В 7н-304В. При этом катодный резистор на 6н23п уменьшал до напряжения в 1.6в (8 нога) но при этом анодное падало до 70В (6 нога) и те же хрипы... питаюсь от ТС 180-2, прошу помощи, я уже и не знаю, что ему делать... мысль одна идти за кувалдой и делать последнюю капиталку...
 Чт, 26.07.2012, 14:12 | Сообщение # 294        

феска

Друзья

 Активность: 3627   

LordVader, поставте 6п14 и будет вам счастье и цоколевку еще раз посмотрите)) причем смотрите по сеткам и ногам

поправил феска - Чт, 26.07.2012, 14:15
 Чт, 26.07.2012, 14:57 | Сообщение # 295        

LordVader

Пользователи

 Активность: 7   

феска, ну, лучше особо не стало, если очень тихонько включить то хрипы меньше... но в итоге все равно вообще не то, я эти лампы уже и чередовал и по кругу пускал, но ничего не поменялось, Входные каскады 6н23п, 6н2п/ЕВ Выходные- 6н14п, 6н15п, 6п14п, 6п15п, не пробовал только 6п43п, но я так понял, там нужно катодный резистор менять... при этом потребляемый ток 10-15мА. Друг когда пришел то спросил "Ты это что с космосом связаться решил !?" wink звук у моего Лунч особенный...

поправил LordVader - Чт, 26.07.2012, 14:59
 Пт, 27.07.2012, 21:04 | Сообщение # 296        

Gosha1968

Друзья

 Активность: 580   

LordVader, А лампы новые? А не перепутал ничего с нумерацией выводов? И что , менял катодный резистор и ток не больше 15ма? А чем мерил? А какую нагрузку подключал? Всмысле АС. А выходные трансформаторы какие?

Добавлено (27.07.2012, 21:04)
---------------------------------------------
LordVader, А катодный резистор в выходной лампе в каких пределах менял? Да, извини, ты непутаеш маркировку резисторов?

 Сб, 28.07.2012, 11:42 | Сообщение # 297        

LordVader

Пользователи

 Активность: 7   

Gosha1968, Привет, по поводу ламп, 6п14п Б/У все остальные новые... выводы ламп точно перепроверил, несколько десятков раз. Катодные резисторы менял, сделал точно как на схеме в входном каскаде на 6н23п 1.3в в выходных каскадах на лампе 6п15п -14в, звучание улучшилось, теперь можно было с трудом но понять что за музыка играет, ток потребления так и остался... Мерил мультиметром + в БП установил себе Амперметр на 500мА... АС Кливер 75АС-001, Radiotehnika S-70. Выходные трансы ТВЗ 1-9. В выходной лампе по схеме стоит 300кОм но при анодном в 300В на катоде получалось за 30В, и заменил на 39 кОм и получилось 14В (и скажу стало в разы лучше,мог понять что за трек играет... ) а перепутать сложно, я их все тестером меряю, уменьшал Анодное до 250В но разницы вообще никакой...

Добавлено (28.07.2012, 11:42)
---------------------------------------------
Gosha1968, показатели сейчас вот такие Входные каскады 6н2П-ев 1н-261В 6н-149В 8н-1.26В 6П15П: 3н-16В 7н-286В. схема вот эта: http://elwo.ru/publ/lampovyj_usilitel_moshhnosti/1-1-0-371 даже не знаю, чего ему не хватает, и что улучшить или что убрать...


поправил LordVader - Сб, 28.07.2012, 11:43
 Пн, 30.07.2012, 10:21 | Сообщение # 298        

bodjka777

Пользователи

 Активность: 3   

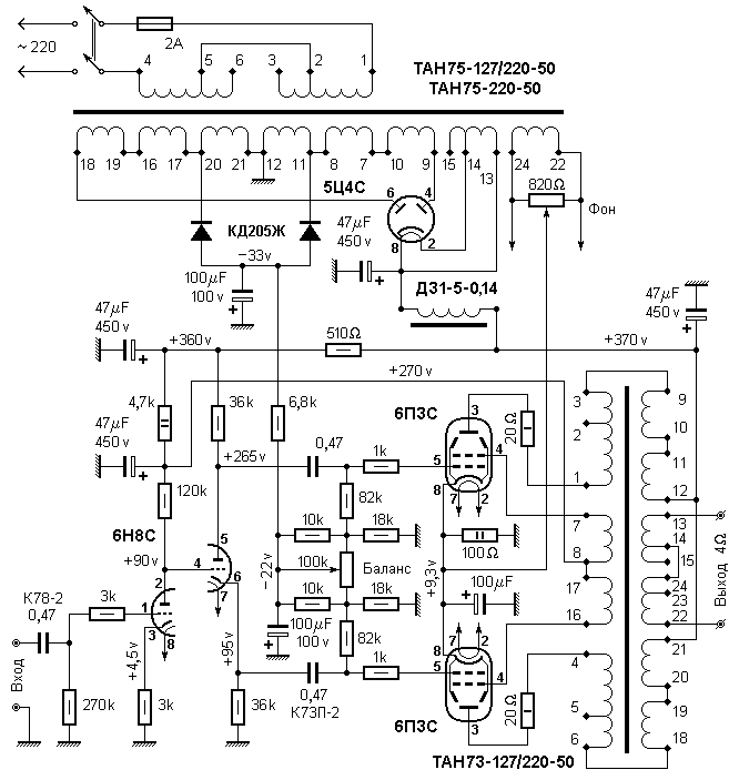
Здравствуйте MAESTRO, хочу сделать вот такой ламповый усилитель, практики построения ламповых усилителей пока что нет, хотя "начитался" уже немало.Практиковал в основном по усилителях только транзисторные и микросхемные. Хочу узнать ваше мнение по поводу схемы а также спросить как можно (или вообще можно) заменить вых транс ТАН73 на перемотанный ТС-180. Просто, ТАН-ов имено 73 и 75 нету нигде а если и встречаются то цены заоблачные. В хозяйстве насобиралось 4 ТС-180. Лампы, конечно, буду покупать. Хотелось-бы узнать как нужно перемотать ТС-180 для этой схемы на нагрузку 8-Ом или более (самодельная акустика). Также есть 2 шт ТСШ-170. Заранее благодарен.

Прикрепления: 1412445.gif (18.4 Kb)
 Пн, 30.07.2012, 11:09 | Сообщение # 299        

MAESTRO

^

 Активность: 5564   

Привет. В двухтакты сам ТС180 не ставил, обычно делаю на Ш-железе. Но это вполне возможно. Перематывать не обязательно, просто все вторичные обмотки 40,60В раскидать по анодам (симметрично добавить их к половинкам сетевой 220В), а две накальные соединить последовательно (12,6В) и на динамик.
Кстати, чувствительности у этой схемы может быть маловато. Как бы ни пришлось ставить на вход ещё один каскад на триоде.
 Пн, 30.07.2012, 15:42 | Сообщение # 300        

bodjka777

Пользователи

 Активность: 3   

на вход планирую поставить 6Н9С - она по-моему более чувствительная и расспиновка выводов похожая как и у 6Н8С. Выходной транс, особенно и ТС-180 тоже кругом рекомендуют перематывать секционированием иначе высокие частоты будут срезаны, что скажите или посоветуете? Мотать, конечно не очень хочется но для хорошего звучания (в основном СЧ-ВЧ - диапазон - для крайне низких частот присутствует сабвуфер) стоит позаморачиватся с намоткой.
Поиск:

Внимание! Форум переехал на Tehnodium.ru




© Форум по электронике Мобильная версия