ФОРУМ ПО ЭЛЕКТРОНИКЕ



Архив - только для чтения
Изготовление лампового усилителя
 Ср, 01.08.2012, 19:36 | Сообщение # 301        

Alleexx68

Пользователи

 Активность: 6   

Доброго времени суток господа радиолюбители.Вопрос конечно в первую очередь ,к величайшему гуру(для меня во всяком случае) MAESTRO.Когда то давно собирал усилитель на 6ф3п...Как говорят это было давно и неправда...Долго паяльник не держал в руках.Но вот как то захотелось понюхать запаха канифоли...Спаял пару мультимедиа усилков на копеечных микрухах.Правда в связке со старыми телевизионными гдш они отправили китайских собратьев на помойку и заняли достойное место у компов детей и друзей..Но поэма не о том..Есть непреодолимое желание собрать ламповый усилитель для своих высокоомных ушей MB Quart 450 pro.Сопротивление порядка 300 Ом.Очень заинтересовала статья по Вашей наводке на 6н6пMy WebPageНо там для ушей на 32 Ома.Как он будет работать с моими??И почти уже стал собирать Лаконик схема из Радиохобби

Добавлено (01.08.2012, 19:36)
---------------------------------------------
Что то сбилось....Не закончил.Так вот на Ваш взгляд на что стоит обратить свое внимание??И может посоветует кто,проверенную хорошо звучащую схему.Буду благодарен всем откликнувшимся

Прикрепления: 6310977.jpg (91.5 Kb)
 Чт, 02.08.2012, 08:04 | Сообщение # 302        

феска

Друзья

 Активность: 3627   

Alleexx68,
как вариант в настоящий момент её собираю, лампы доступны, катодные емкости шунтирую постоянными емкостями 100н выходную емкость шунтирую тоже постоянным на 1мкф
 Чт, 02.08.2012, 10:54 | Сообщение # 303        

Alleexx68

Пользователи

 Активность: 6   

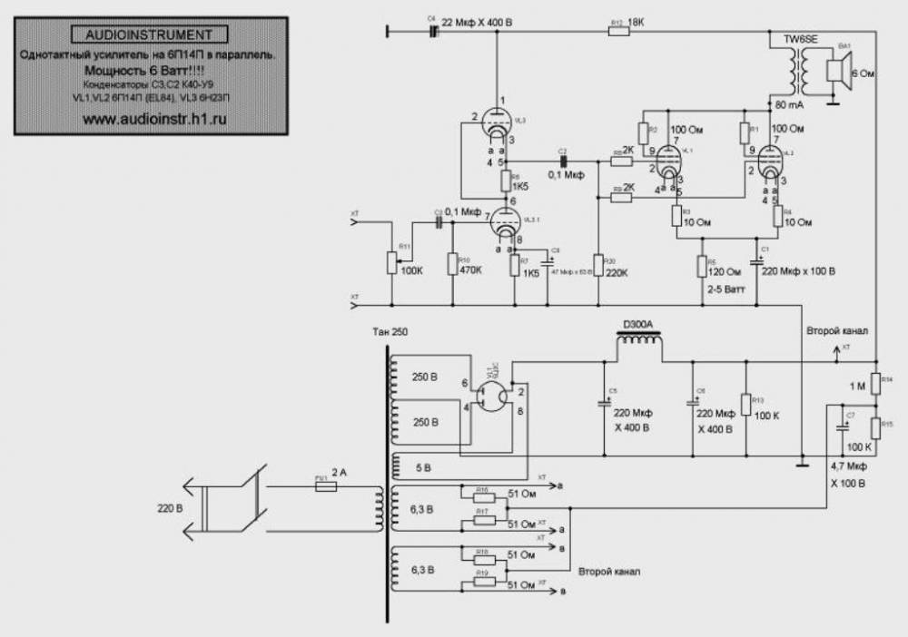
ФЕСКА,Спасибо за схемку.Вопрос сколько надо переменки чтобы получилась постоянка 348В.Это я к тому что имеются ТС-160.Можно с них такое получить???И еще вот какая мысль.У меня не помню уже откуда лежат лампы штук 10 наверное ,абсолютно новые 6к13п.Досье на них прилагаю.Я понимаю что они высокочастотные....но в качестве тренировки можно ли из них усил для ушей собрать.Я в схемотехнике не глубоко...Может кто накидает схемку??Или на помойку их???...Жалко новые ведь
Прикрепления: 1903458.jpg (147.9 Kb) · 8176041.jpg (159.9 Kb)
 Чт, 02.08.2012, 15:22 | Сообщение # 304        

bodjka777

Пользователи

 Активность: 3   

Уважаемый MAESTRO, очень прошу к вашему комментарию о ТС-180 добавьте пожалуйста схему ТС-180 с номерами выводов как их правильно подсоединить, ведь там два симметричных каркаса с обмотками и можно легко ошибиться с фазировкой. Как бы не сжечь вых лампы, которые немало стоят.
 Чт, 02.08.2012, 16:19 | Сообщение # 305        

MAESTRO

^

 Активность: 5564   

Все обмотки подключаем последовательно. В качестве первичной обмотки используются ВСЕ обмотки ТС-180 за исключением накальных - они используются как выходные. И в таком виде первичка выходит около 1400 витков. Большой плюс для ТС-180, что в двухтактном включении получается неплохое симметричное секционирование обмоток.



(8)---(7)(6)---(5)(3)---(1)(1')---(3')(5')---(6')(7')---(8') первичка

(10)---(9)(9')---(10') вторичка

на соединение выводов 1 и 1' подается анодное напряжение, 8 и 8' на соответствующие аноды ламп.

10 и 10' на динамик.
Прикрепления: 2907039.jpg (30.7 Kb)
 Пт, 03.08.2012, 08:17 | Сообщение # 306        

bodjka

Пользователи

 Активность: 1   

Благодарю за оперативный ответ. Буду приступать к изготовлению. Хотя еще немного сомневаюсь в выборе схемы. Здесь на форуме я вижу большинство практикуют изготовление Black Angel.
 Сб, 18.08.2012, 09:37 | Сообщение # 307        

LordVader

Пользователи

 Активность: 7   

Всем доброго времени суток.
Мне вот интересно, можно ли как регулятор звука использовать Оптический сенсор типа TCSS 1100 (Щелевой оптический датчик с триггером Шмидта), такие стояли в видике, если да, то может кто схемку скинуть, а то в интернетах ничего не нашел...


поправил LordVader - Сб, 18.08.2012, 09:43
 Вс, 19.08.2012, 13:43 | Сообщение # 308        

allen87

Пользователи

 Активность: 9   

Здравствуйте. Можно ли в Усилитель " Ламповый домашний кенотеатр" для задержки анодного питания на два канала поставить один 6ц10п?. как это повлияет на звук?
на выходе по одной 6п7с питание тс-250-2м
Прикрепления: 4891949.jpg (53.7 Kb)
 Вс, 19.08.2012, 21:24 | Сообщение # 309        

Gosha1968

Друзья

 Активность: 580   

allen87, я советую поставить электронный дроссель. Это и задержка и фильтр. Очень удобная штука. Только после него кондер не нужен, я ставил- какое то возбуждение появляется surprised А с кенами и демпферными диодами морока. Напряжение на них проседает, да и на накал немало уходит. А звук с кенами или полупроводниковыми диодами ничем не отличается. Все это сказки аудиоэфилов - пациентов аудиопортала smile
 Пн, 20.08.2012, 08:18 | Сообщение # 310        

феска

Друзья

 Активность: 3627   

allen87, поставить можно за счет емкости и дроселя будет запас прочности для кенотрона а так он на 120ма а по схеме каждый канал на 100-120ма по аноду, у меня не выдержал но у меня схема другая в любом случии нормальный кенотрон потом купить можно стоит 50 рублей у нас например
Поиск:

Внимание! Форум переехал на Tehnodium.ru




© Форум по электронике Мобильная версия