ФОРУМ ПО ЭЛЕКТРОНИКЕ



Архив - только для чтения
Black angel - ламповый усилитель
 Вт, 19.03.2013, 19:39 | Сообщение # 131        

vadim-life

Пользователи

 Активность: 63   

Цитата (Gosha1968)
Ты мультиметром меряешь?

Мулитиметром.
Да черт с ним, может какие наводки?
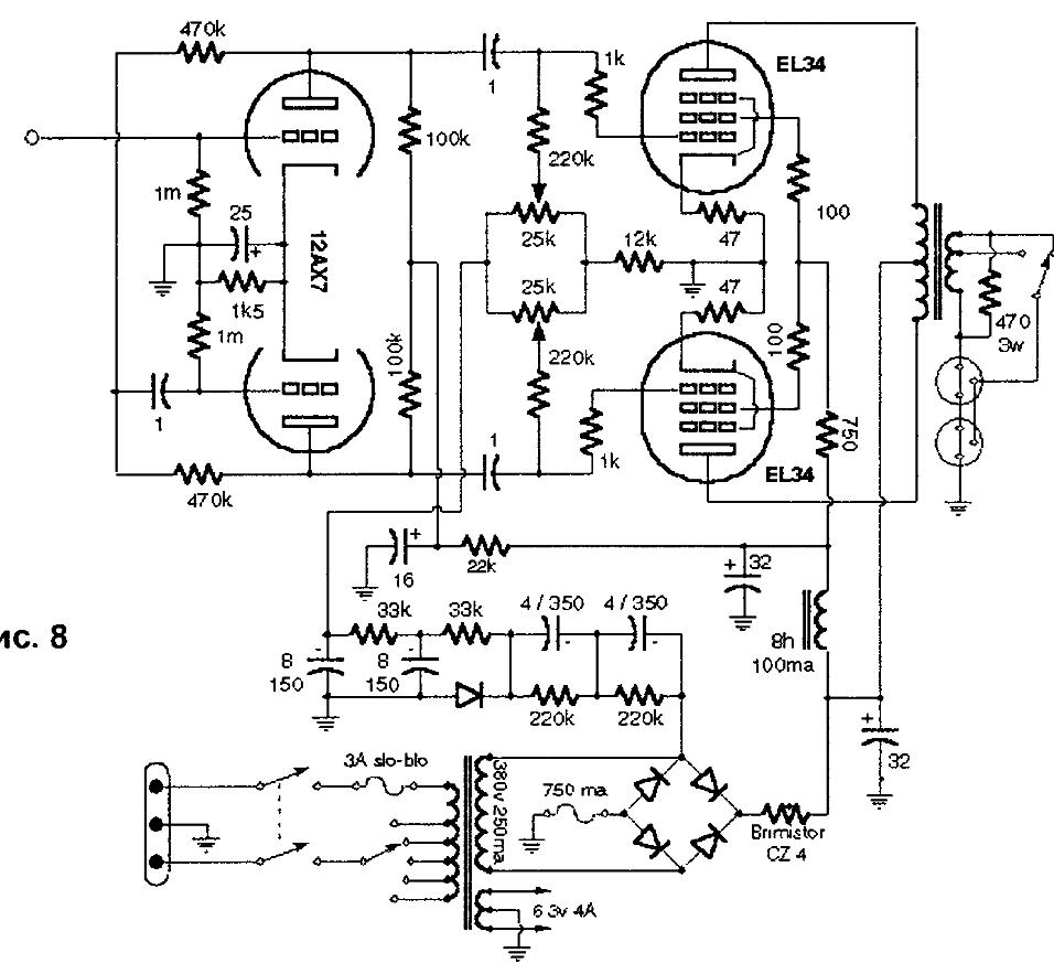
MAESTRO, Спасибо за схемку звучание прекрасное и мощи у него ого-го, у меня колонки давно так не дышали, единственное немного басов не хватает, как добавить? Да еще первую лампу поставил 6н2п-еб мне показалось что с ней получше.
 Вт, 19.03.2013, 19:46 | Сообщение # 132        

MAESTRO

^

 Активность: 5564   

Пожалуста! smile Только схема не моя - её 50 лет назад уже знали. Басы можно увеличить использовав более чувствительную акустику, с бОльшим диметром диффузора НЧ динамика.
 Вт, 19.03.2013, 20:24 | Сообщение # 133        

vadim-life

Пользователи

 Активность: 63   

Цитата (MAESTRO)
Пожалуста! Только схема не моя - её 50 лет назад уже знали.

Да это я понимаю, спасибо, что выложил, сделал, и помогаешь нам, вообще всем спасибо кто помогает, очень хороший форум!!! У меня мозгов маловата, но руки чешутся, что-то сделать, у меня отец в 70 -80 года занимался ремонтом телеков ламповых, так я малым с ним попетам бегал смотрел что он делал. Ностальгия.
У меня сомнения, какие я кондеры поставил в входных цепях, в магазине попросил на 0,047 мкф, мне дали к73-17 47 п. 400 в., правильно я понимаю, что это в пикофарадах т.е. 0,000047 мкф ?
 Вт, 19.03.2013, 20:52 | Сообщение # 134        

MAESTRO

^

 Активность: 5564   

Да, но лучше покажи фото.
 Вт, 19.03.2013, 21:06 | Сообщение # 135        

vadim-life

Пользователи

 Активность: 63   

Цитата (MAESTRO)
Да, но лучше покажи фото.

Пробовал фоткать, расплывается все, я под лупой смотрел там явная "п"
А написано так, 47пJ 400в.
 Ср, 20.03.2013, 01:17 | Сообщение # 136        

Gosha1968

Друзья

 Активность: 580   

Да кондеры надо точно ставить, можно и 0.1 мкф. А вообще поднять реально НЧ можно ТБ даже простейшим
 Вс, 24.03.2013, 20:47 | Сообщение # 137        

vadim-life

Пользователи

 Активность: 63   

Поставил кондеры мбм на 0,05 мк, звук, получше стал.

поправил vadim-life - Вс, 24.03.2013, 20:49
 Пн, 25.03.2013, 21:53 | Сообщение # 138        

Gosha1968

Друзья

 Активность: 580   

vadim-life, а попробуй поставь 0.5-1 мк. Должны несколько НЧ подняться.
 Пт, 12.04.2013, 15:44 | Сообщение # 139        

stamerSM

Пользователи

 Активность: 2   

MAESTRO, Не могли бы выложить подробный перечень деталей.Заранее спасибо.
 Сб, 13.04.2013, 18:26 | Сообщение # 140        

MAESTRO

^

 Активность: 5564   

Который для этой схемы? Или вместе с предусилителем?

Прикрепления: 1396513.jpg (116.9 Kb)
Поиск:

Внимание! Форум переехал на Tehnodium.ru




© Форум по электронике Мобильная версия