|
Усилители НЧ на радиолампах
|
|
| | Ср, 18.11.2015, 09:48 | Сообщение # 11
|
Gamzan Друзья Активность: 1327
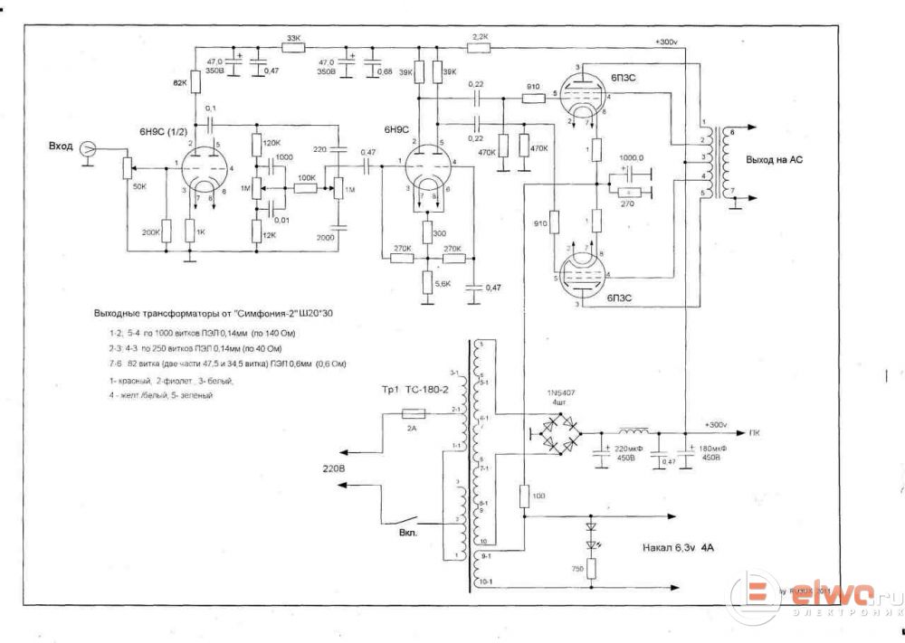
| grant, любая схема с 6П3С, где пронумерованы ноги, или даташит.

 Добавлено (13.11.2015, 19:57) --------------------------------------------- Первая, управляющая сетка - ближайшая к катоду. Вторая, экранная - над первой. Далее у пентода идет третья сетка, антидинатронная. У лучевого тетрода вместо нее лучеобразующие пластины. У тебя на схеме нарисованы пентоды, а 6П3С - лучевой тетрод.
|
|
| | Ср, 18.11.2015, 09:48 | Сообщение # 12
|
grant Пользователи Активность: 304
| Gamzan, Спасибо. Описание лампы я смотрел и схемы в которых 6П3С применяются тоже, но такой, как твоя (с нумерацией выводов) найти не смог. Теперь всё понятно, ещё раз спасибо.
|
|
| | Ср, 18.11.2015, 09:48 | Сообщение # 13
|
starikz Друзья Активность: 209
| Gamzan, Итак первый моноблок кое как спаял,а как правильно подать сигнал с ноутбука...Просто подключить кабелем или ещё что то там надо?
|
|
| | Ср, 18.11.2015, 09:48 | Сообщение # 14
|
Gamzan Друзья Активность: 1327
| Цитата starikz (  ) Просто подключить кабелем Именно.
|
|
| | Вт, 08.12.2015, 20:26 | Сообщение # 15
|
starikz Друзья Активность: 209
| Gamzan, Наконец то я дома...Я снова по поводу подключения-на тюльпанах снаружи общий внутри сигнальный,я правильно понимаю?
|
|
| | Вт, 08.12.2015, 22:35 | Сообщение # 16
|
Gamzan Друзья Активность: 1327
| Цитата starikz (  ) на тюльпанах снаружи общий внутри сигнальный Так точно.
|
|
| | Чт, 10.12.2015, 16:47 | Сообщение # 17
|
ildarkhairutdinov60 Пользователи Активность: 4
| Здравствуйте друзья-товарищи, фанаты колбочек. наконец-то нашел нормально работающий сайт. давно хотел найти вас. прочитал всю вашу переписку. надеюсь тоже сотрудничать. я бывший звукооператор, так что о звуке знаю много. есть свой осцил, ламповик- генератор, стационар вольтметр . так что немного снабжен. есть 2 проигрователя "юность". хочу сделать давно УСь для ушей. схему выложу попожже, надо найти в запасниках. буду у вас просить помощи. не откажете?
|
|
| | Чт, 10.12.2015, 17:24 | Сообщение # 18
|
ildarkhairutdinov60 Пользователи Активность: 4
| вот такая схема. Добавлено (10.12.2015, 17:24) --------------------------------------------- или новую проще собрать.
|
|
| | Чт, 10.12.2015, 19:13 | Сообщение # 19
|
Gamzan Друзья Активность: 1327
| Цитата ildarkhairutdinov60 (  ) хочу сделать давно УСь для ушей ildarkhairutdinov60, приведенная вами схема никак не ушной усилитель. Кроме того, это проигрыватель, в этой схеме первый каскад - усилитель для звукоснимателя, его чувствительность порядка единиц милливольт. У компьютера или проигрывателя компакт-дисков на выходе 1-2В, так что такая высокая чувствительность усилителя ни к чему. На этих же лампах можно собрать много однотактных усилителей, а если добавить еще одну 6П14П, то и двухтактных. В том числе, описанных на этом сайте.
|
|
| | Пт, 11.12.2015, 08:54 | Сообщение # 20
|
ildarkhairutdinov60 Пользователи Активность: 4
| доброго дня всем! вот эта чувствительность меня и смущает. за совет спасибо. да, здесь много схем, это хорошо. есть выбор. вчера еще нашел сайт, тоже по колбам. там много схем на ТАНах. но эдинственное, что меня смущает, нет частотки ни на одной схеме. надо ещё перелопатить запасы. провести, так сказать ревизию по запасникам. много трансов всяких, есть энное количество ламп. а схему для ушей кто-нибудь делал?и если делали, то какую. Добавлено (11.12.2015, 08:54) --------------------------------------------- просто, хочу для начала вспомнить навыки, не занимался с детства. вот надо для начала чтонить попроще сваять.
|
|