|
Усилители микросхемные
|
|
| | Ср, 08.09.2010, 15:17 | Сообщение # 81
|
vladik065 Пользователи Активность: 107
| а как именно подключать конденсатор на выходе?? в параллельно или последовательно?
|
|
| | Ср, 08.09.2010, 16:22 | Сообщение # 82
|
MAESTRO ^ Активность: 5564
| Если речь идёт про усилитель на TDA7388, то там на выход конденсаторы вообще ставить нельзя. Я уже так одну микруху спалил. Только на вход. Ставь 0.05 - 0.1 мкф по входу и НЧ будут срезаться.
|
|
| | Ср, 08.09.2010, 16:53 | Сообщение # 83
|
vladik065 Пользователи Активность: 107
| у меня на входе стоит 0,1 мкф.. НЧ не срезаются, нужно увеличь емкость, или уменьшить?
поправил vladik065 - Ср, 08.09.2010, 16:55 |
|
| | Ср, 08.09.2010, 16:56 | Сообщение # 84
|
MAESTRO ^ Активность: 5564
| Увеличишь - больше низов, уменьшиш - больше верхов. Ставь тогда 0.01мкф.
|
|
| | Ср, 08.09.2010, 17:08 | Сообщение # 85
|
vladik065 Пользователи Активность: 107
| хорошо, попробую, только чуть позже..
|
|
| | Ср, 29.09.2010, 20:25 | Сообщение # 86
|
vladik065 Пользователи Активность: 107
| помогите распознать марку динамика.. на самом ничего не стоит кроме штампа который стерся и ничего непонятно..  Добавлено (29.09.2010, 20:25) --------------------------------------------- купил динамик НЧ на 50 ватт, собрал к нему ящик объемом который был рассчитан к нему уже на заводе (объем шел уже вместе с динамиком), закрыл все, прикрутил его к стенке, а басов нету вообще.. мне кажется я неправильно прикрутил его к стенке корпуса.. помогите плиз..
|
|
| | Пн, 25.10.2010, 19:24 | Сообщение # 87
|
Связист Пользователи Активность: 4
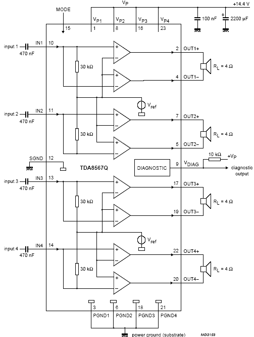
| Можно по мостовой схеме сделать усилок для колонок ВЕГА 50АС-106 на микросхеме TDA8567Q? А за 15ую ножку на данной микрухе спасибо - купил уже 2ую,, а оно не работало .
|
|
| | Пн, 25.10.2010, 20:19 | Сообщение # 88
|
ew2bw Пользователи Активность: 93
| вот мой вариант этого уникального усилителя на TDA7560: смысл такой компоновки в том что микруха прижата к радиатору и к плате ,при этом разводка двухсторонняя что позволило выполнить широкие проводники . получился компактный и мощный "кубик". плата в спринте SL4 также открывается и в SL5.этот файл прикреплён в архиве.
поправил ew2bw - Пн, 25.10.2010, 21:19 |
|
| | Пн, 25.10.2010, 23:22 | Сообщение # 89
|
MAESTRO ^ Активность: 5564
| TDA8567 и так мостовая, это УНЧ 4x25W BTL (14.4V/4 Ом), max 4x35W. Так что мостить в ней уже нечего. Да, прикольно TDA7560 на кулере смотрится! А звук как?
|
|
| | Вт, 26.10.2010, 10:12 | Сообщение # 90
|
ew2bw Пользователи Активность: 93
| эта микрушка с очень чистым звуком у нее полевики на выходе. а как закинуть файл? типа pdf или lay
|
|