|
Жучок ФМ
|
|
| | Вт, 15.12.2009, 13:37 | Сообщение # 1
|
MAESTRO ^ Активность: 5564
| РАДИОМИКРОФОН ПРОСЛУШКА ТЕЛЕФОННЫЙ ЖУК КВАРЦОВАНЫЙ ФМ-ПЕРЕДАТЧИК ЭЛЕКТРОННЫЙ ЖУЧОК
Обсуждаем различные схемы самодельных жучков. Читаем здесь о настройке, замене и назначении деталей жучка.
|
|
| | Ср, 27.04.2011, 23:06 | Сообщение # 101
|
MAESTRO ^ Активность: 5564
| ASDFG123, рад что тебе у нас понравилось. Когда я говорю хороший или плохой жук - я основываюсь чисто на своём опыте. НЕТ схемы ФМ жука, который бы я не попробовал запустить и не делал с ним эксперименты. Что значит "регулировать емкость там ведь даже меток нет"
|
|
| | Чт, 28.04.2011, 05:08 | Сообщение # 102
|
Гость Гости Активность:
| Здраствуйте, собрал жука по схеме Хартли, вместо кт315, и кт325вм поставил два c9018 не путайте с s9018. Проблема заключаеться в том что жук принимаеться во всём чм диапазоне от 70 до 108 да ещё и забивает собой все радиостанции в радиусе всей квартиры (дальше ещё не тестировал) Пожалуйста помогите в решение данной проблемы.
|
|
| | Чт, 28.04.2011, 06:15 | Сообщение # 103
|
ASDFG123 Пользователи Активность: 59
| ну переменный кондер вращается вокруг оси без ограничения, как им емкость изменять в какую сторону больше - меньше ? но щас самое важное микрофон (в начале страницы описал проблему)
|
|
| | Чт, 28.04.2011, 08:26 | Сообщение # 104
|
MAESTRO ^ Активность: 5564
| Гость,c9018 - этот тот же 2SC9018. Явление забивания всего диапазона вызвано большим количеством паразитных гармоник при генерации. Надо подобрать (уменьшить) обратную связь. Переменный конденсатор 90 градусов уменьшает, и ещё четверть оборота - увеличивает ёмкость. Смотри по серебрянному слою на керамике.
|
|
| | Чт, 28.04.2011, 15:31 | Сообщение # 105
|
ASDFG123 Пользователи Активность: 59
| сегодня прогнали опять с генератором звука сигнал ловиться на 73 и 85 МГц это гармоники или что вообще ? можно ли это схему переделать в глушилку или разобрать и начать делать вашу? по поводу катушек в схеме радиомикрофон провод от трансформатора 0.8 мм подойдет? и отвод делать строго по середине
поправил ASDFG123 - Чт, 28.04.2011, 15:36 |
|
| | Чт, 28.04.2011, 18:12 | Сообщение # 106
|
Гость Гости Активность:
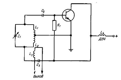
| А куда подстроечник втыкать в схеме Хартли?
|
|
| | Чт, 28.04.2011, 23:48 | Сообщение # 107
|
MAESTRO ^ Активность: 5564
| Моя схема лучше всех! Не скромно - зато правда. Провод 0.8мм пойдёт, отвод нестрого, но я обычно делаю посередине. в схеме Хартли конденсатор не нужен - там отводом от катушки обратная связь настраивается.
|
|
| | Пт, 29.04.2011, 04:14 | Сообщение # 108
|
ASDFG123 Пользователи Активность: 59
| а ту схему переделать можно ? и еще, задавался раньше вопрос у вас АМ и ЧМ совмещаются получается?
поправил ASDFG123 - Пт, 29.04.2011, 04:17 |
|
| | Пт, 29.04.2011, 04:32 | Сообщение # 109
|
Гость Гости Активность:
| Простите я новичек в этом деле, а где конденсатор обратной связи в схеме Хартли, и на сколько его уменьшить?
|
|
| | Пт, 29.04.2011, 08:45 | Сообщение # 110
|
MAESTRO ^ Активность: 5564
| Да, тут идёт и слабая АМ и ЧМ модуляция. Так что схема универсальна. В схеме Хартли ОС отвод от индуктивности. 
|
|