ФОРУМ ПО ЭЛЕКТРОНИКЕ



  • Страница 1 из 4
  • 1
  • 2
  • 3
  • 4
  • »
Архив - только для чтения
Жучок FM - настройка
 Вт, 24.05.2011, 07:22 | Сообщение # 1        

brat

Пользователи

 Активность: 1   

Привет всем .Maestro , собрал ваш радиомикрофон. Класно и просто. Но есть нюансы. Прочитал весь форум по нему. Проблема схожая, но всё-таки какая-то непонятная. Про резистор R2 у меня начал нормально звучать аж при 3,3 Мом.Частота стабильно 96 Мгц, но мощность лишь метров 30 при прослушке на сотовый. Что интересно в помещении частота 96 на улице может звук чисто где-то 95,5. Подбирал антенну по максимуму излучения ,получилось где-то 35 витков проволки ПЭВ 1,0. Про дросель подбирал то же. Брал любой, мерил ток потребления. Начал с 25 мА довёл до 15мА, При чём лишь намотав на феритовом кольце 10 витков.Чувствительность хорошая слышно разговор в соседней комнате, но при близком разговоре искажения. Изначально предполагалось использовать его в качестве радиомикрофона. Т.е. чувствительность аховская и не нужна. Чем можно поиграть чтобы привести в норму?
 Ср, 25.05.2011, 20:26 | Сообщение # 2        

Cosmogor

Пользователи

 Активность: 199   

Привет brat, переходи вот сюда , там подскажем и поможем разобраться в твоих проблемах с радиомикрофоном cool
 Чт, 26.05.2011, 13:44 | Сообщение # 3        

MAESTRO

^

 Активность: 5564   

Если аж 3,3мегаома пришлось ставить - значит коэфициент усиления транзистора высокий слишком - поменять. Да, с разными дросселями разные результаты, НО чтоб не усложнять жизнь новичкам - для начала можно ставить любой. Заработает. Чутьё скинь резистором в эмиттере генератора - до 100-300 Ом.
 Вт, 12.07.2011, 17:56 | Сообщение # 4        

моторист

Пользователи

 Активность: 179   

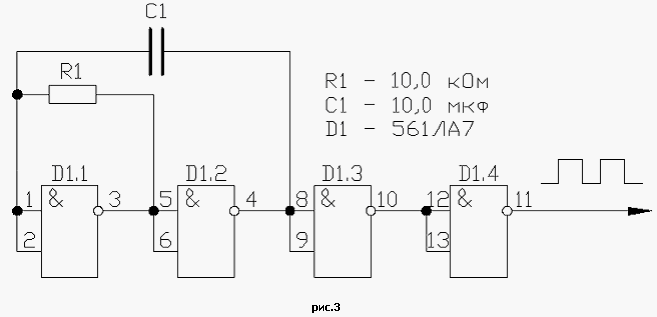
привет MAESTRO, не подскажешь как подключается микросхема К561ЛА7, и какое у ее питание???
 Вт, 12.07.2011, 22:50 | Сообщение # 5        

MAESTRO

^

 Активность: 5564   

Питание 4-12В

Прикрепления: 5203775.gif (9.5 Kb)
 Пт, 17.02.2012, 17:50 | Сообщение # 6        

GENERATOR

Пользователи

 Активность: 16   

привет MAESTRO,собрал радиомикрофон (http://elwo.ru/publ/super_zhuchok/1-1-0-1).Не работает.Индикатор поля не реагирует.Вот данные замеров: VT1: Uke=0.18v, Ukb=0.44v,Ube=0.64v;VT2:
Uke=8.38v, Ukb=8.12v,Ube=0.18v; VT3:Uke=8.39v, Ukb=3,63v,Ube=0v Iпотр=5mA.что надо делать? БП=8,4V с параметрисеским стабилизатором. Мне кажется что это колеб.контур виноват.Из-за ВЧ много большей 108Мгц.ВЧ индикатор на2Д503а.
Кстати рез.частоту К\К находить как? f=1/2PIкореньLC - так?
 Пт, 17.02.2012, 18:07 | Сообщение # 7        

MAESTRO

^

 Активность: 5564   

VT1: Uke=0.18v - да он просто открыт. Или пробит, или смещение на базу идёт от плохого резистора R2. На коллекторе должно быть пол питания (2-5В). Как следствие - закрыт по постоянке каскад генератора.
П.С. Все напряжения меряются относительно массы, а не выводов транзисторов.
 Пт, 17.02.2012, 18:39 | Сообщение # 8        

GENERATOR

Пользователи

 Активность: 16   

урааааа!!!! заработало.ВЧ шкалит. заменил транз модулятора.MAESTRO большое пасибо. 3 дня мучался. smile :) smile
да и еще 2 белые полосы на транзе и точка белая с верху это кт368-?


поправил GENERATOR - Пт, 17.02.2012, 18:41
 Пт, 17.02.2012, 18:40 | Сообщение # 9        

MAESTRO

^

 Активность: 5564   

Ну вот и славненько smile
 Пт, 17.02.2012, 19:50 | Сообщение # 10        

GENERATOR

Пользователи

 Активность: 16   

а то что увч греется это нормально?

поправил GENERATOR - Пт, 17.02.2012, 19:50
  • Страница 1 из 4
  • 1
  • 2
  • 3
  • 4
  • »
Поиск:

Внимание! Форум переехал на Tehnodium.ru




© Форум по электронике Мобильная версия