|
Лабораторный БП из импульсного компьютерного
|
|
| | Вс, 18.01.2015, 21:19 | Сообщение # 131
|
-igRoman- Друзья Активность: 1198
| Цитата NetFront (  ) В чем может быть проблемма? я грешу на плавный пуск, это 4 нога, блокировка шима это там стоит кондер 2.2uF и резистор на 2.5кОм??
|
|
| | Пн, 19.01.2015, 09:15 | Сообщение # 132
|
NetFront Пользователи Активность: 80
| Цитата -igRoman- (  ) это там стоит кондер 2.2uF и резистор на 2.5кОм?? Да, по схеме плавного пуска должно быть 2.5кОм и 10uF, но под рукой не было и я оставил все как было на плате просто отсоеденил 4ю ногу еще от схемы всяких защит.
|
|
| | Чт, 05.02.2015, 17:17 | Сообщение # 133
|
student8023 Пользователи Активность: 1
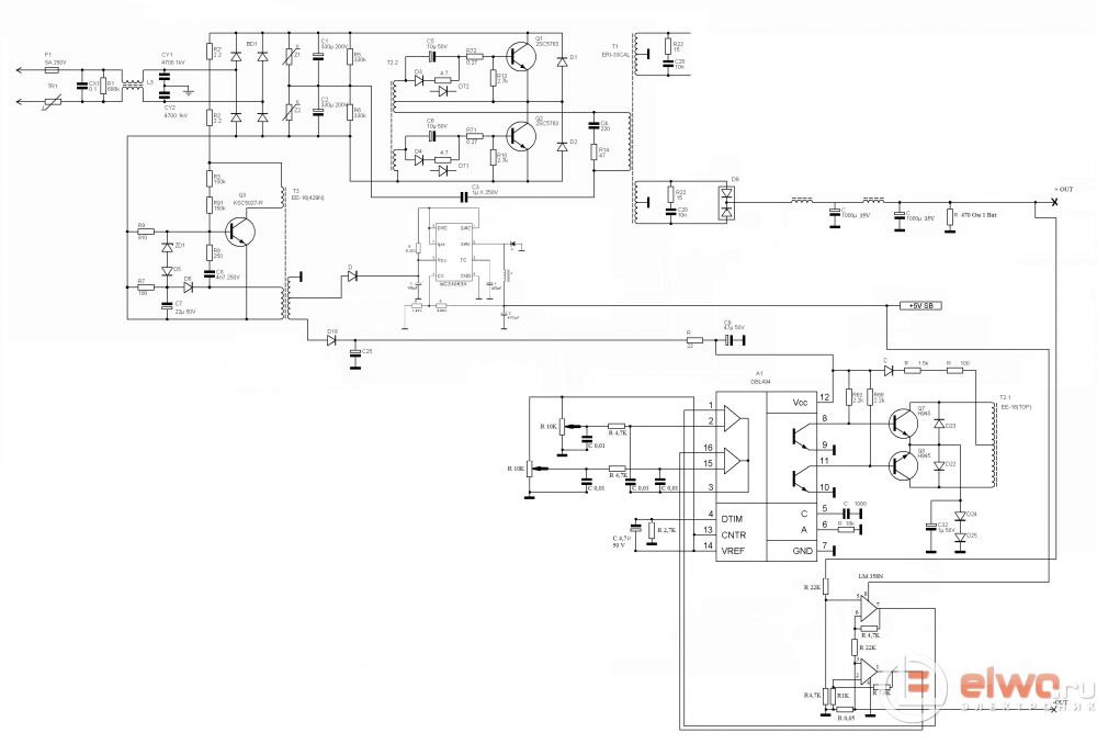
| Доброго всем здравия. Помогите сделать ЛБП из БП АТХ. Схема которого по ссылке http://radioskot.ru/_fr/0/Schematic_ISO-4.spl7
|
|
| | Ср, 18.03.2015, 15:15 | Сообщение # 134
|
mmmAmbo5 Пользователи Активность: 15
| .....spl7_файли несмотрим...
|
|
| | Пн, 06.04.2015, 07:38 | Сообщение # 135
|
loska Пользователи Активность: 5
| NetFront на выходе дроссель играет на процесс писка и транзюки греются даже при малых токах нагрузки собрал уже два зарядника,спалил не мало пока дошло спасибо ребята с вашей помощью на форуме,а то с импульсниками я не дружил раньше
|
|
| | Ср, 15.04.2015, 13:32 | Сообщение # 136
|
NIK6405 Пользователи Активность: 1
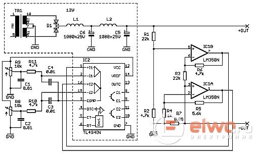
| Здравствуйте. Только не смейтесь, я в первый раз в жизни взял в руки паяльник, а познания в этой области так сказать на уровне интуиции. Вообщем решил я сделать регулируемый блок питания из ATX блока от ПК нашел рабочий блок питания, нашел на просторах интернета схему для переделки изучил так сказать материальную часть и приступил к переделке. Схему от своего блока питания я найти не смог но нашел похожую, (в моем блоке питания дежурные +5 вольт выполнены на аналоге микросхемы MC34063A я схем блоков с такой дежуркой не нашел) но после длительного изучения блока питания разобрался что к чему. Переделывать блок решил вот по такой схеме добавил после выпрямительных дросселей и конденсаторов резистор 470 Ом 1 Ват что бы трансформатор при отключении потребителя без нагрузки не оставался (для них это говорят вредно) и вот что у меня получилось (схему рисовал сам так что не бросайте тапками) в итоге без нагрузки получил регулирование по напряжению от 0,01 до 26,2 вольта подключил потребителя 12V 3 вата регулировка по току тоже работала. Потом подключил 12V 45 ват лампу от автомобиля и тут все чудеса закончились сгорела диодная сборка на выходе из силового трансформатора и силовые транзисторы раскачки. Подскажите пожалуйста, в чем причина???????? что делать??????? и в чем моя ошибка?????? исходный блок питания мощностью 300 ват.
|
|
| | Чт, 16.04.2015, 11:57 | Сообщение # 137
|
loska Пользователи Активность: 5
| Какую сборку диодов поставил? Добавлено (16.04.2015, 11:57) --------------------------------------------- по току на 20А,а по напруге хотя бы 60v,100v лучше.
|
|
| | Пт, 17.04.2015, 08:07 | Сообщение # 138
|
mmmAmbo5 Пользователи Активность: 15
| ....если правда все что говорите, то Вам прямая дорога в Сколково.....
|
|
| | Пн, 11.01.2016, 18:00 | Сообщение # 139
|
grisha-bond Пользователи Активность: 30
| MAESTRO,
поправил grisha-bond - Пн, 11.01.2016, 18:08 |
|
| | Вс, 17.01.2016, 18:36 | Сообщение # 140
|
феска Друзья Активность: 3627
| Ошибка в том что блок нужно было последовательно с лампочкой ставить, чтоб нечего не попалить, а вторая ошибка это диодная сборка мощнее надо а лучше это вообще мост ставить
|
|