|
Два двухполярных питания
|
|
| | Чт, 25.09.2014, 21:53 | Сообщение # 1
|
lykas Пользователи Активность: 1575
| ребята,требуется помощь,нужен такой вот блок питания (+27)-(-27)и(+15)-(-15),но чтобы земля у них была общая.имеется бп.в нем три напряжения,(+27)-(-27) общий и(+15),общий,получится ли если я разделю второе питание электролитами на + и -.(по +15 стоит два кондера паралельно.мне надо разделить что бы было два питания +27.-27и+15,-15,но что бы они работали с одной землей.и как зашунтировать литы что бы разряжались когда блок выключен.
|
|
| | Пт, 26.09.2014, 12:07 | Сообщение # 2
|
MAESTRO ^ Активность: 5564
| Вариант один - ставить выпрямитель с удвоением. Где через конденсатор идёт напряжение с транса:
А уж как объединить всё это... смотри сам:
|
|
| | Пт, 26.09.2014, 21:07 | Сообщение # 3
|
lykas Пользователи Активность: 1575
| у меня блок питания от магнитофона вильма212.там два выпрямителя(диодовых моста)на одном 25 вольт а на другом 15 вольт.и у них общий минус(корпус)но 25 вольт делится на два на +и-.а 15 вольт только +.можно ли разделить второй мост кондерами.корпус у них от средней точки трансформатора.мне нужно питать усь оконечный на микрухе тда7294 от питания+,-25 вольт а предусилитель питается от +,-15вольт вот задача.схема блока вот.
|
|
| | Пт, 26.09.2014, 21:30 | Сообщение # 4
|
MAESTRO ^ Активность: 5564
| Для тда7294 такие фокусы не пройдут - только полноценные выпрямители. У неё ток более 3-х ампер.
|
|
| | Пт, 26.09.2014, 21:37 | Сообщение # 5
|
lykas Пользователи Активность: 1575
| Цитата MAESTRO (  ) только полноценные выпрямители то есть ?там же и есть полноценный выпрямитель квадратный такой или он не выдержит?а для тдашки не много ли будет 25 вольт?оно если честно то до 27 доходит на кондерах.
|
|
| | Пт, 26.09.2014, 21:43 | Сообщение # 6
|
MAESTRO ^ Активность: 5564
| Имел ввиду что фокусы с удвоением, типа как приводил примеры выше, отпадают. 25В для неё нормально. Предусилитель потребляет мало тока, значит можно разделить 15В питание изменив схему по приведённым примерам.
|
|
| | Пт, 26.09.2014, 21:50 | Сообщение # 7
|
lykas Пользователи Активность: 1575
| А по вильмовской схеме как разделить?можно два плеча зделать кондерами на 15 вольт.можешь на схеме показать на вильмовской?
|
|
| | Пн, 29.09.2014, 21:38 | Сообщение # 8
|
lykas Пользователи Активность: 1575
| Цитата MAESTRO (  ) MAESTRO так как правильно зделать,если взять общий для двух питающих цепей,а (+) и (-) от выпрямителя который идет на 15 вольт будет двухполярное второе или нет?я просто не могу понять у меня во втором питании что на 15 вольт минус идет на общий и как разделить не соображу.ломал голову и видимо без вмешательства в схему никак да?
|
|
| | Вт, 30.09.2014, 22:32 | Сообщение # 9
|
lykas Пользователи Активность: 1575
| что то не могу никак сделать двухполярный источник.получается либо +17 и -3 вольт или наоборот -17 и +3в.а + -15 никак.может проблема в электролитах?
|
|
| | Ср, 01.10.2014, 09:53 | Сообщение # 10
|
MAESTRO ^ Активность: 5564
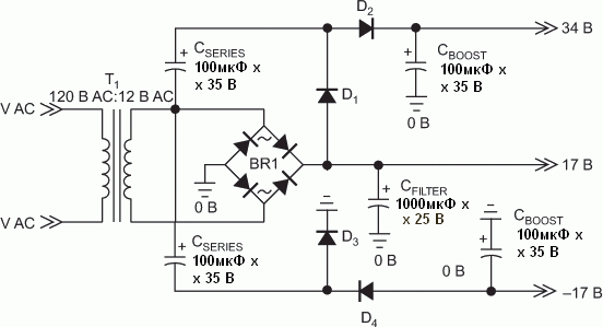
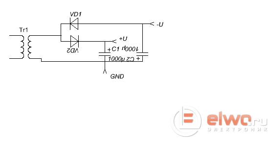
| Привет. Всё элементарно. Тот, что +-25В не трогаем - это понятно, а из однополярного выпрямителя 15В сделаем двухполярный, вот схема
и для примера её практический вариант в одном БП:
|
|