|
Два двухполярных питания
|
|
| | Ср, 01.10.2014, 20:53 | Сообщение # 11
|
lykas Пользователи Активность: 1575
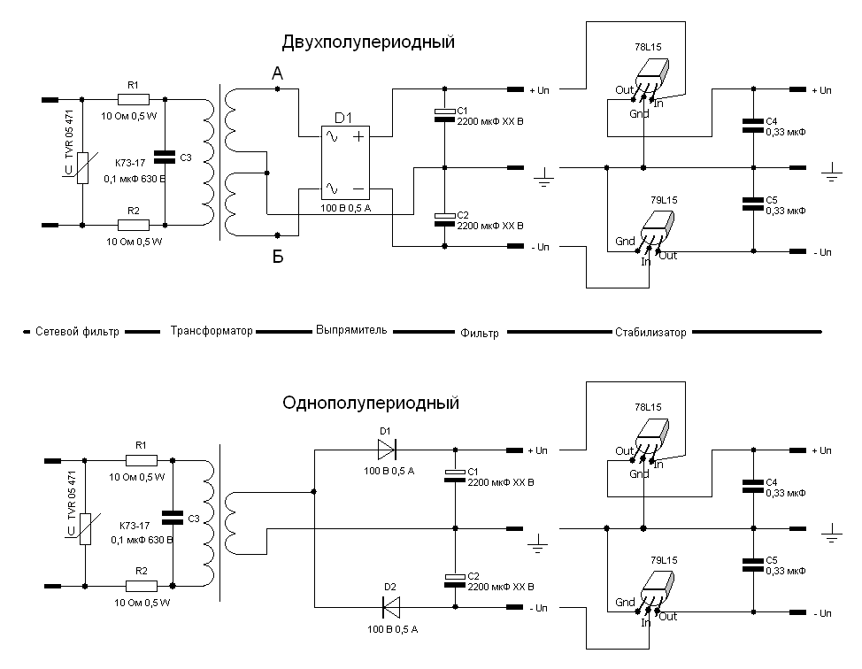
| вот спасибо я не правильно литы подсоеденяю.а вот на второй схеме два кондера С3 и С4 которые 2,2мкф.на 25в.они для чего?
|
|
| | Ср, 01.10.2014, 21:10 | Сообщение # 12
|
MAESTRO ^ Активность: 5564
| Для лучше сглаживания помех - улучшение фильтрации.
|
|
| | Ср, 01.10.2014, 21:30 | Сообщение # 13
|
lykas Пользователи Активность: 1575
| понятно сейчас пойду пробовать схему.если что напишу.нет в любом случае напишу.
|
|
| | Ср, 01.10.2014, 22:39 | Сообщение # 14
|
lykas Пользователи Активность: 1575
| ну в общем опять таже ерунда на одном кондере получается -27в.на втором +2.в.все же наверное нужно искать нормальные электролиты я их уже пять штук перебрал и толку нету.пойду искать
|
|
| | Чт, 02.10.2014, 00:21 | Сообщение # 15
|
lykas Пользователи Активность: 1575
| нет ничего.все напряжение переходит в один кондер.что не так.
|
|
| | Чт, 02.10.2014, 10:13 | Сообщение # 16
|
MAESTRO ^ Активность: 5564
| Проверяй на нагрузке резисторе 1 кОм. Схема простейшая - 100% должна работать, сам так иногда делаю.
|
|
| | Чт, 02.10.2014, 20:11 | Сообщение # 17
|
lykas Пользователи Активность: 1575
| все спасибо разобрался немного по другой схеме.оказалось пять электролитов дохлых на шестом пошла удача
|
|
| | Чт, 02.10.2014, 20:13 | Сообщение # 18
|
lykas Пользователи Активность: 1575
| вот схемы тоже простые.
|
|
| | Чт, 02.10.2014, 20:24 | Сообщение # 19
|
MAESTRO ^ Активность: 5564
| Вот, то что надо.
|
|
| | Вт, 14.10.2014, 22:14 | Сообщение # 20
|
lykas Пользователи Активность: 1575
| Цитата MAESTRO (  ) MAESTRO а вот еще возник вопрос.как будет себя вести блок питания если я им сделаю общую землю?у меня получилось два двуполярных блока от одного транса с разными обмотками.а корпус у них должен быть общий.боюсь просто усь спалить.(б.п. по вильмовской схеме только в место однополярного +15 я зделал двухполярное по схеме выше(однополупериодный) и мне нужно связать общий в одну точку.как быть?)
|
|