ФОРУМ ПО ЭЛЕКТРОНИКЕ



  • Страница 6 из 7
  • «
  • 1
  • 2
  • 4
  • 5
  • 6
  • 7
  • »
Архив - только для чтения
Светодиодный стробоскоп
 Сб, 13.10.2012, 21:31 | Сообщение # 51        

ZmEy76

Друзья

 Активность: 730   

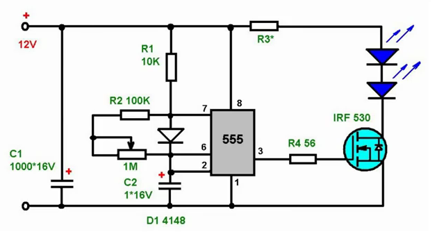
Вот какую то схемку, стробоскоп на светодиодах, нарыл. Прада сам не собирал, но на взгляд вроде рабочая. К тому же там не задействован вход (5), его и можно запустить как управление под музыку, добавить усилочек. И работать микрофоном или линейным выходом. wink

Добавлено (13.10.2012, 21:31)
---------------------------------------------
Аналог 555 микрухи, КР1006ВИ1.
Печатку отзеркалить.
Прикрепления: 1727156.png (67.7 Kb) · 2683151.jpg (53.9 Kb)


поправил ZmEy76 - Сб, 13.10.2012, 21:50
 Вс, 14.10.2012, 16:31 | Сообщение # 52        

ZinSon

Пользователи

 Активность: 104   

ZmEy76, В этой теме уже давали ссылку на эту схему, http://led222.ru/publ/skhema_svetodiodnogo_stroboskopa/1-1-0-74
Проблема в том что не могу найти таймер 555 или его аналог в городе sad
 Вс, 14.10.2012, 16:51 | Сообщение # 53        

Ксюня

Друзья

 Активность: 453   

Quote (ZinSon)
Проблема в том что не могу найти таймер 555 или его аналог в городе

Так какие проблемы зделай генератор на другой микре например 176-561 ЛА7 или любой другой серии. Или на транзисторах любой мультивибратор.Ету схему можно повторить с тысячей вариантов wink
 Пн, 15.10.2012, 20:15 | Сообщение # 54        

ZmEy76

Друзья

 Активность: 730   

Вот по этой схеме, на коленке за вечер слепил, из всякого хлама что было под рукой. wink
Прикрепления: 1395477.jpg (170.4 Kb)
 Пн, 15.10.2012, 20:34 | Сообщение # 55        

Ксюня

Друзья

 Активность: 453   

Вот совсем на древних деталях что однако не помеха поставит более современные.Вместо лампочки светодиоды вместо транзистора МП26 чтото типа КТ816.Вместо МП41 -КТ361
Прикрепления: 7324131.jpg (69.6 Kb)
 Пн, 15.10.2012, 21:45 | Сообщение # 56        

ZmEy76

Друзья

 Активность: 730   

Светодиод влепил 3 ватник слабенький 80 lm всего но в темноте на комнату хватает , транзистор IRFZ44N какой попался под руку, микра КР1006ВИ1 бу завалявшая. biggrin

поправил ZmEy76 - Вт, 16.10.2012, 06:42
 Ср, 24.10.2012, 22:15 | Сообщение # 57        

ZinSon

Пользователи

 Активность: 104   

ZmEy76, Ксюня, Спасибо за помощь и советы,я нашел таймер 555 так что попробую на нем. Может кто нибудь делал стробоскопик из фотоаппарата (мыльницы)??? Или представляет как это сделать??
 Ср, 24.10.2012, 23:09 | Сообщение # 58        

SatSSatS

Пользователи

 Активность: 32   

Не думаю, что лампа из мыльницы долго продержится ... Не рассчитана она на частое и долгое моргание.
 Чт, 25.10.2012, 19:01 | Сообщение # 59        

ZinSon

Пользователи

 Активность: 104   

SatSSatS, Ну не просто ей так валяться)) нада применить куда нибудь))
 Пн, 21.01.2013, 00:04 | Сообщение # 60        

aka

Пользователи

 Активность: 11   

http://www.youtube.com/watch?v=3GA3lfBladU сделал на днях



Прикрепления: 9185478.jpg (71.3 Kb) · 4303764.jpg (53.9 Kb)
  • Страница 6 из 7
  • «
  • 1
  • 2
  • 4
  • 5
  • 6
  • 7
  • »
Поиск:

Внимание! Форум переехал на Tehnodium.ru




© Форум по электронике Мобильная версия