ФОРУМ ПО ЭЛЕКТРОНИКЕ



Архив - только для чтения
Светодиодный стробоскоп
 Вт, 09.10.2012, 17:32 | Сообщение # 41        

ZinSon

Пользователи

 Активность: 104   

MAESTRO, Хочу сделать мобильный стробоскоп. Чтобы в любом месте устроить мини дискотеку))
Да и еще извеняюсь за глупый вопрос ,а цоколевку не подскажешь D2321?

На счет цоколевки уже не надо сам разобрался)

На скорую руку накидал схемку мыльницы,Ставил КТ819г неонка моргает ,вспышек нет))
 Вт, 09.10.2012, 17:34 | Сообщение # 42        

ZinSon

Пользователи

 Активность: 104   

MAESTRO, Правда схемку пришлось набросать в Sprint-Layout50 .
Прикрепления: 3664502.lay (15.6 Kb)
 Вт, 09.10.2012, 22:42 | Сообщение # 43        

MAESTRO

^

 Активность: 5564   

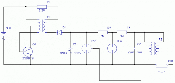
Похоже на стандартный блокинг генератор. Фот примерная схема. Если в твоём варианте питание 1,5В - то мощный транз может и не работать. Тогда оставь тот, что был, только следить чтоб не перегрелся.



А вот ещё строб с сетевым питанием:

Прикрепления: 1924894.gif (26.6 Kb) · 2739810.png (32.2 Kb)
 Чт, 11.10.2012, 15:32 | Сообщение # 44        

ZinSon

Пользователи

 Активность: 104   

MAESTRO, На ИФК 120 я делал ,правда по вот этой схеме
Прикрепления: 9435464.gif (6.2 Kb)
 Чт, 11.10.2012, 15:59 | Сообщение # 45        

ZinSon

Пользователи

 Активность: 104   

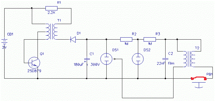
MAESTRO, Как я тебя понял если соединить кнопку то эта схема будет моргать?
Прикрепления: 3201978.gif (38.2 Kb)
 Чт, 11.10.2012, 16:01 | Сообщение # 46        

MAESTRO

^

 Активность: 5564   

Не просто соединить - оно будет моргать только при периодическом нажатии.
И как по той схеме - вспыхивало?
 Сб, 13.10.2012, 09:04 | Сообщение # 47        

Romick_Калуга

Друзья

 Активность: 348   

Стробоскоп на ИФК-120 я делал еще лет 10 назад. По схеме с динистором КН102И. В процессе эксплуатации что мне не понравилось:
1. Энергия вспышки даже для комнаты мала.
2. Если частота вспышек небольшая, то работает нормально. Если частоту поставить большую, то происходят пропуски вспышек. Я так понял, что не успевает заряжаться конденсатор.
3. Довольно быстро лампа теряет яркость. Или может быть кондер высыхает? Как быстро? Через пару лет вытащил, включил - уже вспышки вяленькие.
Поэтому для себя сделал вывод, что для дома лучше делать на светодиодах.
 Сб, 13.10.2012, 11:30 | Сообщение # 48        

MAESTRO

^

 Активность: 5564   

Конечно светодиоды предпочтительнее, но если вопрос стоит именно про ИФК, тогда можно уменьшить сопротивление зарядного резистора и поставить электролит лучшего качества, специально расчитанный на работу в вспышках (с большими динамическими токами).
 Сб, 13.10.2012, 15:54 | Сообщение # 49        

ZinSon

Пользователи

 Активность: 104   

Romick_Калуга, Конечно можно собрать и на светодиодах,но с поиском схемы у меня возникли трудности.

Добавлено (13.10.2012, 15:54)
---------------------------------------------
MAESTRO, По родной схеме вспышка происходила только после нажатия. А как сделать так чтобы периодически замыкался контакт?

 Сб, 13.10.2012, 16:59 | Сообщение # 50        

Ксюня

Друзья

 Активность: 453   

ZinSon, Примени для етого ритм генератор.Вспышка будет срабатывать под звуки барабана или ударника уж и не знаю как правильно назвать
Поиск:

Внимание! Форум переехал на Tehnodium.ru




© Форум по электронике Мобильная версия