ФОРУМ ПО ЭЛЕКТРОНИКЕ



Архив - только для чтения
USB-DMX
 Чт, 29.03.2012, 17:08 | Сообщение # 11        

Romick_Калуга

Друзья

 Активность: 348   

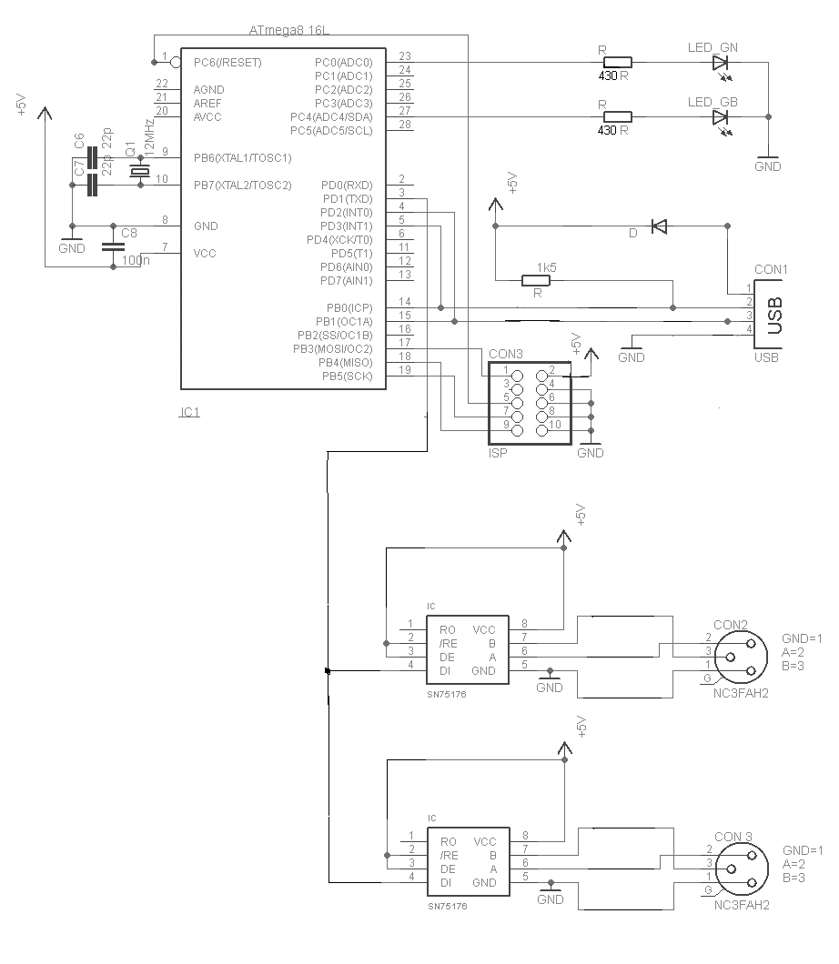
Вот другая схема USB-DMX на ATMega8.

Тут-же прошивка
Тут-же драйвер u-DMX и печатка
Чтобы проги работали нормально с uDMX, надо после установки драйверов uDMX.dll еще скопировать в директорию Windows \ System32\
В схеме неправильно показаны выводы на разъем DMX.
Нужно 2 и 3 выводы поменять местами, т.е.:
- с вывода 6 SN75176 на вывод 3 DMX
- с вывода 7 SN75176 на вывод 2 DMX

Самое главное, прочитайте про фузы!!!
Прикрепления: 7531239.png (63.0 Kb) · uDMX_lay4.lay (36.6 Kb) · uDMX_Driver.zip (140.7 Kb) · uDMX.hex (7.1 Kb) · 8844137.jpg (31.3 Kb)


поправил Romick_Калуга - Чт, 29.03.2012, 21:59
 Чт, 29.03.2012, 17:26 | Сообщение # 12        

DjBraga

Пользователи

 Активность: 63   

Эта схема и проша для стробоскопа по DMX 512.Ссылка на сайт

Добавлено (29.03.2012, 17:26)
---------------------------------------------
Спасибо за схемы,печатки и прошивки!


поправил DjBraga - Чт, 29.03.2012, 17:26
 Чт, 29.03.2012, 21:56 | Сообщение # 13        

Romick_Калуга

Друзья

 Активность: 348   

Вот фото моего устройства:








Прикрепления: 6044924.jpg (91.1 Kb) · 8811204.jpg (84.0 Kb) · 6397358.jpg (71.4 Kb) · 5641799.jpg (78.5 Kb) · 3334224.jpg (71.7 Kb)
 Чт, 29.03.2012, 21:59 | Сообщение # 14        

Romick_Калуга

Друзья

 Активность: 348   

фьюзы при программировании:
Прикрепления: 7811590.jpg (31.3 Kb)
 Сб, 07.04.2012, 16:16 | Сообщение # 15        

PowerBoy

Пользователи

 Активность: 11   

Romick_Калуга, Помогите, собрал OpenRdm четко по схеме но почемуто при работе с приборами(головы,сканера)
как то не коректно себя ведут(подергивая поворачиваются в нужном направлении и все повороты происходят с нестандартным шагом движения!В чем проблема?Огромное спасибо за
 Сб, 07.04.2012, 18:44 | Сообщение # 16        

DjBraga

Пользователи

 Активность: 63   

Quote (PowerBoy)
Romick_Калуга, Помогите, собрал OpenRdm четко по схеме но почемуто при работе с приборами(головы,сканера)
как то не коректно себя ведут(подергивая поворачиваются в нужном направлении и все повороты происходят с нестандартным шагом движения!В чем проблема?Огромное спасибо за

С каким софтом работаете? Драйвер FDTI УСТАНОВИЛИ?


поправил DjBraga - Сб, 07.04.2012, 18:48
 Вс, 08.04.2012, 13:27 | Сообщение # 17        

Romick_Калуга

Друзья

 Активность: 348   

Может быть из-за драйвера, а может быть просто где-то не пропаял ногу? Все же ювелирная работа. Я под большой лупой все перепроверял. Заработало со 2-го или 3-го раза.
 Пн, 09.04.2012, 22:45 | Сообщение # 18        

PowerBoy

Пользователи

 Активность: 11   

Дрова поставил,розпознало как конвертер.Софт freestyle, на нескольких компах пробовал те же яйца(
 Вт, 10.04.2012, 07:21 | Сообщение # 19        

Romick_Калуга

Друзья

 Активность: 348   

У меня с фристайлером работает нормально.
 Вт, 10.04.2012, 07:40 | Сообщение # 20        

Romick_Калуга

Друзья

 Активность: 348   

Про установку драйвера FTDI почитай тут http://musidora.ru/musidrvftdi.htm может быть, ты что-то упустил?
Поиск:

Внимание! Форум переехал на Tehnodium.ru




© Форум по электронике Мобильная версия