ФОРУМ ПО ЭЛЕКТРОНИКЕ



  • Страница 1 из 3
  • 1
  • 2
  • 3
  • »
Архив - только для чтения
Еще одна схема светового сканера
 Пт, 23.03.2012, 20:33 | Сообщение # 1        

Romick_Калуга

Друзья

 Активность: 348   

Схема светового сканера, которую я собрал, а сам сканер нет. но схема работает 100 %.
 Пт, 23.03.2012, 20:35 | Сообщение # 2        

Romick_Калуга

Друзья

 Активность: 348   

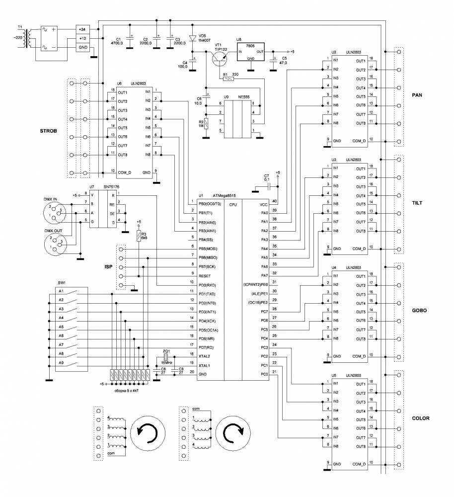
Схема:

Прошивка:
Прикрепления: 8282185.gif (80.5 Kb) · 7716869.zip (2.8 Kb)
 Пт, 23.03.2012, 20:36 | Сообщение # 3        

Romick_Калуга

Друзья

 Активность: 348   

Фотки к прибору:




Прикрепления: 5711425.jpg (32.2 Kb) · 7938274.jpg (62.2 Kb) · 2967380.jpg (61.2 Kb) · 6814696.jpg (88.0 Kb) · 6152131.jpg (60.1 Kb)
 Пт, 23.03.2012, 20:38 | Сообщение # 4        

Romick_Калуга

Друзья

 Активность: 348   



Прикрепления: 9057274.jpg (85.0 Kb) · 1560711.jpg (84.0 Kb) · 5521960.jpg (88.2 Kb) · 4283587.jpg (109.3 Kb)
 Пт, 23.03.2012, 20:39 | Сообщение # 5        

Romick_Калуга

Друзья

 Активность: 348   



Прикрепления: 9302554.jpg (63.9 Kb) · 9014588.jpg (59.7 Kb) · 1211435.jpg (54.3 Kb)
 Пт, 23.03.2012, 20:40 | Сообщение # 6        

Romick_Калуга

Друзья

 Активность: 348   

Печатная плата
Прикрепления: _2.lay (92.1 Kb)
 Пт, 23.03.2012, 20:42 | Сообщение # 7        

Romick_Калуга

Друзья

 Активность: 348   

Пояснения к схеме от специалистов:

Сканер для дискотек и т.п. Управление DMX512.
Униполярные ШД. Канал STROB работает в полушаге, остальные
в микрошаге (упрощённо, путём програмного ШИМ без обратной связи).

----------------------
PAN
----------------------
TILT
----------------------

COLOR:
0-15 open
16-31 color1
32-47 color2
48-63 color3
64-79 color4
80-95 color5
96-111 color6
112-127 color7
128-143 color8
144-255 rainbow slow-fast
----------------------

GOBO:
0-15 open
16-31 gobo1
32-47 gobo2
48-63 gobo3
64-79 gobo4
80-95 gobo5
96-111 gobo6
112-127 gobo7
128-143 gobo8
144-255 --- (резерв)
----------------------

STROB:
0-7 close (blackout)
8-31 dimm 0%-100%
32-47 open
48-255 strob slow-fast
----------------------

Дистанционный сброс:
color=3
gobo=4
strob=5
При удержании этих значений в течении более 4с будет дистанционный сброс с отработкой начальных позиций.

В девайсе применены весьма специфичные ШД 2-х типов с большим Rобм. (на 24v и 17v),
поэтому в схеме два уровня питания. При повторении применяйте сой блок питания,
в соответствии со своими ШД.

Узел схемы с таймером 555 используется для задержки подачи питания МК на время
розжига газоразрядной лампы.

В прошивке предусмотрена обработка сторожевого таймера (период 2.1сек). При необходимости
его можно включить прошивкой фуза WDTON. А можно и не включать.
Прикрепления: Readmee.txt (1.3 Kb)
 Пн, 09.04.2012, 09:49 | Сообщение # 8        

Вовчик

Пользователи

 Активность: 73   

Подскажите пожалуйста, в программе фристайл какой выбрать прибор ближе к вашей схеме? Спасибо!
 Пн, 09.04.2012, 11:17 | Сообщение # 9        

Romick_Калуга

Друзья

 Активность: 348   

Quote (Вовчик)
Подскажите пожалуйста, в программе фристайл какой выбрать прибор ближе к вашей схеме?

Этот сканер я не собирал. Только плату, опробовал, что-то не очень понравилось. По-моему движки дергались и каналов мало.
А собрал другой сканер на AT89C52. В фристайлере готовый сканер не брал, т.к. у разных приборов разное количество цветов, гобо и т.д. Я свой создал. Именно в фристайлере. Для этого в пакете программ есть такая утилитка. Все очень просто.
 Пн, 09.04.2012, 11:27 | Сообщение # 10        

Вовчик

Пользователи

 Активность: 73   

Подскажите по подробнее куда зайти чтобы создать сканер? Спасибо!
  • Страница 1 из 3
  • 1
  • 2
  • 3
  • »
Поиск:

Внимание! Форум переехал на Tehnodium.ru




© Форум по электронике Мобильная версия