|
Конструкции генераторов спецэффектов
|
|
| | Чт, 15.03.2012, 20:40 | Сообщение # 1
|
Romick_Калуга Друзья Активность: 348
| Тут можно выложить фото, схемы разных спец-машин.
|
|
| | Чт, 15.03.2012, 22:40 | Сообщение # 2
|
Romick_Калуга Друзья Активность: 348
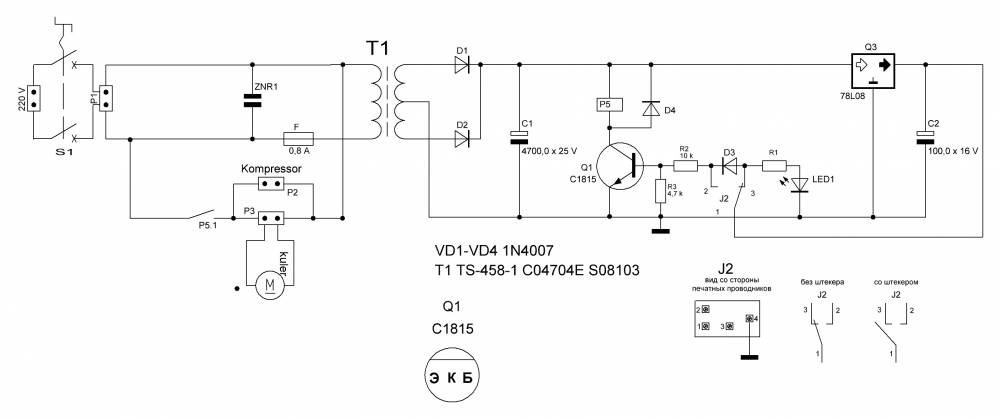
| Генератор тумана Antari HZ-100 Конструкция:
Вот схема, которую я нарисовал по плате.
Это устройство похожего генератора тумана Antari HZ-400
В отличие от HZ-100 в нем две форсунки, и есть управление по DMX
|
|
| | Вс, 18.03.2012, 18:43 | Сообщение # 3
|
Romick_Калуга Друзья Активность: 348
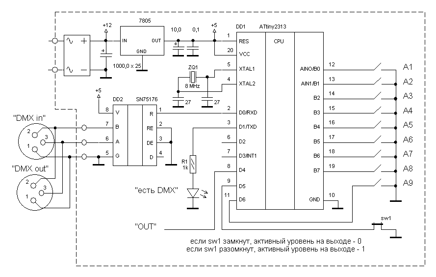
| Хороший генератор тумана, но не хватает управления по DMX. Как его сделать? Я решил собрать свитчер по такой схеме: Только 9-й дип решил не ставить. Врядли у меня будет 1024 адресов DMX. Оставил 8 дипов (512 DMX адресов). а это прошивка
Нужно немного переделать схему генератора. Вот так:
Чтобы упростить схему и не вводить лишний стабилизатор напряжения на 5В, я стабилизатор 7805 впаял в схему генератора вместо 78L08. Печатная плата свитчера:
поправил Romick_Калуга - Вс, 18.03.2012, 18:44 |
|
| | Вс, 18.03.2012, 18:52 | Сообщение # 4
|
flash Пользователи Активность: 69
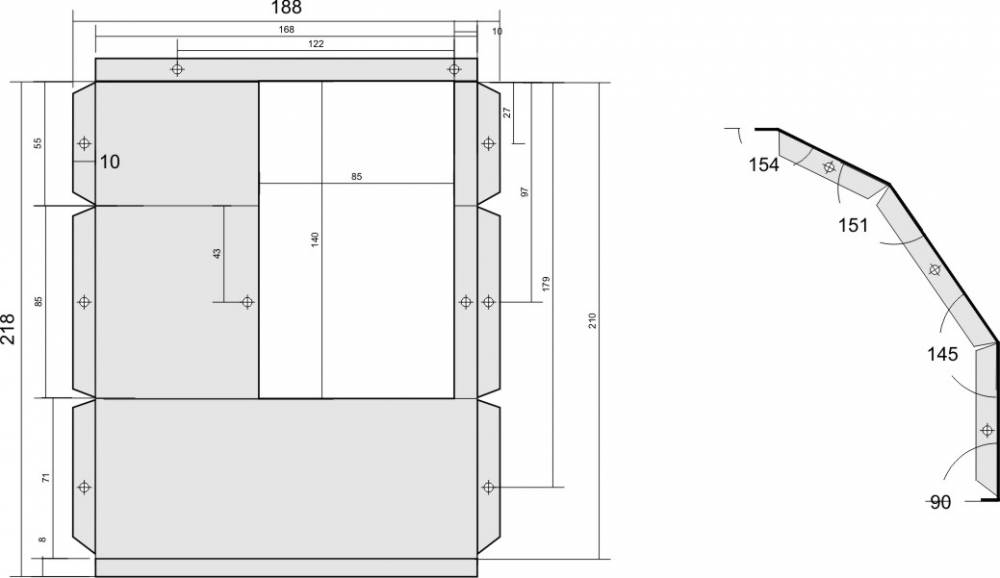
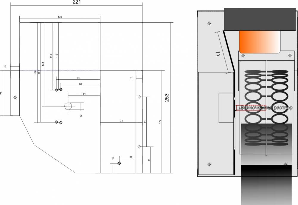
|  Добавлено (18.03.2012, 18:52) --------------------------------------------- Всем привет! Хочу поделиться чертежами по генератору мыльных пузырей (Antari). Строго не судите. Вознинут вопросы с удовольствием отвечу.
|
|
| | Вс, 18.03.2012, 18:56 | Сообщение # 5
|
flash Пользователи Активность: 69
|
|
|
| | Вс, 18.03.2012, 18:57 | Сообщение # 6
|
flash Пользователи Активность: 69
|
|
|
| | Вс, 18.03.2012, 19:03 | Сообщение # 7
|
Romick_Калуга Друзья Активность: 348
| Собрал такую плату: На основной плате разрезал дорожку и припаял провода.
Разобрал генератор тумана, открутил и снял все. Осталась только нижняя часть корпуса. Сзади просверлил и пропилил отверстия для переключателей, светодиода и DMX разъемов:
Плату на уголке прикрутил и соединил с основной платой (через разъем). Закрепил DMX разъемы.
Испытал и собрал генератор. Тепарь сзади он смотрится так:
Если предполагается дымить вручную, то переключатель под дипами переключаю вниз в ручной режим и тогда он будет дымить, как только включаю выключатель питания. Если перевести переключатель режимов в верхнее положение и задать DIP адрес, от можно управлять им с компа. Я управлял в программе Freestyler.Добавлено (18.03.2012, 19:03) --------------------------------------------- Интересная схема мыльных пузырей. Возьму на вооружение. Только не понятно, откуда воздух дует. А что за плата там? Там есть какая-то схема? Или просто выпрямитель для движков 12 В?
|
|
| | Вс, 18.03.2012, 19:13 | Сообщение # 8
|
flash Пользователи Активность: 69
|  Добавлено (18.03.2012, 19:13) --------------------------------------------- Romick_Калуга, Я напишу чуть позже. Только напомни мне пожалуйста еще раз. У меня интернет очень тормозной. Дай я пока что все выложу, что у меня есть. А дальше буду отвечать на вопросы. Ок?
|
|
| | Вс, 18.03.2012, 19:23 | Сообщение # 9
|
flash Пользователи Активность: 69
|
|
|
| | Вс, 18.03.2012, 19:50 | Сообщение # 10
|
flash Пользователи Активность: 69
|
|
|