ФОРУМ ПО ЭЛЕКТРОНИКЕ



  • Страница 1 из 3
  • 1
  • 2
  • 3
  • »
Архив - только для чтения
Стрелочные индикаторы
 Чт, 11.11.2010, 20:12 | Сообщение # 1        

MAESTRO

^

 Активность: 5564   

Стрелочные индикаторы - типы, использование, расчёт.

РАСЧЁТ ШУНТА
САМОДЕЛЬНЫЙ ШУНТ
 Пн, 31.01.2011, 14:44 | Сообщение # 2        

Гость

Гости

 Активность:    

И на сколько ватт надо этот шунтирующий резистор брать? Допустим чтоб 5 А амперметр сделать для ЗУ.
 Вт, 27.09.2011, 20:38 | Сообщение # 3        

робот

Пользователи

 Активность: 179   

у меня есть вопрос можно ли диод кд 503б кд521 и д311 заменить на д220 или д223 на волномер
 Вт, 27.09.2011, 21:59 | Сообщение # 4        

феска

Друзья

 Активность: 3627   

робот,кд нет можно применить импортный высокочастотные
 Ср, 28.09.2011, 14:18 | Сообщение # 5        

робот

Пользователи

 Активность: 179   

тоисть д220 пойдёт
 Ср, 28.09.2011, 14:47 | Сообщение # 6        

феска

Друзья

 Активность: 3627   

надо схему посмотреть у 311 есть обратный ток у д220 нет
 Ср, 28.09.2011, 16:37 | Сообщение # 7        

MAESTRO

^

 Активность: 5564   

На волномер ставь любой германиевый, и Д220 в том числе.
 Ср, 28.09.2011, 17:03 | Сообщение # 8        

робот

Пользователи

 Активность: 179   

ок,спасибо за помощ smile
 Ср, 28.09.2011, 17:08 | Сообщение # 9        

робот

Пользователи

 Активность: 179   

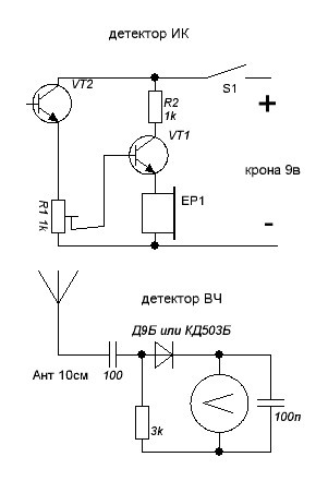
вот схема детектор вч
Прикрепления: 4473419.jpg (20.5 Kb)


поправил робот - Ср, 28.09.2011, 17:09
 Ср, 28.09.2011, 17:43 | Сообщение # 10        

феска

Друзья

 Активность: 3627   

робот, срызу бы так а я слыщу волномер и представляю схему на мк + логики штук 5 жки икраны, АЦП и тп wacko wacko wacko wacko
  • Страница 1 из 3
  • 1
  • 2
  • 3
  • »
Поиск:

Внимание! Форум переехал на Tehnodium.ru




© Форум по электронике Мобильная версия