ФОРУМ ПО ЭЛЕКТРОНИКЕ



Архив - только для чтения
Самодельные зарядные устройства
 Вт, 17.01.2012, 22:36 | Сообщение # 31        

феска

Друзья

 Активность: 3627   

ANDREWAG, около 6 надо чтоб заряд был 1,4 -1,7 на акум а резистор для чего 4,8 ом он устанавливает ток заряда первоначальный естественно он будет уменьшаться по физическим законам и когда акуп зарядится он будет минимальный по поводу тока заряда для ваших батарей почитайте
 Ср, 18.01.2012, 04:01 | Сообщение # 32        

avanta78

Пользователи

 Активность: 6   

А я поставил на напругу 2 резистора параллельно - через переключатель - 2 кОм (на выходе 13-14В- для 8 акб) и 1 кОм (7-8В для 4 акб). А R1 у меня регулируемый (0-22 Ом, 0,5 Вт) - заряжать акб от 500 до 2500 мА. Радиатор снаружи БП с пачку сигар.
 Ср, 18.01.2012, 08:09 | Сообщение # 33        

ANDREWAG

Пользователи

 Активность: 4   

Спасибо большое за ответы. Простите за дотошность, правильно ли я понял, что для заряда аккумов 1,2 В лучше выставлять напругу из рассчета 1,5-1,7 В на элемент?
И можно ли как-то организовать индикацию процесса заряда, например включить светодиод АЛ307 последовательно с АКБ? А то мало ли что, где-то нет контакта, ты думаешь что заряд идет - в итоге 15 часов потеряно.
 Ср, 18.01.2012, 08:42 | Сообщение # 34        

феска

Друзья

 Активность: 3627   

ANDREWAG, как вашей душе угодно хоть контролер заряда хоть, светодиод попробуйте последовательно biggrin biggrin поэксперензируйте
 Вс, 29.01.2012, 22:24 | Сообщение # 35        

Klish21

Пользователи

 Активность: 1   

Уважаемые форумчане, решил собрать зарядно-восстановительное для автомобильного аккумулятора. Вот присматриваюсь к этой схеме http://elwo.ru/publ....1-0-246 и к этой http://elwo.ru/publ/impulsnyj_vosstanovitel_akkumuljatorov/1-1-0-11. Скажите, как происходит процесс восстановления аккумуляторных батарей на этих схемах? Можно ли первую схему максимально собрать на печатной плате? Может у кого есть печатныя плата второго устройства?
 Вс, 29.01.2012, 22:56 | Сообщение # 36        

феска

Друзья

 Активность: 3627   

Klish21, причина порчи акумулятора это накопление солей свинца и выпадения их в осадок осадок этот является проводником
электрического тока и замыкает банки в результате он не способен долго держать заряд(соли образуется как естественный процесс воздействия кислоты на пластины свинца, но этот процесс достаточно длительный, катализатором данного процеса является постоянный электрический ток)
работа восстановителя связа с использованием импульсного тока который разрушает кристаллы солей первый полу период разбивает, второй выпадения освободившихся молекул свинца обратно на пластины процес достаточно бурный и нужно следить за газообразованием и уровнем электролита если акумулятор старый и не раз в него добавлялся электролит необходимо разбавлять концентрацию дес. водой так как при де сульфатизации высвобождается SO4
 Вт, 31.01.2012, 19:41 | Сообщение # 37        

tichenko7709

Пользователи

 Активность: 4   

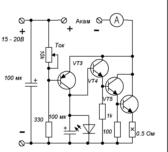
Здравствуйте,хочу собрать вот это зарядное http://elwo.ru/publ/zarjadnoe_ustrojstvo/1-1-0-196,но непонятно с транзисторами vt3=кт814,vt4=кт815,vt5=кт805,а vt6=?
прошу прояснить мне этот вопрос,заранее спасибо.
Прикрепления: 6563784.png (43.3 Kb)
 Вт, 31.01.2012, 20:58 | Сообщение # 38        

MAESTRO

^

 Активность: 5564   

vt6 - любой мощный н-п-н. Например тоже кт805. А vt4 и vt5 - кт815.
 Вт, 31.01.2012, 22:37 | Сообщение # 39        

tichenko7709

Пользователи

 Активность: 4   

Спасибо MAESTRO!
 Сб, 04.02.2012, 21:12 | Сообщение # 40        

sip89

Пользователи

 Активность: 3   

Пожалуйста расскажите о принципе заряда АКБ по данной схеме та, которая упрощенная). С такой схемой я столкнулся в пуско-зарядном устройстве "Старт-1". Подключаю АКБ, включаю зарядник выставляю необходимый ток заряда. Амперметр показывает выставленный ток заряда, через несколько секунд ток падает до "0" затем увеличивается и уменьшается стрелка амперметра прыгает туда сюда. Потом ток окончательно падает до нуля и всё!!! Сопротивления делителя (100 Ом) сильно греются. Что это???

поправил sip89 - Сб, 04.02.2012, 21:39
Поиск:

Внимание! Форум переехал на Tehnodium.ru




© Форум по электронике Мобильная версия