ФОРУМ ПО ЭЛЕКТРОНИКЕ



  • Страница 1 из 3
  • 1
  • 2
  • 3
  • »
Архив - только для чтения
Ремонт телевизора Vestel2106
 Вт, 27.09.2011, 09:25 | Сообщение # 1        

AKA_87

Пользователи

 Активность: 9   

добрый день. история такая. телевизор vestel2106 на шасси 11АК30-11. при включении в сеть в дежурном режиме горит постоянно красным светодиод. при переводе в рабочий режим светодиод гаснет, звук есть, каналы переключаются, но нет изображения. помогите советом, где искать неисправность?
 Вт, 27.09.2011, 09:50 | Сообщение # 2        

феска

Друзья

 Активность: 3627   

AKA_87, а предшествующие симптомы были неправильной работы
 Ср, 28.09.2011, 05:10 | Сообщение # 3        

AKA_87

Пользователи

 Активность: 9   

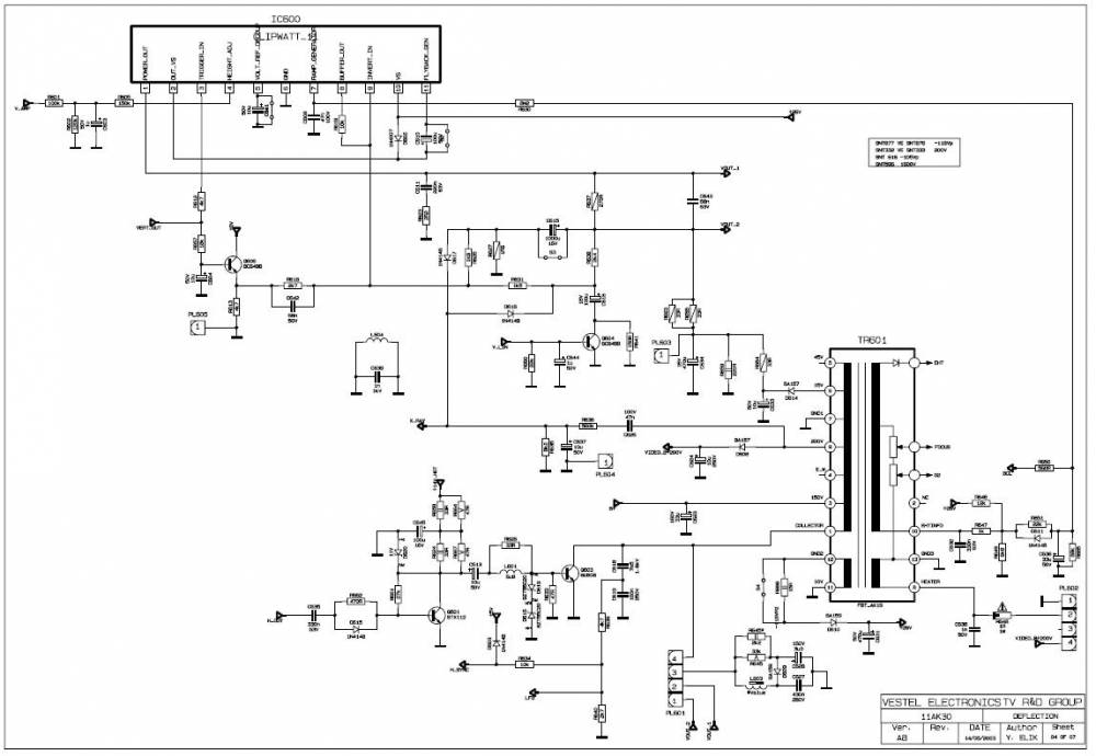
из слов владельца телевизора: работал, но в один момент при включении просто не включился. т.е. звук есть, изображения нет... вызов мастера на дом дал результат, но не надолго. на два дня. при осмотре было видно, что пропаян (либо заменен) строчный транзистор (BU808). при проверке напряжений мультиметром (осциллографа нет :((( ) оказалось что нет питания на микросхему IC600 10 нога (схему приложил) +26В, которое снимается со строчника 12 нога через диод D610. Напряжение с строчного транзистора на 1 ногу транса +117В. (по многим форумам полазил вроде норма) С 9 ноги строчника 250В, после диода D608 +117В. просто чудеса...уже почти всю схему поперелопатил, не пойму в чем дело. прикрепил ещё схему блока питания.

Добавлено (28.09.2011, 05:10)
---------------------------------------------
интересно еще то, что по идее (если я правильно понял из схемы ) на 11 и 12 ноге строчного транса должна быть переменка (около 20-26В) а там просто 0В. все таки немного грешу на строчный трансформатор... хотя при прозвонке 11 и 12 ноги вроде цепь есть...

Прикрепления: 6676495.jpg (70.5 Kb) · 3017036.jpg (82.6 Kb)
 Ср, 28.09.2011, 09:12 | Сообщение # 4        

Evgeniy811

Друзья

 Активность: 1199   

питание на транзисторе еще не показатель... развертка строчная запускается? smile (Накал, высокое присутствуют?)
 Ср, 28.09.2011, 09:53 | Сообщение # 5        

феска

Друзья

 Активность: 3627   

Quote (AKA_87)
оказалось что нет питания на микросхему IC600 10 нога (схему приложил) +26В, которое снимается со строчника 12 нога через диод D610

я не пойму а этот узел за пустили там 4 детали в обьвязке (чтоб увидеть переменку надо 11 и 12 ноги из схемы исключить) а вообще надо как Евгений правильно говорит сначала проверить накал потом высокое
 Ср, 28.09.2011, 09:57 | Сообщение # 6        

Evgeniy811

Друзья

 Активность: 1199   

Quote (AKA_87)
С 9 ноги строчника 250В
высокое есть..., не обратил внимание, извини.
сам диод d610 проверить заменой, конденсатор фильтрующий.
может и обмотка ТДКСа мудрить(редко, но бывает)
 Ср, 28.09.2011, 10:22 | Сообщение # 7        

AKA_87

Пользователи

 Активность: 9   

диод менялся. конденсатор фильтрующий тоже. безрезультатно...

Добавлено (28.09.2011, 10:22)
---------------------------------------------

Quote (феска)
я не пойму а этот узел за пустили там 4 детали в обьвязке


по цепочке 12 нога ТДКС - резистор-диод (ВА159)-фильтр. конд-ор-нога питания микросхемы: все детали менялись и неоднократно проверялись. на ноге как был 0В так и остался.
а насчет
Quote (феска)
(чтоб увидеть переменку надо 11 и 12 ноги из схемы исключить)

в первый раз слышу. чтоб проверить наличие переменного напряжения на выводах транса необязательно их отключать даже на импульсниках и на тдкс.
 Ср, 28.09.2011, 10:28 | Сообщение # 8        

феска

Друзья

 Активность: 3627   

Quote (AKA_87)
в первый раз слышу. чтоб проверить наличие переменного напряжения на выводах транса необязательно их отключать даже на импульсниках и на тдкс.

AKA_87, это актуально если элементы обвязки работоспособны (тоже самое и с прозвонкой) легче выпаять 2 ноги чем проверить все элементы обвязки на работоспособность
 Ср, 28.09.2011, 10:30 | Сообщение # 9        

феска

Друзья

 Активность: 3627   

я обычно не выпаиваю а перерезаю дорожки
 Ср, 28.09.2011, 16:34 | Сообщение # 10        

Evgeniy811

Друзья

 Активность: 1199   

ну прям чудеса! получается что строка работает, обмотка живая а напругу не выдаёт?
  • Страница 1 из 3
  • 1
  • 2
  • 3
  • »
Поиск:

Внимание! Форум переехал на Tehnodium.ru




© Форум по электронике Мобильная версия