ФОРУМ ПО ЭЛЕКТРОНИКЕ



Архив - только для чтения
Делаем УНЧ на лампах
 Сб, 19.01.2013, 21:45 | Сообщение # 231        

TIS

Друзья

 Активность: 562   

vadim-life, Симпатично получилось.Для передка можно светодиодную подсветку замутить.
 Сб, 19.01.2013, 21:55 | Сообщение # 232        

MAESTRO

^

 Активность: 5564   

Или какой-то светодиодный индикатор уровня.
 Сб, 19.01.2013, 23:26 | Сообщение # 233        

Gamzan

Друзья

 Активность: 1327   

Не. Индикатор должен быть или стрелочным, или ламповым. smile
 Сб, 19.01.2013, 23:31 | Сообщение # 234        

TIS

Друзья

 Активность: 562   

А вот что у меня получилось.Очень прошу прощения за качество фотки.

Прикрепления: 3770546.jpg (86.3 Kb)
 Сб, 19.01.2013, 23:47 | Сообщение # 235        

MAESTRO

^

 Активность: 5564   

Фото не очень - но аппарат класный. Подсветка будет?
 Сб, 19.01.2013, 23:58 | Сообщение # 236        

TIS

Друзья

 Активность: 562   

Спасибо,я старался smile Подсветка ужо имеется.При включении стрелочный индикатор светится синем цветом.Завтра постараюсь запечатлеть на мою с позволения сказать камеру.
 Вс, 20.01.2013, 00:10 | Сообщение # 237        

MAESTRO

^

 Активность: 5564   

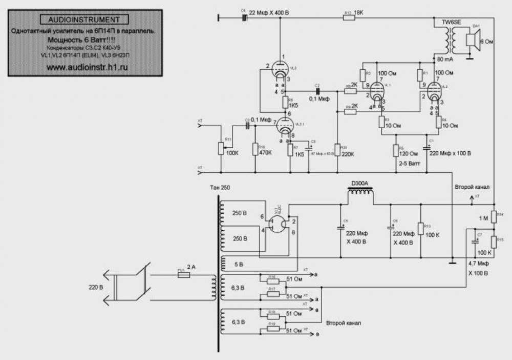
Если не ошибаюсь - это 6п14п+6н23п?
 Вс, 20.01.2013, 09:42 | Сообщение # 238        

TIS

Друзья

 Активность: 562   

Да,это они.Делал по схеме с сайта.Вот так эта штука светится.
Прикрепления: 7453625.jpg (70.6 Kb)
 Вс, 20.01.2013, 11:13 | Сообщение # 239        

vadim-life

Пользователи

 Активность: 63   

Вот еще мой УНЧ по схеме:

Добавлено (20.01.2013, 11:13)
---------------------------------------------
УНЧ для ПК в плане воткнуть туда FM модулятор там есть выход AUX и слушать музыку с флешки.

Прикрепления: 8876445.jpg (53.7 Kb) · 9609945.jpg (52.4 Kb) · 8348419.jpg (55.9 Kb) · 2883634.jpg (35.1 Kb)
 Вс, 20.01.2013, 13:41 | Сообщение # 240        

Gamzan

Друзья

 Активность: 1327   

Оригинальный конструктив. Еще бы заморить потемнее... И лаком.
Поиск:

Внимание! Форум переехал на Tehnodium.ru




© Форум по электронике Мобильная версия