ФОРУМ ПО ЭЛЕКТРОНИКЕ



  • Страница 1 из 8
  • 1
  • 2
  • 3
  • 7
  • 8
  • »
Архив - только для чтения
Хочу собрать усилитель на 6н14п в параллель ватт по 15
 Вс, 05.10.2014, 13:06 | Сообщение # 1        

pepel

Пользователи

 Активность: 60   

Здравствуйте!
скажу сразу,не пинайте,я в лампах не очень.
собирал интегральные усилки (понравился Брагинский).
захотелось мне ламповый,для мафона(есть ОЛИМП-004 и ИДЕЛЬ001-1).
хочу ват 15 на канал.
подскажите по схеме,а потом начну собирать необходимые деталюшки.
заранее спасибо. cry
 Вс, 05.10.2014, 17:31 | Сообщение # 2        

MAESTRO

^

 Активность: 5564   

В начале каждой ветки форумов по лампам есть много ссылок на схемы самодельных УНЧ. Все 100% проверены. Выбирай...
 Вс, 05.10.2014, 20:18 | Сообщение # 3        

Gamzan

Друзья

 Активность: 1327   

На такую мощность надо делать двухтакт. Распространенные недорогие лампы - 6П14П, 6П3С, 6П6С. В драйвер - 6Н2П, 6Н23П, 6Н8С, 6Н9С. Схем в сети валом.
Как пример - вот:
Прикрепления: 3333502.jpg (98.0 Kb)


поправил Gamzan - Вс, 05.10.2014, 20:24
 Вс, 05.10.2014, 21:59 | Сообщение # 4        

Gamzan

Друзья

 Активность: 1327   

Две 6П14П в параллель, однотакт, выходная мощность 5Вт:
Прикрепления: 9212928.jpg (53.4 Kb)
 Пн, 06.10.2014, 16:40 | Сообщение # 5        

pepel

Пользователи

 Активность: 60   

всем доброго вечера!
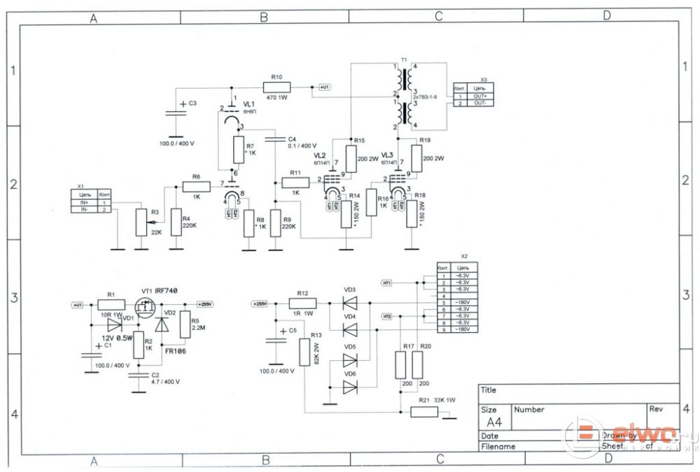
Gamzan,а в схеме поста №3, в качестве выходного транса можно применить готовый типа ТАН-104-220-50 К,
чтобы не мотать новый?
 Пн, 06.10.2014, 16:41 | Сообщение # 6        

MAESTRO

^

 Активность: 5564   

Можно без проблем. Только возможно придётся чуть изменить выход - на пентодное включение (без отводов). Мотать никто не любит smile
 Пн, 06.10.2014, 17:11 | Сообщение # 7        

pepel

Пользователи

 Активность: 60   

MAESTRO,
вот по этой схеме подскажи как,я таким никогда не занимался,уж простите.если можно,то привяжите данный транс к
схеме усилка.(просто нарыл на работе 6 штук ТАН 104-220-50К)
Прикрепления: 5125802.jpg (10.4 Kb)


поправил pepel - Пн, 06.10.2014, 17:14
 Пн, 06.10.2014, 21:28 | Сообщение # 8        

MAESTRO

^

 Активность: 5564   

Где-то на форуме уже поднималась тема, не помню точно. Просто соединяй половину (одинаковую) вторичек с каждой половиной первички ( 1-3,4-6), причём питание подавать на точку соединения 3,6 а на концы обмоток цеплять аноды. Обмотка 6,3 вольта на динамик.
 Пн, 06.10.2014, 21:46 | Сообщение # 9        

Gamzan

Друзья

 Активность: 1327   

примерно включение так будет выглядеть
анод-110-28-28-питание-28-28-110-анод
Вторичная обмотка 6.3в+1.3в
 Вт, 07.10.2014, 18:31 | Сообщение # 10        

pepel

Пользователи

 Активность: 60   

добрый вечер!
если я правильно понял,то получится должно так:
вывод№1-анод Л2
вывод№2соед.с №7
№8с№9 и ногой №9 Л2(сетка)
№10тр. с №16 и на 300вольт
№17 соед. с №18 и ногой №9 Л№3(сетка)
№19 с№20
№ 21 с№4
№ 5 с№7 Л3(анод)
вторичка это №13
№ 15соед.с №23
а №24 это второй вывод вторички.
  • Страница 1 из 8
  • 1
  • 2
  • 3
  • 7
  • 8
  • »
Поиск:

Внимание! Форум переехал на Tehnodium.ru




© Форум по электронике Мобильная версия