ФОРУМ ПО ЭЛЕКТРОНИКЕ



  • Страница 1 из 2
  • 1
  • 2
  • »
Архив - только для чтения
Инвертор 12 в 220 вольт
 Ср, 22.08.2012, 16:57 | Сообщение # 1        

NetFront

Пользователи

 Активность: 80   

ИНВЕРТОР 12-220 ВОЛЬТ

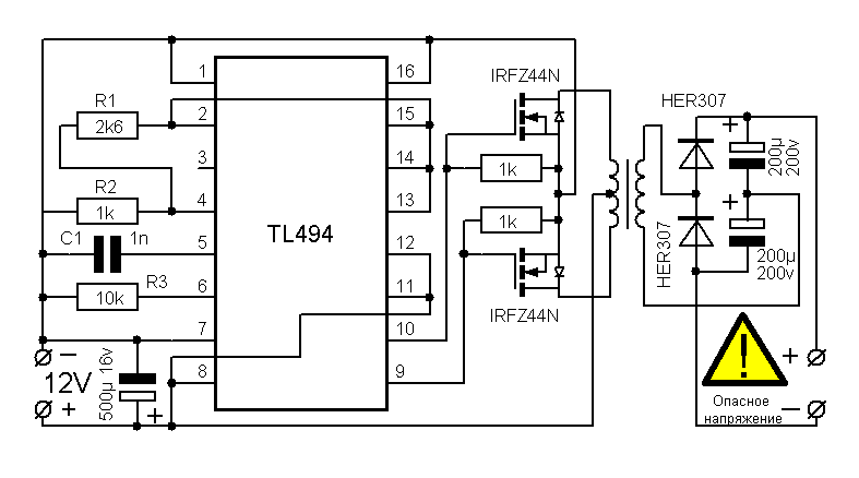
Предлагаю Вашему вниманию схему преобразователя напряжения с 12 в 220 вольт (но постоянных) для питания энергосберегающих ламп (к примеру в гараже, машине, на даче).
Схема очень проста и практически все детали используются от ненужного компьютерного блока питания.

Трансформатор тоже с компьютерного бп в обратном включении.
В итоге получается что-то такое:

Печатки под трансформаторы разных размеров можете скачать в архиве
Схема не моя, нашел на просторах интернета. От Вас хотелось бы подобных схем.
Прикрепления: 2183077.gif (9.9 Kb) · 6811806.jpg (19.9 Kb) · LDS_1.rar (20.0 Kb)


поправил NetFront - Ср, 22.08.2012, 16:57
 Вс, 10.02.2013, 22:29 | Сообщение # 2        

Russian62

Пользователи

 Активность: 5   

Здравствуйте, подскажите схему инвертора с 12 вольт на +/-70вольт(двухполярное) на 600 ватт. Спасибо
 Пн, 11.02.2013, 01:08 | Сообщение # 3        

MAESTRO

^

 Активность: 5564   

Для усилителя звука? Посмотри преобразователь тут
 Пт, 23.08.2013, 13:47 | Сообщение # 4        

ACER

Пользователи

 Активность: 150   

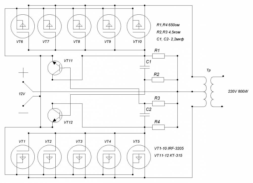
Всем привет! Может тут кто знает? Чё за схема преобразователя с 12 вольт в 220 вольт и с выходной мощностью 800-ватт. Реальная схема или нет кто знает скажите? sad :( sad

Прикрепления: 1354513.jpg (63.0 Kb)
 Пт, 23.08.2013, 14:09 | Сообщение # 5        

MAESTRO

^

 Активность: 5564   

Ну это очень ненадёжная схема - обычный мультивибратор без всяких защит и стабилизаций.
 Пт, 23.08.2013, 21:03 | Сообщение # 6        

Ксюня

Друзья

 Активность: 453   

ACER, Да к тому же она на частоте 50 Гц работает.Прикинь размеры такого трансформатора.Плюс частота будет сильно прыгать от нагрузки.
 Пт, 23.08.2013, 21:36 | Сообщение # 7        

ACER

Пользователи

 Активность: 150   

Цитата (MAESTRO)
Ну это очень ненадёжная схема - обычный мультивибратор без всяких защит и стабилизаций.

Вот похожая схема. Но она на 100 ватт, а ведь практически одинаковые разница только в полевых транзисторах здесь их всего 2, а на той схеме помоему 10-штук что-ли. Не пойму в чём разница в них? это типа транзисторы мощь увеличивают что-ли? Я как понял чем больше поливиков тем устройство мощней, я правильно понимаю?

Прикрепления: 8020039.jpg (56.9 Kb)
 Пт, 23.08.2013, 23:14 | Сообщение # 8        

MAESTRO

^

 Активность: 5564   

Да, это как в усилителе - просто увеличивают транзисторы в плече и растёт допустимый ток.
 Сб, 24.08.2013, 09:14 | Сообщение # 9        

ACER

Пользователи

 Активность: 150   

MAESTRO, Понятно! smile Благодарствую smile
 Вт, 09.09.2014, 08:17 | Сообщение # 10        

abbater

Пользователи

 Активность: 133   

собираюсь собрать преобразователь с трансформатором тсш-170-3.Одмотал все обмотки и оставил только сетевую выводы 1 и 2 на 220в и сопротивлением обмотки 6,4Ом.Подключил к сети транс для проверки обмотки,без пластин.А он начал сильно греться,снял его из робочего телевизора.И также хочу попросить помощи для розчёта вторичкы сколько мотать на 7в на плечё и максимальной мошностю 150Вт.провод собираюсь использовать 1.25мм
  • Страница 1 из 2
  • 1
  • 2
  • »
Поиск:

Внимание! Форум переехал на Tehnodium.ru




© Форум по электронике Мобильная версия