ФОРУМ ПО ЭЛЕКТРОНИКЕ



  • Страница 1 из 3
  • 1
  • 2
  • 3
  • »
Архив - только для чтения
Параллельное подключение lm317
 Ср, 05.06.2013, 21:36 | Сообщение # 1        

camerman

Пользователи

 Активность: 13   

на http://radioskot.ru/ видел разговор о параллельном подключение lm317 кто пробывал отзовитесь или дайте схеиу подключения
 Ср, 05.06.2013, 21:41 | Сообщение # 2        

MAESTRO

^

 Активность: 5564   

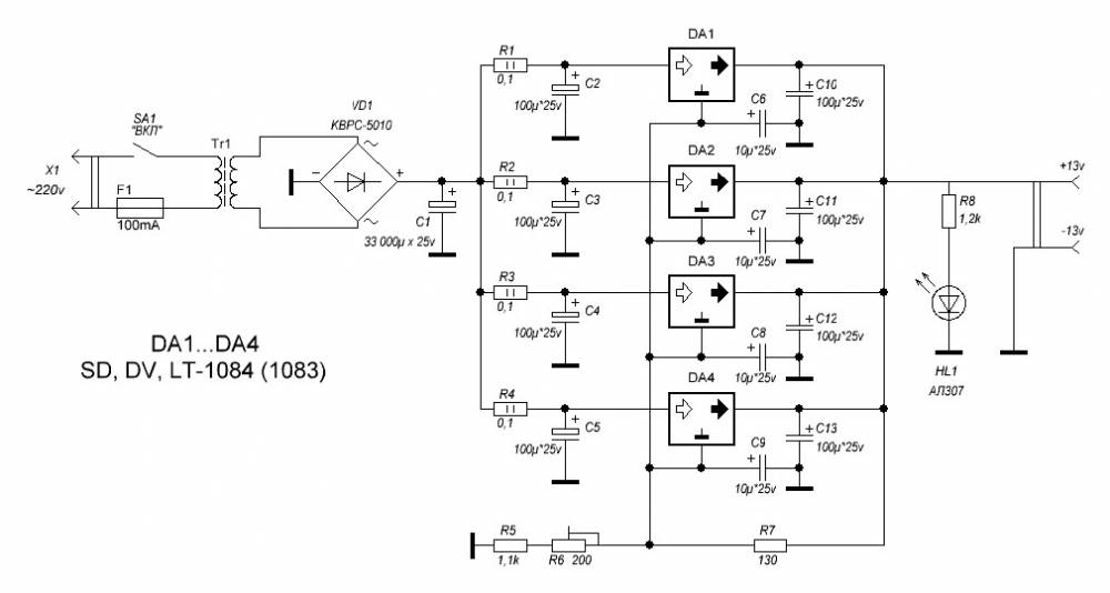
Входы нужно подключить через резисторы 0,1 ом на каждый ЛМ , а с выходов (соединенных вместе) на регулируещие выводы (тоже всех) резистор 200 ом. Типа такого:

Прикрепления: 8180529.jpg (43.9 Kb)
 Чт, 06.06.2013, 11:14 | Сообщение # 3        

camerman

Пользователи

 Активность: 13   

MAESTRO, на сколько ампер твоя схема а на большое напряжение нету например на 30 вольт
 Чт, 06.06.2013, 11:30 | Сообщение # 4        

феска

Друзья

 Активность: 3627   

camerman, c lm317 можно создать схему вплоть до 37 вольт всего изменить параметры резисторов (калькуляторов в нете полно )
 Чт, 06.06.2013, 12:45 | Сообщение # 5        

camerman

Пользователи

 Активность: 13   

поподробнее
 Чт, 06.06.2013, 13:15 | Сообщение # 6        

феска

Друзья

 Активность: 3627   

пиши калькулятор lm317 в поисковике браузера
 Чт, 06.06.2013, 14:48 | Сообщение # 7        

camerman

Пользователи

 Активность: 13   

а как насчет тока

Добавлено (06.06.2013, 14:48)
---------------------------------------------
дома есть 4 lm317 а мне надо получить ток ампер 4-5 и регулировку напряжения от 0 до 30

 Чт, 06.06.2013, 15:53 | Сообщение # 8        

феска

Друзья

 Активность: 3627   

одна лм рассчитана на 1,5 ампера в параллель ципляешь в 2 х кратном количестве по схеме как тебе маестро показал на твой ток это 5-6 лм в паралель
 Чт, 06.06.2013, 17:23 | Сообщение # 9        

camerman

Пользователи

 Активность: 13   

в мастер ките блок питания на lm 317 на 5 ампер 1 штука используется
 Чт, 06.06.2013, 23:08 | Сообщение # 10        

MAESTRO

^

 Активность: 5564   

Может потому что там стоит на LM-ке мощный ключевой транзистор? Этот метод проще и надёжнее, чем паралелить их.
  • Страница 1 из 3
  • 1
  • 2
  • 3
  • »
Поиск:

Внимание! Форум переехал на Tehnodium.ru




© Форум по электронике Мобильная версия