|
Простой самодельный металоискатель
|
|
| | Пт, 16.03.2012, 19:46 | Сообщение # 1
|
MAESTRO ^ Активность: 5564
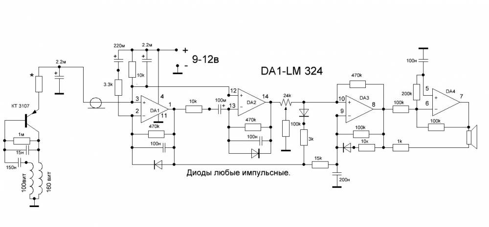
| ПРОСТОЙ МЕТАЛЛОИСКАТЕЛЬ Советуем ознакомится с архивами форума: архив1 Архив форума 2
По просьбе Акерана на общее обозрение выкладываю схему очень простого мд с неплохими показателями без дискриминации! Присоединил эпюры VincentED НАСТРОЙКА Р1 10 ком многооборотный сп5 включаешь если прибор реагирует на метал то регулируешь сп5 резистором пока пропадет реакция на металл затем в обратную сторону медленно, когда генератор войдет в рабочий режим услышишь щелчок, это и есть его рабочая точка, но без многооборотного резистора тяжеловато производить тонкую настройку. если данные по дальности не устроят единственное что поможет это перебор транзистора, в разных партиях разные характеристики огромное спасибо bars59 за предоставление архивов с выкладками :D
|
|
| | Пт, 23.03.2012, 21:19 | Сообщение # 11
|
shindr Пользователи Активность: 31
| а может быть что эта сжема не работает
|
|
| | Пт, 23.03.2012, 21:23 | Сообщение # 12
|
феска Друзья Активность: 3627
| shindr, пробуйте вставить другую 324
|
|
| | Пт, 23.03.2012, 21:41 | Сообщение # 13
|
ZmEy76 Друзья Активность: 730
| shindr На картинке 1115382.jpg(57Kb) схема адаптирована под TL074 , а для LM324 схема с авторскими номиналами, ну и моими поправками  Добавлено (23.03.2012, 21:41) --------------------------------------------- stream3 Транзистор пробовал, лучше всего подошел КТ3107Ж с усилением 230 ,замерил цифровым тестером.
|
|
| | Пт, 23.03.2012, 22:06 | Сообщение # 14
|
shindr Пользователи Активность: 31
| это значит вот эта подойдёт Добавлено (23.03.2012, 22:06) --------------------------------------------- или эта
|
|
| | Пт, 23.03.2012, 22:07 | Сообщение # 15
|
shindr Пользователи Активность: 31
| или эта
|
|
| | Пт, 23.03.2012, 22:46 | Сообщение # 16
|
ZmEy76 Друзья Активность: 730
| Вот эта с моими доработками http://elwo.ru/_fr/2/2249955.jpg И эта авторская http://elwo.ru/_fr/5/_111.pdf
поправил ZmEy76 - Пт, 23.03.2012, 22:48 |
|
| | Сб, 24.03.2012, 07:13 | Сообщение # 17
|
shindr Пользователи Активность: 31
| ZmEy76 зачит мне надо собирать по авторкой схеме собирать я вас правельно понял
|
|
| | Сб, 24.03.2012, 09:27 | Сообщение # 18
|
феска Друзья Активность: 3627
| shindr, собирайте что будет вам угодно изменения которые добавил змей не изменяют принцепы работы прибора поэтому мы сможем вам помоч её настроить
|
|
| | Сб, 24.03.2012, 09:33 | Сообщение # 19
|
феска Друзья Активность: 3627
| операционный усилитель тоже не особо влияет на воъможность прибора запустится схема реагировать на прикосновение 3 ноги должна в любом случае, вы просто не правильно что то зделали, опер перевирнули монтажку не правильно сделали, сопли или протравления, залипы, и тп не рабочие элементы не правильно впаяли, каждый элемент нужно проверять перед впайкой, используете панельки расстояние между микрой и панелькой не должно быть (плохо вставили все в стандарте)
|
|
| | Сб, 24.03.2012, 09:40 | Сообщение # 20
|
ZmEy76 Друзья Активность: 730
| shindr Дык да. Только R2 600-700кОм, С1 6-7Нан, С2 100Нан, КТ3107Ж,Д,И с усилением примерно 220,ну и про диоды и катушку писал выше.
поправил ZmEy76 - Сб, 24.03.2012, 09:49 |
|