ФОРУМ ПО ЭЛЕКТРОНИКЕ



  • Страница 2 из 5
  • «
  • 1
  • 2
  • 3
  • 4
  • 5
  • »
Архив - только для чтения
Дискотечный прибор Compact Flower
 Вт, 28.02.2012, 15:34 | Сообщение # 11        

DjBraga

Пользователи

 Активность: 63   

скинь с этим печатку плиз
 Вт, 28.02.2012, 22:42 | Сообщение # 12        

Romick5770

Друзья

 Активность: 348   

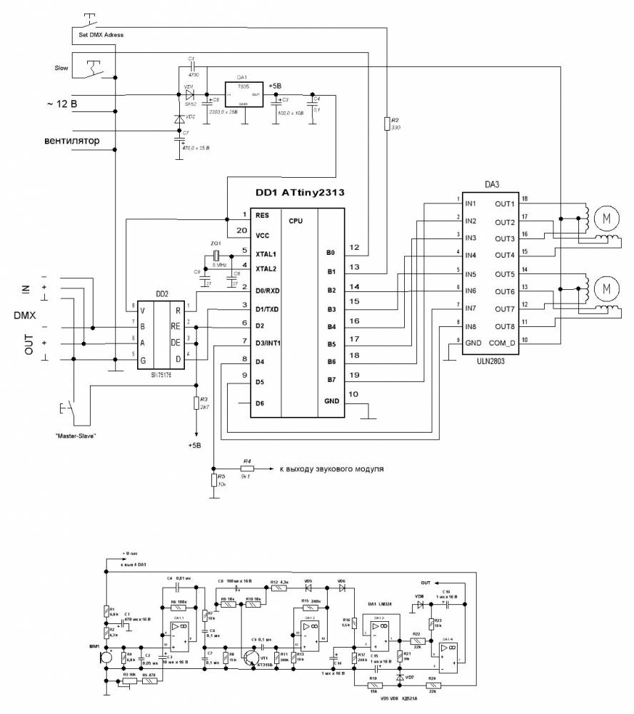
Вот схема, по которой я собирал приборы. Она рабочая.

Вот фото готовой платы:

Вот печатка:
Прикрепления: 1115318.jpg (79.1 Kb) · 3077970.jpg (62.1 Kb) · ____1.lay (219.4 Kb)


поправил Romick5770 - Вт, 28.02.2012, 22:43
 Ср, 29.02.2012, 13:39 | Сообщение # 13        

-igRoman-

Друзья

 Активность: 1198   

Quote (Romick5770)
У меня лично не заработала часть схемы от микрофона. Я спаял штуки 3 на микросхеме BA3308, работать не захотели.

Это все согласно самой верней схемы Сообщение # 1

Посмотри внимательно на распиновку

Куда по схеме подключен микрофон??

Добавлено (29.02.2012, 13:39)
---------------------------------------------
И транзистор VT1 не правильно включен. Не правильно смещается, и портом не питают.
Полевик при таком включении заработал, но на входе порта должен быть четкий логический уровень

Прикрепления: 3921012.jpg (22.6 Kb)
 Ср, 29.02.2012, 13:47 | Сообщение # 14        

-igRoman-

Друзья

 Активность: 1198   

Чем управляешь прибор
Если возникают нештатные ситуёвины, беру этого красавца.
+ большой талмуд с командами и адресами, прогоняю все вручную


Собственно приглянулась вот эта статейка, сделать себе помощника, ничего сложного

Прикрепления: 2862535.jpg (62.8 Kb) · 8669291.gif (849.6 Kb) · 3988240.gif (814.0 Kb)
 Ср, 29.02.2012, 22:04 | Сообщение # 15        

Romick_Калуга

Друзья

 Активность: 348   

Quote (-igRoman-)
Куда по схеме подключен микрофон??

Автор и я тоже использовал BA3308 в другом корпусе.

И микрофон подключен ко входу. все правильно

Добавлено (29.02.2012, 22:04)
---------------------------------------------

Quote (-igRoman-)
И транзистор VT1 не правильно включен

Почему неправильно? Эмиттер на землю, поступает сигнал на базу, транзистор открывается, на вывод 7 контроллера поступает 0. Правда я не знаю, как автор составлял программу. Действительно на 7 выв должен поступать 0, чтобы реагировал на звук или все же 1.
Прикрепления: 8969763.jpg (33.5 Kb)
 Ср, 29.02.2012, 22:15 | Сообщение # 16        

Romick_Калуга

Друзья

 Активность: 348   

Quote (-igRoman-)
Собственно приглянулась вот эта статейка, сделать себе помощника, ничего сложного

Именно по этой статье я и делал пульт. Вот фото:


Ну и помучился я с этим пультом. Оказывается в журнале выложена прошивка под другие назначения выводов контроллера. Я общался с автором, он выложил (по-моему в более позднем номере журнала) исправленную схему. Но я к этому времени уже спаял плату и мучил ее с месяц. Так автор кинул другую прошивку под схему, которая была выложена в журнале с самого начала. После этого у меня все заработало.
Неплохой пультик. Только им можно управлять только этими приборами и только двумя (или двумя параллельными группами).

Добавлено (29.02.2012, 22:15)
---------------------------------------------
Вручную управлять хорошо, если ведешь какую-то презентацию, концерт. Я-то делаю для себя, для дома. Поплясать с гостями, на работе праздник отметить. Поэтому сканеры гоняю через программу Фристайл от ноутбука. Вот только скачать бы где-то руководство (инструкцию) как всем этим пользоваться. А то осваиваю методом тыка.

Прикрепления: 6996948.jpg (69.0 Kb)
 Чт, 01.03.2012, 08:19 | Сообщение # 17        

DjBraga

Пользователи

 Активность: 63   

Моно и ноль и один это всё зависит от текста прошивки

Добавлено (01.03.2012, 08:19)
---------------------------------------------
можно на этот вход контролера , через резистор на плюс, а минус с микросхему . И получается без сигнала 1, а с сигналом 0. Можно по коду.


поправил DjBraga - Чт, 01.03.2012, 08:47
 Чт, 01.03.2012, 08:55 | Сообщение # 18        

Romick_Калуга

Друзья

 Активность: 348   

Чтобы экспериментировать с нулем и единицей на входе, нужно знать код прошивки. Я сделал проще. Узел усиления звука вставил из схемы, которая гарантировано работает. И не мучаюсь.
 Чт, 01.03.2012, 11:41 | Сообщение # 19        

DjBraga

Пользователи

 Активность: 63   

Код примерно такой на си:
DDRD=0x00;// порт D на вход
PORTD=0b00010000;//4 бит порта D На +5v
if (PIND4==0) {......
При подаче на 4 бит земли получается что будет не еденица а ноль.

Добавлено (01.03.2012, 11:41)
---------------------------------------------
скинь печатку пульта и прошу и можно если есть исходник. Если нету исх. То скажи адрес автора.

поправил DjBraga - Чт, 01.03.2012, 10:20
 Чт, 01.03.2012, 12:42 | Сообщение # 20        

Romick_Калуга

Друзья

 Активность: 348   

Исходника нет. Зачем он тебе, если устройство работает? Адрес автора в статье см.выше
  • Страница 2 из 5
  • «
  • 1
  • 2
  • 3
  • 4
  • 5
  • »
Поиск:

Внимание! Форум переехал на Tehnodium.ru




© Форум по электронике Мобильная версия