ФОРУМ ПО ЭЛЕКТРОНИКЕ



Архив - только для чтения
Самодельный световой сканер
 Вс, 12.02.2012, 10:07 | Сообщение # 11        

Romick5770

Друзья

 Активность: 348   

Quote (-igRoman-)
Конкрeтней? Может колор ченжер

Добавлено (07.02.2012, 22:48)
---------------------------------------------
типа такой вариант
musidora.ru/carrykanzas.htm


Да, такой. Только он не работает. Прошивка не идет. Я уже и автору писал, он мне прислал чуть другую, но она не идет.

Добавлено (12.02.2012, 10:07)
---------------------------------------------

Quote (reanimaster)
Romick5770, класс!!! Не подскажешь схему типа как по ссылке musidora.ru/carrykanzas.htm , чтобы управлять ШД от микрофона, желательно на мк?


Я уже говорил, что эта схема не идет.
А вот эта схема http://musidora.ru/carry9600.htm
работает без проблем. На 2 движка и на 4 (есть 2 прошивки). От микрофона или от встроенной программы. От микрофона мне не понравилось, а по программе работает отлично. В схеме есть вход и выход для управления с компа. Эта часть не работает, т.к. программа под WIN98. Так что эти входы и выходы на контроллер можно не паять.
 Вс, 12.02.2012, 10:19 | Сообщение # 12        

Romick5770

Друзья

 Активность: 348   

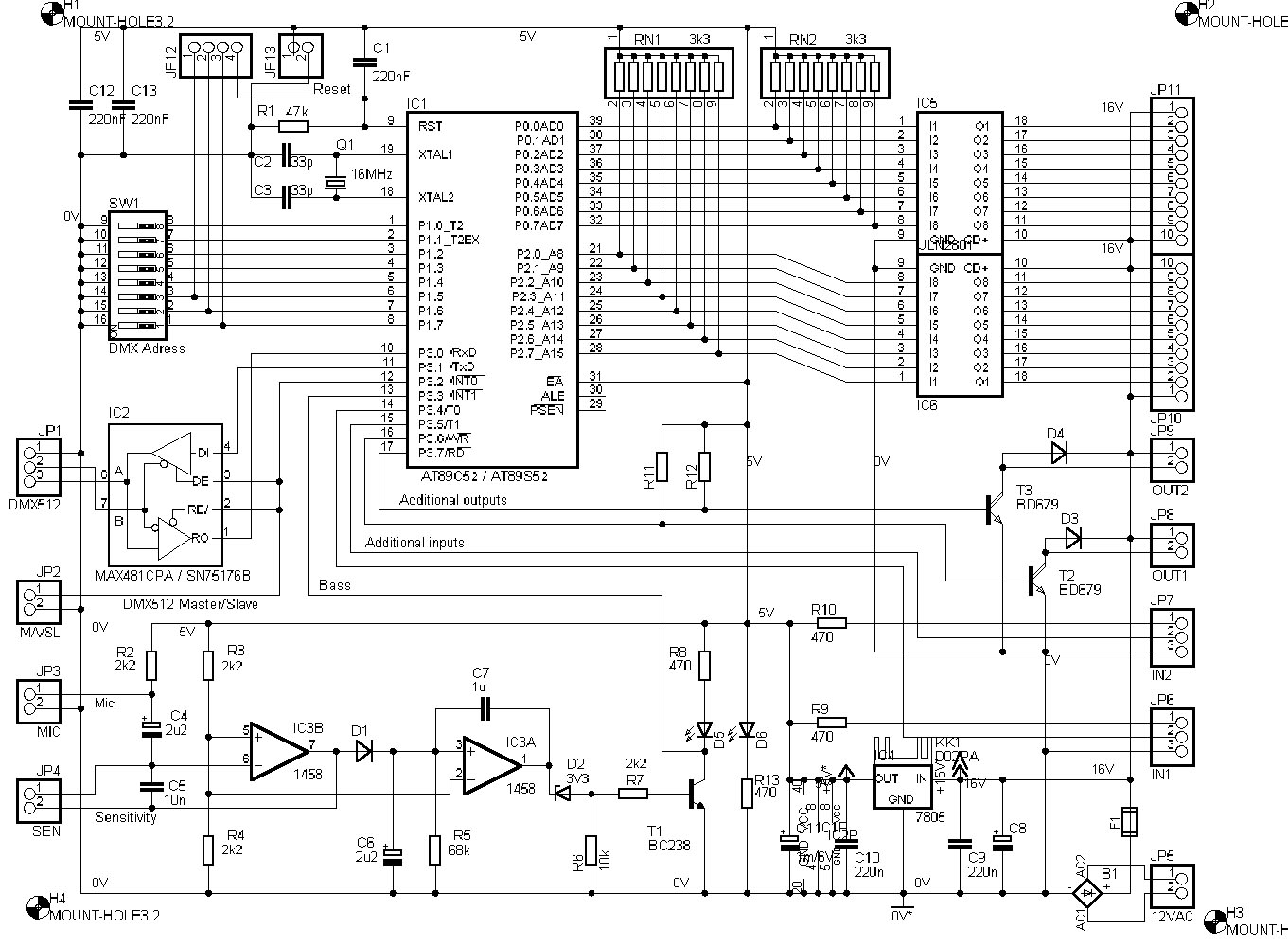
Вот схема, по которой я собирал скан. На сайте была эта схема, потом ее удалили. Кто-то охраняет секреты световых приборов.
Прикрепления: 0280692.gif (200.3 Kb)
 Вс, 12.02.2012, 10:30 | Сообщение # 13        

reanimaster

Пользователи

 Активность: 14   

Romick5770, благодарю!!!
 Вс, 12.02.2012, 14:22 | Сообщение # 14        

-igRoman-

Друзья

 Активность: 1198   

Quote (Romick5770)
Да, такой.

Я понимаю сканер, голову, заливкой, - нужно управлять. А здесь, не проще автоматом сделать смену цветов?
В начале 2000х про ДМХ разговора не было, делалось все проще, (в принципе никакой!!! принципиальной разницы) в плане видимого эффекта не было.
Собиралось просто на 561 логике, фишка в том, что возле каждого трафарета была прорезь, за ней фотодиод, запускал одновибратор на 561лп2, задержка выставлена примерно 5 секунд.
И все полный автомат!!! через каждые 5 секунд гобо меняет цвет (рисунок) и позиционер работает по микрофону
Если кому нужно, могу сфоткать черновики.

И по ЕЖУ, нашел схему для управления шаговиком (зеркальной чашкой) от микрофона, полностью на 561 логике. 4 режима, 2 скорости и реверс. Платы фото нет, есть только на обычной бумаге, от самописца (клетка 2 мм)
 Пн, 13.02.2012, 10:47 | Сообщение # 15        

DjBraga

Пользователи

 Активность: 63   

а проша есть ? smile и печать biggrin cool схема не очень понятнаа проша есть ?

поправил DjBraga - Пн, 13.02.2012, 11:41
 Пн, 13.02.2012, 13:05 | Сообщение # 16        

Romick5770

Друзья

 Активность: 348   

Да, прошивка есть. Могу выслать. И есть исходник. Я хоть в программировании не силен, но все же подкорректировал количество позиций гобо и цвета под свои параметры. А вот угол поворота не смог откорректировать - не хватает знаний в программировании.
Печатка тоже есть. Могу поделиться, не жалко.
 Пн, 13.02.2012, 13:41 | Сообщение # 17        

Romick5770

Друзья

 Активность: 348   

Небольшие пояснения к схеме:
JP1 - DMX
JP2 - переключатель DMX/под музыку
JP3 - микрофон (с соблюдением полярности)
JP4 - переменный резистор 50-100 кОм, регулятор чувствительности микрофона
JP5 - питание. Я использовал ~10 В, чтобы на движки шло +14 В
JP6, JP7 - подключение оптических датчиков нулевого положения кругов гобо и цвета. В кругах делается прорезь, по которой и останавливается круг. Схема подключения:

JP8 - управление приводом стробо (такая шторка на электромагните, чтобы можно было о-о-о-чень часто мигать). У меня этот выход идет на транзистор, который через оптопару управляет через симистор гашением лампы. Т.е. сигнала нет - лампа не горит, сигнал есть - лампа горит). Вот схема

JP9 - управление оптической призмой. Ставится движок, который при сигнале на этом выходе крутится и вращает оптическую призму, которая раздваивает или растраивает изображение). Я в своем приборе этот выход не использовал.
JP10 - JP11 - подключение шаговых двигателей - 2 управление зеркалом, круг гобо и круг цвета.
JP12, JP13 - разъем для внутрисхемного программирования.

Круги гобо и цвета останавливаются по оптическому датчику. Круг крутится в прорези оптодатчика. когда через оптодатчик проходит прорезь в круге, то он останавливается.
Движки положения зеркала после включения отклоняют зеркало в крайнее положение, бьются несколько об упор и останавливаются. Потом поворачиваются на определенный угол в противоположное направление, это и есть среднее положение зеркала.

Добавлено (13.02.2012, 13:41)
---------------------------------------------
Quote (-igRoman-)
Собиралось просто на 561 логике, фишка в том, что возле каждого трафарета была прорезь, за ней фотодиод, запускал одновибратор на 561лп2, задержка выставлена примерно 5 секунд.

Мне кажется, что сегодня делать на логике - это каменный век. Если не нужно DMX, то есть схемы по встроенной программе или от микрофона. На одном несложном микроконтроллере выполнено все, плата минимальная, настройки никакой. Схемы я приводил с сайта musidora.ru
Прикрепления: 9343001.jpg (24.8 Kb) · 1224254.jpg (26.7 Kb)


поправил Romick5770 - Пн, 13.02.2012, 22:09
 Пн, 13.02.2012, 17:14 | Сообщение # 18        

DjBraga

Пользователи

 Активность: 63   

Скинь Пожалуста biggrin A.bragin@tut.by Заранее спасибо
А гобо где брал? номинал L1, что за ntc 1 , какой контроллер.
а у тебя не ошибка в схеме сторобо не JP9 а JP8


поправил DjBraga - Пн, 13.02.2012, 21:33
 Пн, 13.02.2012, 22:21 | Сообщение # 19        

Romick5770

Друзья

 Активность: 348   

Quote (DjBraga)
А гобо где брал? номинал L1, что за ntc 1 , какой контроллер.
а у тебя не ошибка в схеме сторобо не JP9 а JP8

1. Извиняюсь, выложил не ту силовую схему на лампу. Исправил. Симистор управляет электронным блоком питания. Он был на 12 В 200 Вт. Я его переделал на 15 В, применил лампу с отражателем от медицинских приборов 15В 150 Вт.
2. Последовательно с лампой стоит термистор (NTC1), чтобы лампа плавно загоралась и не сгорела (все-таки стоит около 500 руб). Вот такой http://www.chipdip.ru/product/jnr20s0r7m.aspx
3. Ошибки нет. И на JP8 и на JP9 можно повесить и строб и управление движком призмы. Разница этих выходов только в том, что в одном на выходе 1 при значении DMX 0-127, а 0 при DMX 128-255. А в другом выходе - наоборот.
 Пн, 13.02.2012, 22:24 | Сообщение # 20        

Romick5770

Друзья

 Активность: 348   

Кто просил, я скинул печатку. Вот фото платы со всех сторон








Прикрепления: 7264216.jpg (83.5 Kb) · 3039973.jpg (82.2 Kb) · 9473243.jpg (84.8 Kb) · 0739368.jpg (85.1 Kb) · 1973959.jpg (80.7 Kb)


поправил Romick5770 - Пн, 13.02.2012, 22:25
Поиск:

Внимание! Форум переехал на Tehnodium.ru




© Форум по электронике Мобильная версия