ФОРУМ ПО ЭЛЕКТРОНИКЕ



  • Страница 2 из 4
  • «
  • 1
  • 2
  • 3
  • 4
  • »
Архив - только для чтения
Ультрафиолетовый светодиодный прожектор DMX512
 Ср, 03.06.2015, 06:22 | Сообщение # 11        

sergey68_2

Пользователи

 Активность: 15   

btkneon схемой и прошивкой поделитесь?
 Сб, 06.06.2015, 00:21 | Сообщение # 12        

btkneon

Пользователи

 Активность: 11   

sergey68_2, без вопросов, сбрасывайте електронку
 Пт, 10.07.2015, 13:38 | Сообщение # 13        

djserzhik

Пользователи

 Активность: 2   

sergey68_2 ,И мне если можно схемку и прошивку.
 Сб, 11.07.2015, 09:40 | Сообщение # 14        

sergey68_2

Пользователи

 Активность: 15   

djserzhik , прошивка и схема принадлежат автору, все вопросы по этому поводу к btkneon!
 Сб, 11.07.2015, 12:25 | Сообщение # 15        

djserzhik

Пользователи

 Активность: 2   

btkneon,А можно и мне схему и прошивку?
 Пт, 18.09.2015, 08:01 | Сообщение # 16        

vorus

Пользователи

 Активность: 1   

btkneon, Данный девайс заинтересовал, можно и мне скинуть схему с прошивкой
 Сб, 12.12.2015, 07:57 | Сообщение # 17        

povkan

Пользователи

 Активность: 1   

btkneon,А можно и мне схему и прошивку?

поправил povkan - Пт, 11.12.2015, 13:50
 Сб, 19.12.2015, 13:03 | Сообщение # 18        

Holy_diver_dio

Пользователи

 Активность: 1   

Можно и мне схемку с прошивкой ?
 Сб, 19.12.2015, 17:18 | Сообщение # 19        

sergey68_2

Пользователи

 Активность: 15   

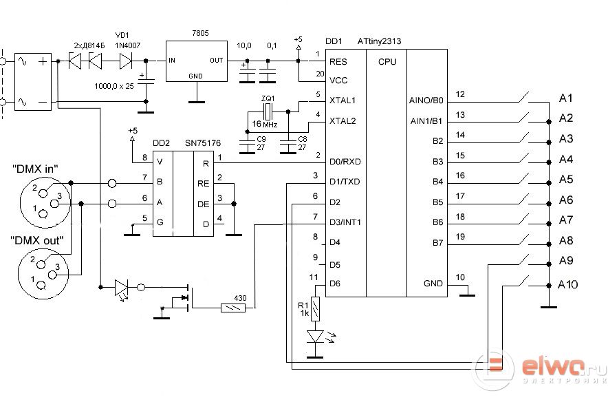
Вот схема, прошивка и плата по которой я повторил строб автора устройства. Занимает два канала: 1- димер, 2-частота. Схему и все остальное прилагаю, думаю автор не будет против.Всем удачи!
Прикрепления: ___Ponny.bmp (663.1 Kb) · 0161785.jpg (155.3 Kb) · strob1.lay6 (54.8 Kb) · strob1.hex (1.1 Kb)


поправил sergey68_2 - Сб, 19.12.2015, 17:21
 Вс, 27.12.2015, 23:04 | Сообщение # 20        

Vitalya18051989

Пользователи

 Активность: 1   

Подскажите пожалуйста, какой прогой с ПК по DMX управляются прожекторы?
  • Страница 2 из 4
  • «
  • 1
  • 2
  • 3
  • 4
  • »
Поиск:

Внимание! Форум переехал на Tehnodium.ru




© Форум по электронике Мобильная версия