ФОРУМ ПО ЭЛЕКТРОНИКЕ



  • Страница 2 из 3
  • «
  • 1
  • 2
  • 3
  • »
Архив - только для чтения
Выбор сабвуфера
 Сб, 14.01.2012, 11:44 | Сообщение # 11        

MAESTRO

^

 Активность: 5564   

Тоньше провод и больше витков в катушке динамика - больше Ом, толще провод и меньше витков - сопротивление ниже.
 Ср, 18.01.2012, 13:22 | Сообщение # 12        

Temik

Пользователи

 Активность: 11   

Помогите собрать усилок для 5W саба 8Ом
 Ср, 18.01.2012, 15:51 | Сообщение # 13        

феска

Друзья

 Активность: 3627   

Temik, по какой схеме??
 Ср, 18.01.2012, 20:04 | Сообщение # 14        

Temik

Пользователи

 Активность: 11   

TDA1562
 Ср, 18.01.2012, 23:45 | Сообщение # 15        

MAESTRO

^

 Активность: 5564   

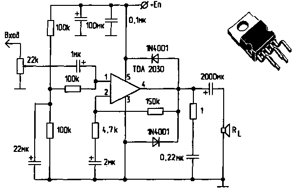
Зачем на 5 ватт ставить сорокаваттную микросхему? Делай на самой простой и дешёвой TDA2030.

Прикрепления: 1526389.gif (6.9 Kb)
 Чт, 19.01.2012, 06:50 | Сообщение # 16        

Temik

Пользователи

 Активность: 11   

перепутал циферку))TDA1552

Добавлено (19.01.2012, 06:50)
---------------------------------------------
Скажи мне только сколько и чего покупать,ниселён в этом

 Чт, 19.01.2012, 10:30 | Сообщение # 17        

MAESTRO

^

 Активность: 5564   

Вот эту TDA1552 и покупай. Цена вопроса 2уе. А дальше три конденсатора, спаять, и всё сразу работает.





Прикрепления: 1464226.gif (9.3 Kb) · 6902707.jpg (13.0 Kb) · 5476515.gif (8.8 Kb)
 Чт, 19.01.2012, 11:54 | Сообщение # 18        

Temik

Пользователи

 Активность: 11   

А тут 2 выхода на колонки??
 Чт, 19.01.2012, 14:28 | Сообщение # 19        

MAESTRO

^

 Активность: 5564   

Да, это двухканальная микросхема. Один канал просто не используй, будет запасной, или на один из каналов кинешь.
 Чт, 19.01.2012, 14:56 | Сообщение # 20        

Temik

Пользователи

 Активность: 11   

Скажи мне чё купить надо на неё токо ВСЁ!!тока транзисторы надо покупать?
  • Страница 2 из 3
  • «
  • 1
  • 2
  • 3
  • »
Поиск:

Внимание! Форум переехал на Tehnodium.ru




© Форум по электронике Мобильная версия