ФОРУМ ПО ЭЛЕКТРОНИКЕ



Архив - только для чтения
Самодельные зарядные устройства
 Пн, 25.02.2013, 21:48 | Сообщение # 321        

vic1

Пользователи

 Активность: 31   

ну и ладно пусть лежит,может когда-то ОНО будет востребовано но вопрос остается открытым
 Вт, 26.02.2013, 06:24 | Сообщение # 322        

lykas

Пользователи

 Активность: 1575   

ну да пусть по лежит.может где нам попадёт что то подобное тогда скажем.
 Вт, 26.02.2013, 08:30 | Сообщение # 323        

феска

Друзья

 Активность: 3627   

vic1, может термопара накали скрутру проводов а на выходах замерь напругу biggrin biggrin
 Вт, 26.02.2013, 09:55 | Сообщение # 324        

vic1

Пользователи

 Активность: 31   

Феска,можно по-подробней че я должен и как?очень интересную идею кинули буду пробовать ОБЯЗАТЕЛЬНО отпишусь
 Вт, 26.02.2013, 10:35 | Сообщение # 325        

феска

Друзья

 Активность: 3627   

vic1, а че подробнее, это догатки с одной стороны штыри с другой стороны скрутка из проволоки вопрос проволока это однородная, если да из одного материала то возможно катализатор какой, если разная то возможно термопара,
если катализатор то проволока может из драг метала быть, платина там и тп
 Вт, 26.02.2013, 11:52 | Сообщение # 326        

vic1

Пользователи

 Активность: 31   

да ладно ВАМ платина,столько метала в одной детальке!!!!!! не может быть,а проволка действительно однородная
 Вт, 26.02.2013, 12:58 | Сообщение # 327        

-igRoman-

Друзья

 Активность: 1198   

Решил немного отвлечь от темы ,продемонстрировать кишки относительно недорогого зарядного устройства (относительно это вам решать) цена в Украине 25 убитых енотов +/- 2 енота.
Вот показана зарядка в деле
А вот как она устроена, надеюсь с принципом работы понятно всем (вот и оцените сами стоимость)



Прикрепления: 2270944.jpg (72.4 Kb) · 2042467.jpg (92.0 Kb) · 8173139.jpg (89.2 Kb) · 9287100.jpg (93.6 Kb)
 Вт, 26.02.2013, 13:01 | Сообщение # 328        

-igRoman-

Друзья

 Активность: 1198   

И собственно регулятор тока, симистор абсолютно холодный


Прикрепления: 1452180.jpg (69.9 Kb) · 8417225.jpg (85.0 Kb) · 9572109.jpg (79.5 Kb)
 Вт, 26.02.2013, 13:03 | Сообщение # 329        

MAESTRO

^

 Активность: 5564   

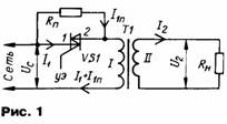
Всё гениальное просто. biggrin Обычный симистор по первичке.

Прикрепления: 7813556.jpg (5.0 Kb)
 Вт, 26.02.2013, 13:14 | Сообщение # 330        

-igRoman-

Друзья

 Активность: 1198   

А главное ток регулируется плавно!!!! от ноля, оптимально 3-4А, дальше диоды начинают греться, транс холодный
Поиск:

Внимание! Форум переехал на Tehnodium.ru




© Форум по электронике Мобильная версия