ФОРУМ ПО ЭЛЕКТРОНИКЕ



  • Страница 2 из 2
  • «
  • 1
  • 2
Архив - только для чтения
Переделать блок питания ПК с 12В на 27В
 Вт, 12.03.2013, 08:15 | Сообщение # 11        

феска

Друзья

 Активность: 3627   

Anco, это электролит сглаживающий, чем больше тем лучше, если место позволяет суйте, но и сотни хватит, с1 и с2 увеличиваются на вашу мощность я б поставил 1мкф*400v
 Вс, 17.03.2013, 08:37 | Сообщение # 12        

Anco

Пользователи

 Активность: 50   

Все по схеме сделал. Выдает 29 вольт. Но я как понимаю по схеме у него на выходе + и земля, а мне еще нужен минус, где его взять или как сделать? Иначе у меня колонки еле играют с хрипами.
 Вс, 17.03.2013, 13:18 | Сообщение # 13        

Anco

Пользователи

 Активность: 50   

Что мне в эту схему добавить, что бы было двухполярное питание со средней точкой?
Прикрепления: 9548041.png (174.0 Kb)
 Вс, 17.03.2013, 14:44 | Сообщение # 14        

ZmEy76

Друзья

 Активность: 730   

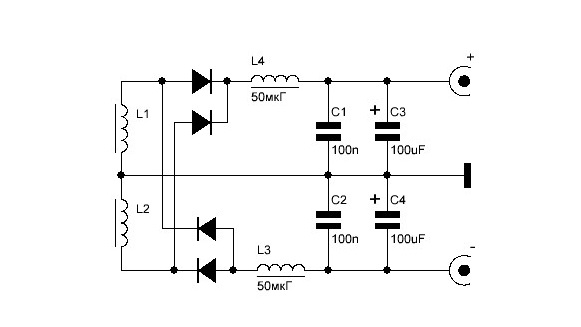
Это вторую точно такую же обмотку мотать. То есть, продолжить от конечного витка в том же направлении домотать ещё столько же. Место соединения двух обмоток и будет (средняя точка). Дополнительно аналогично сделать фильтр, по второму плечу. Диодный мост малость по другому включить.
Прикрепления: 5759142.jpg (24.8 Kb)


поправил ZmEy76 - Вс, 17.03.2013, 15:45
 Сб, 30.03.2013, 14:01 | Сообщение # 15        

Anco

Пользователи

 Активность: 50   

Цитата (ZmEy76)
Это вторую точно такую же обмотку мотать. То есть, продолжить от конечного витка в том же направлении домотать ещё столько же.


Подключил по данной схеме, усилить начал играть, но на + дроссель сгорел, замкнул просто напрямую оставив дроссель на минусе, вроде нормально заработало. Через пару дней, все включил, начало играть, вдруг раздался в колонках громкий гул и треск и дроссель сгорел. Отчего они сгорают вобще? Замыкание, напряжение большое или сила тока?


поправил Anco - Вс, 31.03.2013, 07:20
 Сб, 30.03.2013, 16:04 | Сообщение # 16        

феска

Друзья

 Активность: 3627   

Anco, он свестит всегда или только при большой нагрузке
 Вс, 31.03.2013, 07:21 | Сообщение # 17        

Anco

Пользователи

 Активность: 50   

Цитата (ZmEy76)
Это вторую точно такую же обмотку мотать. То есть, продолжить от конечного витка в том же направлении домотать ещё столько же.


Подключил по данной схеме, усилить начал играть, но на + дроссель сгорел, замкнул просто напрямую оставив дроссель на минусе, вроде нормально заработало. Через пару дней, все включил, начало играть, вдруг раздался в колонках громкий гул и треск и дроссель сгорел. Отчего они сгорают вобще? Замыкание, напряжение большое или сила тока?

Вторичка перемотана на 27В в каждое плечо.
В схемах усилителя вроде все нормально, с БП от компа на 12В все работало.

Что будет если без дросселей подключить?

И от чего неожиданно начинает трещать и гудеть, НЧ так вобще долбить начинает


поправил Anco - Вс, 31.03.2013, 07:23
 Сб, 13.04.2013, 11:35 | Сообщение # 18        

Anco

Пользователи

 Активность: 50   

Цитата (ZmEy76)
Это вторую точно такую же обмотку мотать. То есть, продолжить от конечного витка в том же направлении домотать ещё столько же. Место соединения двух обмоток и будет (средняя точка). Дополнительно аналогично сделать фильтр, по второму плечу. Диодный мост малость по другому включить.

Прикрепления: 5759142.jpg(25Kb)


Поставил по Вашей схеме дроссели на 50 мкГн, они сгорели. Без них усилитель работает, но есть раздражающий ВЧ
звук. В нете вычитал что данные дроссели в БП как раз и нужны что бы его убрать. Поставил дроссель по мощнее при помощи программы coil32. На ферритовое кольцо 12*8*3 М2000 проводом 0,6 мм намотал 10 витков. Напряжение показывает такое же, по 27В в каждое плечо, но звук стал хрипеть и свист стал плавающий (то тихо, то громко). Что сделал не так? И как сделать правильно?

Добавлено (13.04.2013, 11:35)
---------------------------------------------
как тему закрыть?

Прикрепления: 6805785.jpg (355.5 Kb)
  • Страница 2 из 2
  • «
  • 1
  • 2
Поиск:

Внимание! Форум переехал на Tehnodium.ru




© Форум по электронике Мобильная версия