|
Создание лампового усилителя
|
|
| | Пн, 28.04.2014, 19:58 | Сообщение # 11
|
lykas Пользователи Активность: 1575
| Цитата EvilDoer (  ) Я собирал на ГУ-29, мне звук очень нравится. еще бы лампы отпадные.и ламповый звук вы правы классно звучит.
|
|
| | Вт, 29.04.2014, 07:56 | Сообщение # 12
|
EvilDoer Пользователи Активность: 3
| Цитата lykas (  ) еще бы лампы отпадные.и ламповый звук вы правы классно звучит. главное, сам не ожидал, что так классно споется ГУ-29 с трансом ТС180. Кто-то упоминал, что этот транс неперемотанный по верхам недобирает, но при прослушивании музыки я этого не замечаю. Усь этот простецкий легко переигрывает по звуку непеределанный Вега 50У-122С. Могу поделиться той схемой, по которой собирал, очень простая - если интересно кому.
|
|
| | Сб, 14.06.2014, 11:11 | Сообщение # 13
|
Ma$ter Пользователи Активность: 51
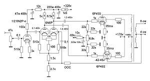
| Добрый день, всем! Давненько с товарищем начали изготовление 1-го канала УНЧ, за основу использовали схему:
Со временем сборка остановилась на долго. Думаю вот чуток продолжить процесс. Интересует схема БП. Там есть напряжение -60V которое подается на пер.резистор 10к который в цепи сетки 6п45с, по какой схеме лучше выполнить стабилизатор данного напряжения, и буду благодарен если ткнёте ссылкой на схему или сбросите сюда.
поправил Ma$ter - Сб, 14.06.2014, 11:12 |
|
| | Сб, 14.06.2014, 12:52 | Сообщение # 14
|
MAESTRO ^ Активность: 5564
| Для напряжения смещения стабилизатор не требуется вообще. Обычный выпрямитель и П-фильтр с резистором. По 100 мкФ и пару килоом 0,5 ватт.
|
|
| | Сб, 14.06.2014, 15:38 | Сообщение # 15
|
Ma$ter Пользователи Активность: 51
| MAESTRO, дело в том, что у меня нет в усилке такого напряжения. Там вольт 200 есть отдельных пока там висит мост с кондёром, их нужно понижать до 60вольт. И так чтоб был -60вольт. На стабилитронах или как? Есть примеры? аналоги схемы? Скиньте пожалуйста.
|
|
| | Сб, 14.06.2014, 17:40 | Сообщение # 16
|
MAESTRO ^ Активность: 5564
| Вот как тут например
|
|
| | Сб, 14.06.2014, 21:59 | Сообщение # 17
|
Ma$ter Пользователи Активность: 51
| Спасибо за материал, MAESTRO, буду думать. Там + схемы на корпусе на сколько я понял.??? Но как-то на первый взгляд примитивно, хотя может подобной схемы достаточно чтоб извлечь -60вольт.
поправил Ma$ter - Сб, 14.06.2014, 21:59 |
|
| | Сб, 14.06.2014, 23:16 | Сообщение # 18
|
Gamzan Друзья Активность: 1327
| Цитата Ma$ter (  ) как-то на первый взгляд примитивно Это потому, что потребление тока по цепям смещения маленькое.
|
|
| | Вс, 15.06.2014, 05:14 | Сообщение # 19
|
Ma$ter Пользователи Активность: 51
| Gamzan, ОК! Спасибо. А то что смещение у меня на 2е 6п45с идёт, достаточно будет? По этой схеме тут 4 х 6п3с используется.
|
|
| | Вс, 15.06.2014, 06:03 | Сообщение # 20
|
Gamzan Друзья Активность: 1327
| Цитата Ma$ter (  ) достаточно будет? Выше крыши
|
|